电脑桌面
添加小米粒文库到电脑桌面
安装后可以在桌面快捷访问

顺建发〔2024)8号附件1:建设工程施工安全评价阶段评价施工单位评分表VIP免费

顺建发〔2024)8号附件1:建设工程施工安全评价阶段评价施工单位评分表_第1页
1/2
顺建发〔2024)8号附件1:建设工程施工安全评价阶段评价施工单位评分表_第2页
2/2
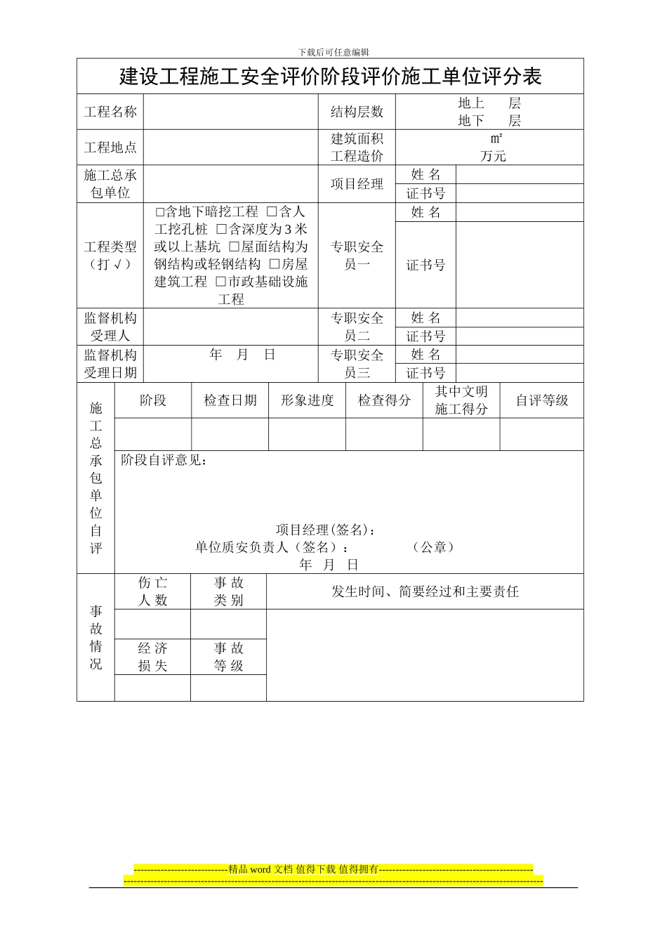
下载后可任意编辑建设工程施工安全评价阶段评价施工单位评分表工程名称结构层数地上 层地下 层工程地点建筑面积工程造价 ㎡ 万元施工总承包单位项目经理姓 名证书号工程类型(打√)□含地下暗挖工程 □含人工挖孔桩 □含深度为 3 米或以上基坑 □屋面结构为钢结构或轻钢结构 □房屋建筑工程 □市政基础设施工程专职安全员一姓 名证书号监督机构受理人专职安全员二姓 名证书号监督机构受理日期 年 月 日专职安全员三姓 名证书号施工总承包单位自评阶段检查日期形象进度检查得分其中文明施工得分自评等级阶段自评意见: 项目经理(签名): 单位质安负责人(签名): (公章) 年 月 日事故情况伤 亡人 数事 故类 别发生时间、简要经过和主要责任经 济损 失事 故等 级----------------------------精品 word 文档 值得下载 值得拥有---------------------------------------------------------------------------------------------------------------------------------------------------------------------------下载后可任意编辑总 计得 分( 满分 分值 100分)其 中文 明施 工得 分( 满分 分值 100分)项 目 名 称 及 分 值安 全管 理( 满分 分值 为10分)文 明施 工( 满分 分值 为20分)脚 手架( 满分 分值 为10分)基 坑支 护与 模板 工程(满分 分值 为10分)“ 三宝 四口 ”防 护( 满分 分值 为10分)施 工用 电( 满分 分值 为10分)物 料提 升机 与外 用电 梯( 满分 分值 为10分)塔 吊( 满分 分值 为10分)起 重吊 装( 满分 分值 为5分)施 工机 具( 满分 分值 为5分)----------------------------精品 word 文档 值得下载 值得拥有---------------------------------------------------------------------------------------------------------------------------------------------------------------------------

1、当您付费下载文档后,您只拥有了使用权限,并不意味着购买了版权,文档只能用于自身使用,不得用于其他商业用途(如 [转卖]进行直接盈利或[编辑后售卖]进行间接盈利)。
2、本站所有内容均由合作方或网友上传,本站不对文档的完整性、权威性及其观点立场正确性做任何保证或承诺!文档内容仅供研究参考,付费前请自行鉴别。
3、如文档内容存在违规,或者侵犯商业秘密、侵犯著作权等,请点击“违规举报”。

碎片内容

顺建发〔2024)8号附件1:建设工程施工安全评价阶段评价施工单位评分表

人从众+ 关注
实名认证
内容提供者

欢迎光临小店,本店以公文和教育为主,希望符合您的需求。

确认删除?
VIP
微信客服
  • 扫码咨询
会员Q群
  • 会员专属群点击这里加入QQ群
客服邮箱
回到顶部