电脑桌面
添加小米粒文库到电脑桌面
安装后可以在桌面快捷访问

马家河桥承台施工专项方案VIP免费

马家河桥承台施工专项方案_第1页
1/14
马家河桥承台施工专项方案_第2页
2/14
马家河桥承台施工专项方案_第3页
3/14
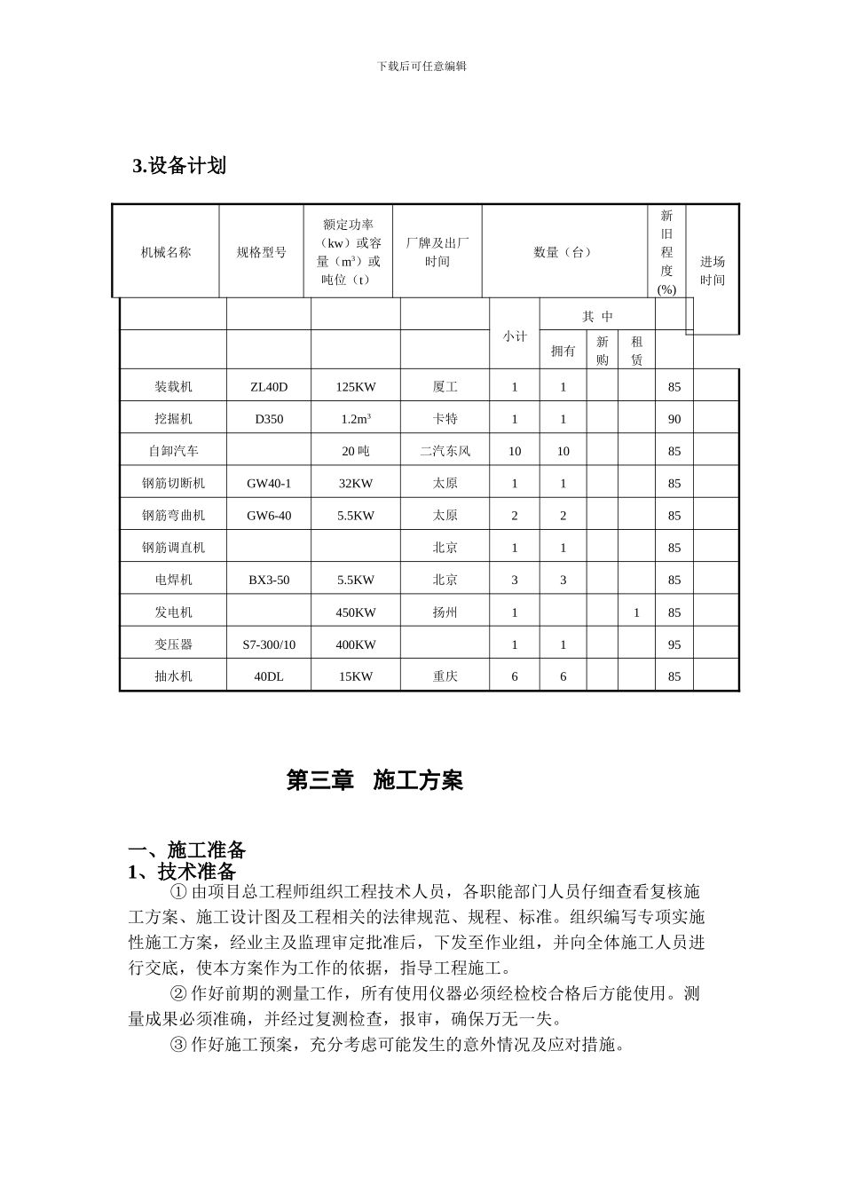
下载后可任意编辑 马 家 河 桥 承台(基坑)专项施工方案编制 审核 审批 五矿二十三冶望城基础设施建设项目经理部 二○一四年九月二十五日 马家河桥承台(基坑)专项施工方案下载后可任意编辑第一章 工程概况 马家河桥桥梁工程西起望府东路道路桩号 K0+67.362,东至道路桩号 K0+127.162,为连接马家河两岸东西向的三跨桥梁,马家河桥中心桩号 K0+97.262,为三跨(13.9+30+13.9)m 钢筋混凝土拱桥,桥梁全长 59.8m,桥梁宽度:21.48m。其中 1、2 号桥墩承台为300cm 厚的 C30 混凝土,平面尺寸为 1200cm×2050cm;0、3 号桥台承台也为 300cm 厚的 C30 混凝土,平面尺寸为 725cm×2148cm。第二章 施工计划1.进度计划本分项工程计划于 2024 年 3 月 15 日开工,2024 年 5 月 1 日完成。工期:45 天2.材料计划开工前制定详细的材料供应计划,加强与材料供应商和厂家的沟通联系,掌握一手资料,确保工程所需材料供应充足、及时。正式开工后,由工程技术部和物资设备部制定下月施工材料计划,并及时报给供货单位。 钢筋(kg)混凝土(m3)横撑(根)钢板桩(t)围令(T)备注1214392按进度进场166712.6按进度进场2075199按进度进场28193782按进度进场φ300 钢管(δ10mm32按进度进场C25 砼226.3按进度进场C30 砼2410.4按进度进场拉森Ⅳ钢板(9m)516按进度进场I20a 工字钢310×27.9=8.4按进度进场种类型号规格下载后可任意编辑 3.设备计划第三章 施工方案一、施工准备1、技术准备① 由项目总工程师组织工程技术人员,各职能部门人员仔细查看复核施工方案、施工设计图及工程相关的法律规范、规程、标准。组织编写专项实施性施工方案,经业主及监理审定批准后,下发至作业组,并向全体施工人员进行交底,使本方案作为工作的依据,指导工程施工。 ② 作好前期的测量工作,所有使用仪器必须经检校合格后方能使用。测量成果必须准确,并经过复测检查,报审,确保万无一失。 ③ 作好施工预案,充分考虑可能发生的意外情况及应对措施。机械名称规格型号额定功率(kw)或容量(m3)或吨位(t)厂牌及出厂时间数量(台)新旧程度(%)进场时间小计其 中拥有新购租赁装载机ZL40D125KW厦工1185挖掘机D3501.2m3卡特1190自卸汽车20 吨二汽东风101085钢筋切断机GW40-132KW太原1185钢筋弯曲机GW6-405.5KW太原2285钢筋调直机北京1185电焊机BX3-505.5KW北京3385发电机450KW扬州1185变压器S7-300/10400KW1195抽水机40DL15KW重...

1、当您付费下载文档后,您只拥有了使用权限,并不意味着购买了版权,文档只能用于自身使用,不得用于其他商业用途(如 [转卖]进行直接盈利或[编辑后售卖]进行间接盈利)。
2、本站所有内容均由合作方或网友上传,本站不对文档的完整性、权威性及其观点立场正确性做任何保证或承诺!文档内容仅供研究参考,付费前请自行鉴别。
3、如文档内容存在违规,或者侵犯商业秘密、侵犯著作权等,请点击“违规举报”。

碎片内容

马家河桥承台施工专项方案

确认删除?
VIP
微信客服
  • 扫码咨询
会员Q群
  • 会员专属群点击这里加入QQ群
客服邮箱
回到顶部