电脑桌面
添加小米粒文库到电脑桌面
安装后可以在桌面快捷访问

栈桥、钢平台设计方案VIP免费

栈桥、钢平台设计方案_第1页
1/42
栈桥、钢平台设计方案_第2页
2/42
栈桥、钢平台设计方案_第3页
3/42
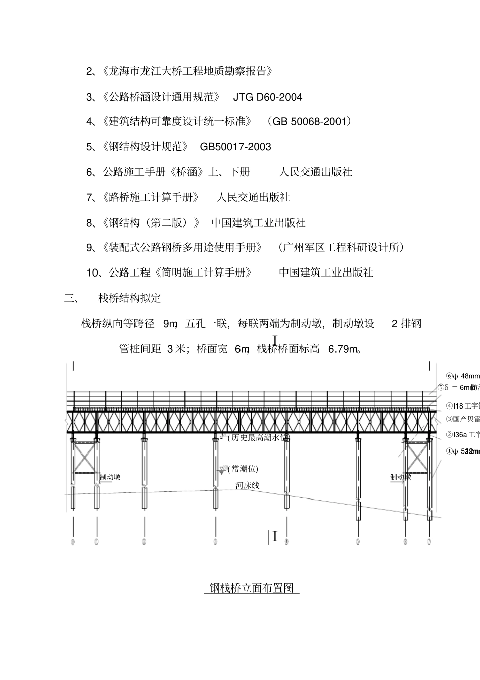
龙海市龙江大桥工程钢栈桥及钻孔平台设计方案和安全保证措施中国水利水电建设集团路桥工程有限公司2013 年 05 月龙海市龙江大桥钢栈桥设计一、基本资料设计中采用流量 Q1%=9010m3/s ,流速 V1%=2.33m/s,潮水位标高为 4.77m,最大潮差 5.00m,设计风压为 800Pa(计算风速:35.8m/s ,12 级以上飓风);根据《龙海市龙江大桥工程地质勘察报告》, 栈桥范围内河床多为淤泥、中砂、卵石土所覆盖,下卧花岗岩,河床标高-7.63m~0m。二、方案设计计算参考资料1、《龙海市龙江大桥工程两阶段施工图设计》2、《龙海市龙江大桥工程地质勘察报告》3、《公路桥涵设计通用规范》JTG D60-20044、《建筑结构可靠度设计统一标准》 (GB 50068-2001)5、《钢结构设计规范》 GB50017-20036、公路施工手册《桥涵》上、下册人民交通出版社7、《路桥施工计算手册》人民交通出版社8、《钢结构(第二版)》 中国建筑工业出版社9、《装配式公路钢桥多用途使用手册》 (广州军区工程科研设计所)10、公路工程《简明施工计算手册》中国建筑工业出版社三、栈桥结构拟定栈桥纵向等跨径9m,五孔一联,每联两端为制动墩,制动墩设2 排钢管桩间距 3 米;桥面宽 6m,栈桥桥面标高6.79m。河床线( 历史最高潮水位)⑥φ 48mm@200cm⑤δ = 6mm防滑钢板④I18 工字钢 @25cm③国产贝雷片①φ 529mm12mm②I36a 工字钢Ⅰ Ⅰ 制动墩制动墩( 常潮位)钢栈桥立面布置图道路中心线地面线⑥φ 48mm@200cm⑤δ = 6mm防滑钢板④I18 工字钢 @25cm③国产贝雷片①φ 529mm12mm②2I36a工字钢钢栈桥横桥向布置图每墩台钢管桩采用3 根φ 426×12mm钢管桩,钢管桩入土深度由计算分析及地质条件决定; 管桩横向采用 [16 槽钢作剪刀撑; 刚性墩的纵向和横向采用[ 16 槽钢作为剪刀撑,以增强其稳定性。钢管桩横桥向支撑大样图钢管桩制动墩纵桥向支撑大样图钢管桩顶帽梁采用2I36 a工字钢,帽梁钢管桩焊接形成整体框架体系;纵梁采用 3 组国产贝雷梁 , 双排单层布置;贝雷梁纵梁上采用I16 工字钢上分配梁横桥向布设,间距30cm;桥面板采用δ = 6mm防滑钢板。桥面安全护栏采用φ48mm钢管。工字钢横梁加劲构造详图贝雷片横向连接及横向位移限位设施四、设计方法1、采用容许应力法设计计算2、容许应力法安全储备系数的设定钢栈桥属临时结构;钢结构容许应力提高系数~见《公路桥涵钢结构及木结构设计规范》(JTJ 025-86 ));本方案取容许应力法计...

1、当您付费下载文档后,您只拥有了使用权限,并不意味着购买了版权,文档只能用于自身使用,不得用于其他商业用途(如 [转卖]进行直接盈利或[编辑后售卖]进行间接盈利)。
2、本站所有内容均由合作方或网友上传,本站不对文档的完整性、权威性及其观点立场正确性做任何保证或承诺!文档内容仅供研究参考,付费前请自行鉴别。
3、如文档内容存在违规,或者侵犯商业秘密、侵犯著作权等,请点击“违规举报”。

碎片内容

栈桥、钢平台设计方案

您可能关注的文档

确认删除?
VIP
微信客服
  • 扫码咨询
会员Q群
  • 会员专属群点击这里加入QQ群
客服邮箱
回到顶部