电脑桌面
添加小米粒文库到电脑桌面
安装后可以在桌面快捷访问

栓钉焊接工艺VIP免费

栓钉焊接工艺_第1页
1/11
栓钉焊接工艺_第2页
2/11
栓钉焊接工艺_第3页
3/11
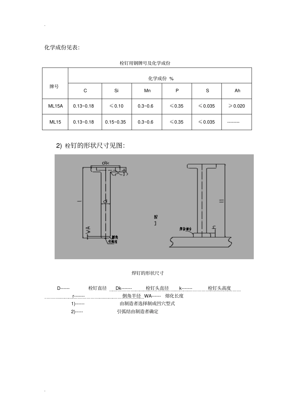
. . 栓钉焊接工艺一、栓钉焊的基本原理和技术条件将金属螺柱焊到工件平面上去的方法叫做螺柱焊。在建筑工程中称栓钉焊。它属于熔态压力焊范畴。栓钉焊又有 2 种:普通栓钉焊和穿透栓钉焊, 普通栓钉焊亦称非穿透栓钉焊。穿透栓钉焊用于组合楼板和组合梁,焊接时,将压型钢板焊透。使栓钉、压型板、和钢构件三者焊接在一起。压型钢板厚0.5 、0.8 、1.0 、1.2 、1.6mm,镀锌。施工中,压型钢板起到底模的作用。栓钉焊机有两种,电弧栓焊机和储能栓钉焊机,储能焊机适用于直径较小的栓钉焊 (? 8mm以下),在建筑工程中栓钉直径较大 (?25mm)以下。因此栓钉焊时均采用电弧栓钉焊机。二、栓钉1) 栓钉材料的机械性能及化学张性能:力学性能见表:栓钉用钢牌号及力学性能牌号力学性能抗拉强酸度 б bN/mm2屈服强度 б sN/mm2伸长率 δ 5% ML15A ML15 ≥400 ≥ 320 ≥14 . . 化学成份见表:栓钉用钢牌号及化学成份牌号化学成份 % C Si Mn P S Ah ML15A 0.13~0.18 ≤0.10 0.3~0.6 ≤0.35 ≤0.035 ≥0.020 ML15 0.13~0.18 0.15~0.35 0.3~0.6 ≤0.35 ≤0.035 -------- 2) 栓钉的形状尺寸见图:焊钉的形状尺寸 D------栓钉直径 Dk-------栓钉头直径 k-------栓钉头高度 r-------倒角半径 WA------熔化长度 1)------由制造者选择制成凹穴型式 2)-----引弧结由制造者确定. . 栓钉的尺寸3) 栓钉表面质量栓钉不必经表面处理。其表面应平滑、洁净,不得有锈蚀、氧化皮、油脂和毛刺等;其杆部表面不允许有影响使用的裂缝,但头部裂缝的深度(径向)不得超过0.25(dk-d)mm。2 瓷环1) 焊接瓷环型式尺寸焊接瓷环型式和尺寸应符合图和表的规定。其中,B1型适用于普通平焊, 也适用于 13mm和 16mm栓钉的穿透平焊; B2型仅适用于 19mm栓钉的穿透平焊。焊接瓷环型式d 公称10 13 16 19 22 25 Min 9.64 12.57 12.57 18.48 21.48 24.48 Max 10 13 16 19 22 25 dk Min 17.65 21.58 28.58 31.5 34.5 39.5 Max 18.35 22.42 29.42 32.5 35.5 40.5 h* 2.5 3 4.5 6 6 7 k Min 6.55 7.55 7.55 9.55 9.55 11.45 Max 7.45 8.45 8.45 10.45 10.45 12.55 r Min 2 2 2 2 3 3 WA参考4 5 5 6 6 6 公称长度 L140~ 180 40~200 50~250 60~300 80~300 80~300 注: 1、h*为指导值,在特殊场合,如穿透平焊,该尺寸可能不同。2、L1...

1、当您付费下载文档后,您只拥有了使用权限,并不意味着购买了版权,文档只能用于自身使用,不得用于其他商业用途(如 [转卖]进行直接盈利或[编辑后售卖]进行间接盈利)。
2、本站所有内容均由合作方或网友上传,本站不对文档的完整性、权威性及其观点立场正确性做任何保证或承诺!文档内容仅供研究参考,付费前请自行鉴别。
3、如文档内容存在违规,或者侵犯商业秘密、侵犯著作权等,请点击“违规举报”。

碎片内容

栓钉焊接工艺

您可能关注的文档

确认删除?
VIP
微信客服
  • 扫码咨询
会员Q群
  • 会员专属群点击这里加入QQ群
客服邮箱
回到顶部