电脑桌面
添加小米粒文库到电脑桌面
安装后可以在桌面快捷访问

桥梁质量评定表VIP专享VIP免费

桥梁质量评定表_第1页
1/39
桥梁质量评定表_第2页
2/39
桥梁质量评定表_第3页
3/39
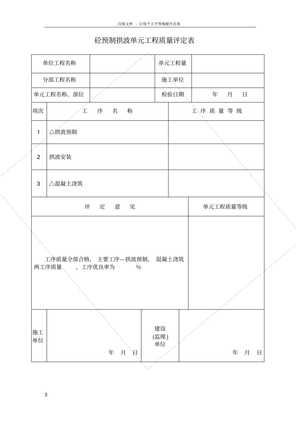
百度文库- 让每个人平等地提升自我1 浆砌石砌筑质量评定表单位工程名称工程量分部工程名称施工单位单元工程名称、部位检验日期项次项目名称质量标准检验结果检查项目1 石料、水泥、砂符合 SL260— 98《堤防工程施工规范》2 砂浆配合比符合设计要求3 浆砌空隙用小石填塞,不得用砂浆填充,坐浆饱满,无空隙4 勾缝无裂缝、脱皮现象检测项目1 砌石厚度允许偏差为设计厚度的±10%总测点数合格点数合格率2 坡面平整2m 靠 尺 检 测 凹 凸 不 超 过5cm 总测点数合格点数合格率检测结果共检测点,合格点,合格率为:%评定意见质量等级检查项目达到质量标准,检测项目合格率%施工单位年月日建设(监理)单位年月日百度文库- 让每个人平等地提升自我2 百度文库- 让每个人平等地提升自我3 砼预制拱波单元工程质量评定表单位工程名称单元工程量分部工程名称施工单位单元工程名称、部位检验日期年月日项次工序名称工 序 质 量 等 级1 △拱波预制2 拱波安装3 △混凝土浇筑评定意见单元工程质量等级工序质量全部合格, 主要工序—拱波预制、 混凝土浇筑两工序质量,工序优良率为%施工单位年月日建设(监理 ) 单位年月日百度文库- 让每个人平等地提升自我4 水利水电工程桥面板预制与铺装单元工程质量评定表单位工程名称单元工程量分部工程名称施工单位单元工程名称、部位检验日期年月日项次工序名称工 序 质 量 等 级1 △桥面板预制2 支座安装3 △桥面板安装4 铰缝处理5 桥面连续6 △桥面铺装7 混凝土止水、伸缩缝和排水管安装8 防撞栏杆评定意见单元工程质量等级工序质量全部合格,主要工序工序质量,工序优良率为%施工单位年月日建设(监理 ) 单位年月日百度文库- 让每个人平等地提升自我5 百度文库- 让每个人平等地提升自我6 水利水电工程支座安装质量评定表单位工程名称单元工程量分部工程名称施工单位单元工程名称、部位检验日期年月日项次检查项目质量标准检验记录1 三角垫层砼标号符合设计要求2 支座型号符合设计要求3 调平楔形块标号符合设计要求项次检测项目设计值允许偏差(mm) 实测值合格数(点) 合格率(%) 1 三角垫长度±5 2 三角垫宽度±53 三角垫厚度 (t/2)±24 三角垫厚度 (t)±25 支座纵向偏差±26 支座横向偏差±27 支座安装高程±58 调平楔形长度±59 调平楔形宽度±510 调平楔形厚度 (最厚端 )±2检测结果共检测点,其中合格点,合格率%。评定意见工程质量等级...

1、当您付费下载文档后,您只拥有了使用权限,并不意味着购买了版权,文档只能用于自身使用,不得用于其他商业用途(如 [转卖]进行直接盈利或[编辑后售卖]进行间接盈利)。
2、本站所有内容均由合作方或网友上传,本站不对文档的完整性、权威性及其观点立场正确性做任何保证或承诺!文档内容仅供研究参考,付费前请自行鉴别。
3、如文档内容存在违规,或者侵犯商业秘密、侵犯著作权等,请点击“违规举报”。

碎片内容

桥梁质量评定表

确认删除?
VIP
微信客服
  • 扫码咨询
会员Q群
  • 会员专属群点击这里加入QQ群
客服邮箱
回到顶部