电脑桌面
添加小米粒文库到电脑桌面
安装后可以在桌面快捷访问

LD128EQ使用说明书VIP免费

LD128EQ使用说明书_第1页
1/12
LD128EQ使用说明书_第2页
2/12
LD128EQ使用说明书_第3页
3/12
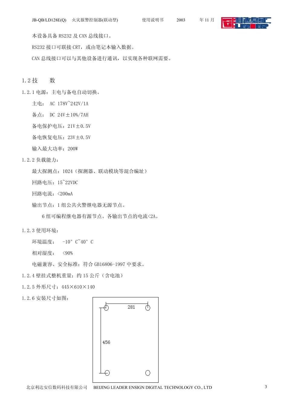
JB-QB/LD128E(Q) 火灾报警控制器(联动型) 使用说明书 2003年11 月 JB-QB/LD128E(Q) 火灾报警控制器(联动型) 使用说明书 目 录 一、系统介绍 ------------------------------------------------------------------------------2 二、系统监测-------------------------------------------------------------------------------------------------------------------- 6 三、联动控制盘---------------------------------------------------------------------------------------------------------------- 12 四、附录:接线端子图------------------------------------------------------------------------------------------------------- 12 北京利达安信数码科技有限公司 BEIJING LEADER ENSIGN DIGITAL TECHNOLOGY CO., LTD 1 JB-QB/LD128E(Q) 火灾报警控制器(联动型) 使用说明书 2003年11 月 一.系统介绍 JB-QB/LD128E(Q)联动型中文火灾报警控制器(以下简称LD128E(Q))是智能化的二总线火灾自动报警设备,采用中文液晶显示,满足《消防联动控制设备通用技术条件GB16806-1997》规范。LD128E(Q)集报警及联动控制于一体,主要针对中、小型消防工程项目设计,广泛应用于宾馆、公寓、商场、餐饮娱乐场所、工厂等,同时它可作为大型工程的区域火灾报警控制器使用。 LD128E(Q)联动控制器可配接 4 个回路,每回路可混接 256 个探测器、联动模块或区显。即 LD128E(Q)联动控制器总容量为 1024 点,其中探测器、联动模块和区显的比例可自由调配。同时它除有一组公共火警继电器输出节点外,还有 6 路继电器有源输出。LD128E(Q)联动控制器具有一个 CAN 总线接口,可与我公司生产的其它控制器形成对等网络,同时具备RS232 接口,可与CRT、楼宇自动化设备及远程消防管理系统相连。 1.1 功能简介 1.1.1 液晶显示 LD128E(Q)采用全液晶中文显示,并配发光二极管指 示系统关 键 状 态 信 息 。液晶的使用使用户 方 便 快 捷 地查 询 系统火灾信 息 及系统工作状 态 ,它的全中文及菜 单 功能使用户 不 必 花 费 大量的时间 来 学 习 系统的操 作方法 ,只 要查 询 菜 单 就 能进 行 操 作。方 便 快 捷 的按 键 方 式 ,使您 能够 快 速 的查 询 到 您 所要的信 息 。 1.1.2 布 线方 式 LD128E(Q)采用二总线回路,总线设计可减 少 工...

1、当您付费下载文档后,您只拥有了使用权限,并不意味着购买了版权,文档只能用于自身使用,不得用于其他商业用途(如 [转卖]进行直接盈利或[编辑后售卖]进行间接盈利)。
2、本站所有内容均由合作方或网友上传,本站不对文档的完整性、权威性及其观点立场正确性做任何保证或承诺!文档内容仅供研究参考,付费前请自行鉴别。
3、如文档内容存在违规,或者侵犯商业秘密、侵犯著作权等,请点击“违规举报”。

碎片内容

LD128EQ使用说明书

您可能关注的文档

确认删除?
VIP
微信客服
  • 扫码咨询
会员Q群
  • 会员专属群点击这里加入QQ群
客服邮箱
回到顶部