电脑桌面
添加小米粒文库到电脑桌面
安装后可以在桌面快捷访问

MB85RC64中文VIP免费

MB85RC64中文_第1页
1/8
MB85RC64中文_第2页
2/8
MB85RC64中文_第3页
3/8
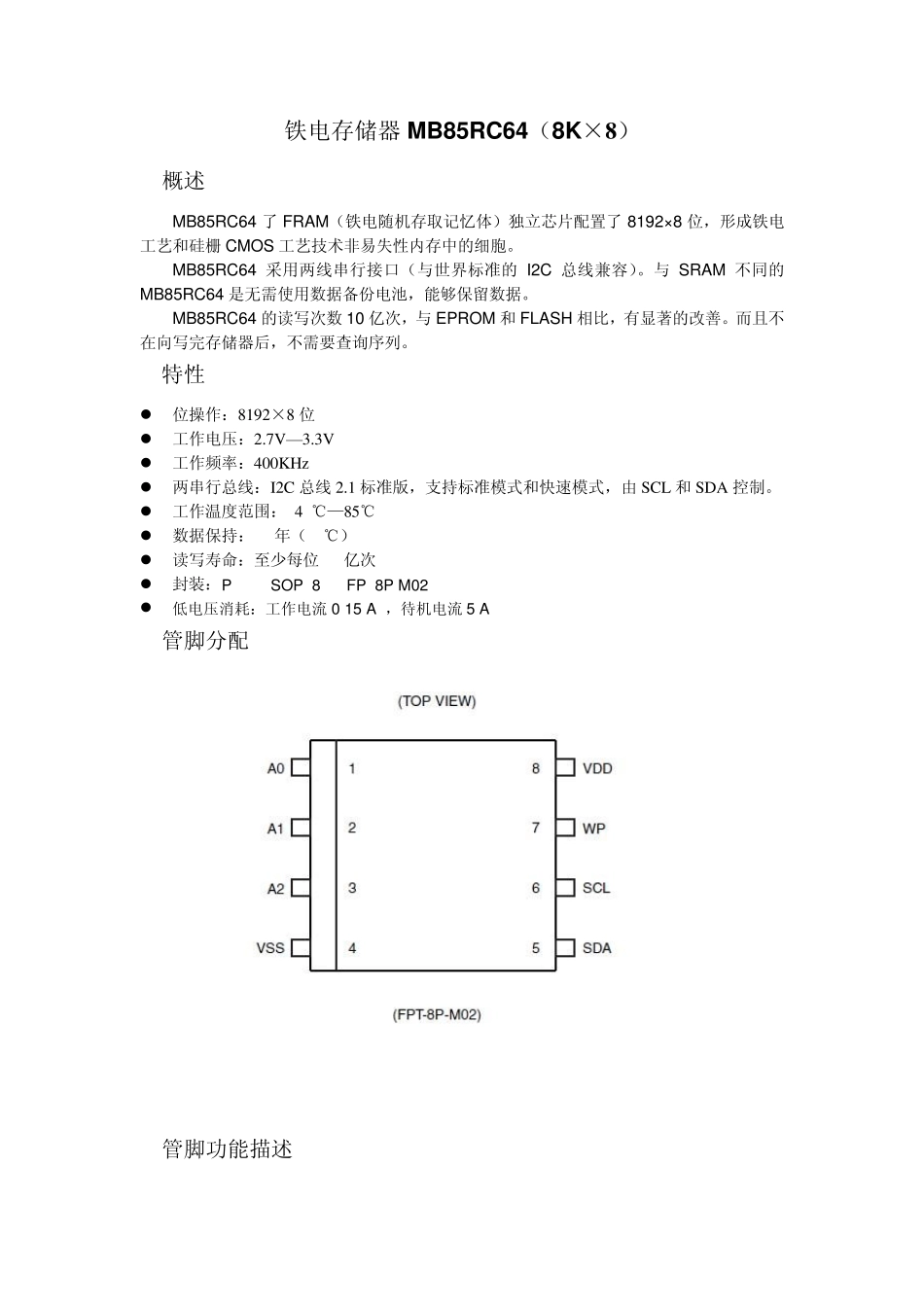
铁电存储器MB85RC64(8K×8) 1.概述 MB85RC64 了 FRAM(铁电随机存取记忆体)独立芯片配置了 8192×8 位,形成铁电工艺和硅栅 CMOS 工艺技术非易失性内存中的细胞。 MB85RC64 采用两线串行接口(与世界标准的 I2C 总线兼容)。与 SRAM 不同的MB85RC64 是无需使用数据备份电池,能够保留数据。 MB85RC64 的读写次数 10 亿次,与 EPROM 和 FLASH 相比,有显著的改善。而且不在向写完存储器后,不需要查询序列。 2.特性  位操作:8192×8 位  工作电压:2.7V—3.3V  工作频率:400KHz  两串行总线:I2C 总线 2.1 标准版,支持标准模式和快速模式,由 SCL 和 SDA 控制。  工作温度范围:-40℃—85℃  数据保持:10年(55℃)  读写寿命:至少每位 10亿次  封装:Plastic / SOP, 8-pin (FPT-8P-M02)  低电压消耗:工作电流 0.15mA ,待机电流 5uA 3.管脚分配 3.管脚功能描述 管教编号 管脚名 功能描述 1—3 A0/A1/A2 器件地址 一个 I2C总线可以连接 8个和 MB85RC64 类似的器件。通过将 A0/A1/A2与 VDD和 VSS连接,确定每个器件的地址。如果 A0/A1/A2未连接,默认为 0。CPU通过 SDA线输出一个地址与器件进行匹配。 4 VSS 数字地 5 SDA 数据 IO串口 这是双向通信的数据 IO口,用来读写铁电存储器的阵列数据,这是开漏极输出,可能是与其它漏极开路(或者集电极开路信号总线)进行线或运算,因此需要一个上拉电阻连接到外部电路。 6 SCL 时钟串口 这是时钟输入口,时钟上升沿进行数据采样,下降沿进行数据输出。 7 WP 写保护 WP是 H电平,禁止写入。WP是 L电平,可进行写数据,如果 WP没有置位,默认为 L电平。而读数据操作,不受 WP管脚的限制。 8 VDD 电源电压 4.模块框图 5.I2C电路 MB85RC64 有两线串行接口,支持 I2C 总线,并作为从器件工作。I2C 总线定义的“主机”和“从机”设备的沟通角色,主机启动总线控制权。此外,通过 I2C 总线,在一个主机可以连接多个从器件。在这种情况下,必须给从器件分配一个唯一的设备地址。 6.I2C通信协议 I2C 总线是双线串行接口,采用了双向数据总线(SDA)和串行时钟(SCL)。数据传输只能由总线主机,这也将提供串行时钟的同步启动。SCL 为低电平时,SDA 信号应该改变。然而,作为一种例外,启动和停止时的通信序列,SDA 被允许改变当 SCL 为高电平。  启动条件...

1、当您付费下载文档后,您只拥有了使用权限,并不意味着购买了版权,文档只能用于自身使用,不得用于其他商业用途(如 [转卖]进行直接盈利或[编辑后售卖]进行间接盈利)。
2、本站所有内容均由合作方或网友上传,本站不对文档的完整性、权威性及其观点立场正确性做任何保证或承诺!文档内容仅供研究参考,付费前请自行鉴别。
3、如文档内容存在违规,或者侵犯商业秘密、侵犯著作权等,请点击“违规举报”。

碎片内容

确认删除?
VIP
微信客服
  • 扫码咨询
会员Q群
  • 会员专属群点击这里加入QQ群
客服邮箱
回到顶部