电脑桌面
添加小米粒文库到电脑桌面
安装后可以在桌面快捷访问

楔式闸阀使用说明书VIP免费

楔式闸阀使用说明书_第1页
1/4
楔式闸阀使用说明书_第2页
2/4
楔式闸阀使用说明书_第3页
3/4
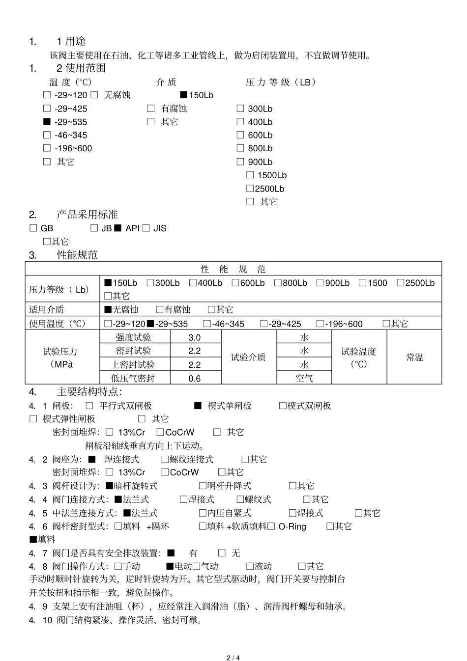
1 / 4 国外标准产品使用说明书阀类:暗 杆 楔 式 闸 阀型号 :Z45W-150Lb DN400 浙 江 良 丰 阀 门 有 限 公 司主要用途和使用范围2 / 4 1.1 用途该阀主要使用在石油、化工等诸多工业管线上,做为启闭装置用,不宜做调节使用。1.2 使用范围温 度(℃)介 质压 力 等 级( LB)□ -29~120 □ 无腐蚀■150Lb□ -29~425 □ 有腐蚀□ 300Lb ■ -29~535 □ 其它□ 400Lb□ -46~345 □ 600Lb□ -196~600 □ 800Lb□ 其它□ 900Lb□ 1500Lb □2500Lb □ 其它2.产品采用标准□ GB □ JB ■ API □ JIS□其它3.性能规范性能规范压力等级( Lb)■150Lb □300Lb □400Lb □600Lb □800Lb □900Lb □1500 □2500Lb□其它适用介质■无腐蚀□有腐蚀□其它使用温度(℃)□-29~120■-29~535 □-46~345 □-29~425 □-196~600 □其它试验压力(MPa)强度试验3.0 试验介质水试验温度(℃)常温密封试验2.2 水上密封试验2.2 水低压气密封0.6 空气4.主要结构特点:4.1 闸板: □ 平行式双闸板■ 楔式单闸板□楔式双闸板□ 楔式弹性闸板□ 其它密封面堆焊:□ 13%Cr □CoCrW □ 其它闸板沿轴线垂直方向上下运动。4.2 阀座为:■焊连接式□螺纹连接式□其它密封面堆焊:□ 13%Cr □CoCrW □其它4.3 阀杆设计为:■暗杆旋转式□明杆升降式□其它4.4 阀门连接方式:■法兰式□焊接式□螺纹式□其它4.5 中法兰连接方式:■法兰式□内压自紧式□焊接式□其它4.6 阀杆密封型式:□填料 +隔环□填料 +软质填料□ O-Ring □其它■填料4.7 阀门是否具有安全排放装置:■有□ 无4.8 阀门操作方式:□手动■电动□气动□液动□其它手动时顺时针旋转为关,逆时针旋转为开。其它型式驱动时,阀门开关要与控制台开关按扭和指示相一致,避免误操作。4.9 支架上安有注油咀(杯),应经常注入润滑油(脂)、润滑阀杆螺母和轴承。4.10 阀门结构紧凑、操作灵活、密封可靠。3 / 4 5.主要外形尺寸:公称通径(DN) 公称压力(MPa) 结构长度(mm) 法兰直径(mm) 螺栓孔中心圆直径(mm) 密封面直径(mm) 螺栓孔数量( n ) 螺栓孔直径( L ) 400 2.0 406 597 539.5 470 16 29 6.主要零件及材料序号零件名称材料碳 钢合 金 钢不锈 钢1 阀体□ WCB □ LCB □ 其它□ WC6 □ LC3 □ WC9 □ 其它■ CF8 □ CF8M □ CF3 □ CF3M...

1、当您付费下载文档后,您只拥有了使用权限,并不意味着购买了版权,文档只能用于自身使用,不得用于其他商业用途(如 [转卖]进行直接盈利或[编辑后售卖]进行间接盈利)。
2、本站所有内容均由合作方或网友上传,本站不对文档的完整性、权威性及其观点立场正确性做任何保证或承诺!文档内容仅供研究参考,付费前请自行鉴别。
3、如文档内容存在违规,或者侵犯商业秘密、侵犯著作权等,请点击“违规举报”。

碎片内容

楔式闸阀使用说明书

您可能关注的文档

确认删除?
VIP
微信客服
  • 扫码咨询
会员Q群
  • 会员专属群点击这里加入QQ群
客服邮箱
回到顶部