电脑桌面
添加小米粒文库到电脑桌面
安装后可以在桌面快捷访问

模拟电路试验VIP免费

模拟电路试验_第1页
1/15
模拟电路试验_第2页
2/15
模拟电路试验_第3页
3/15
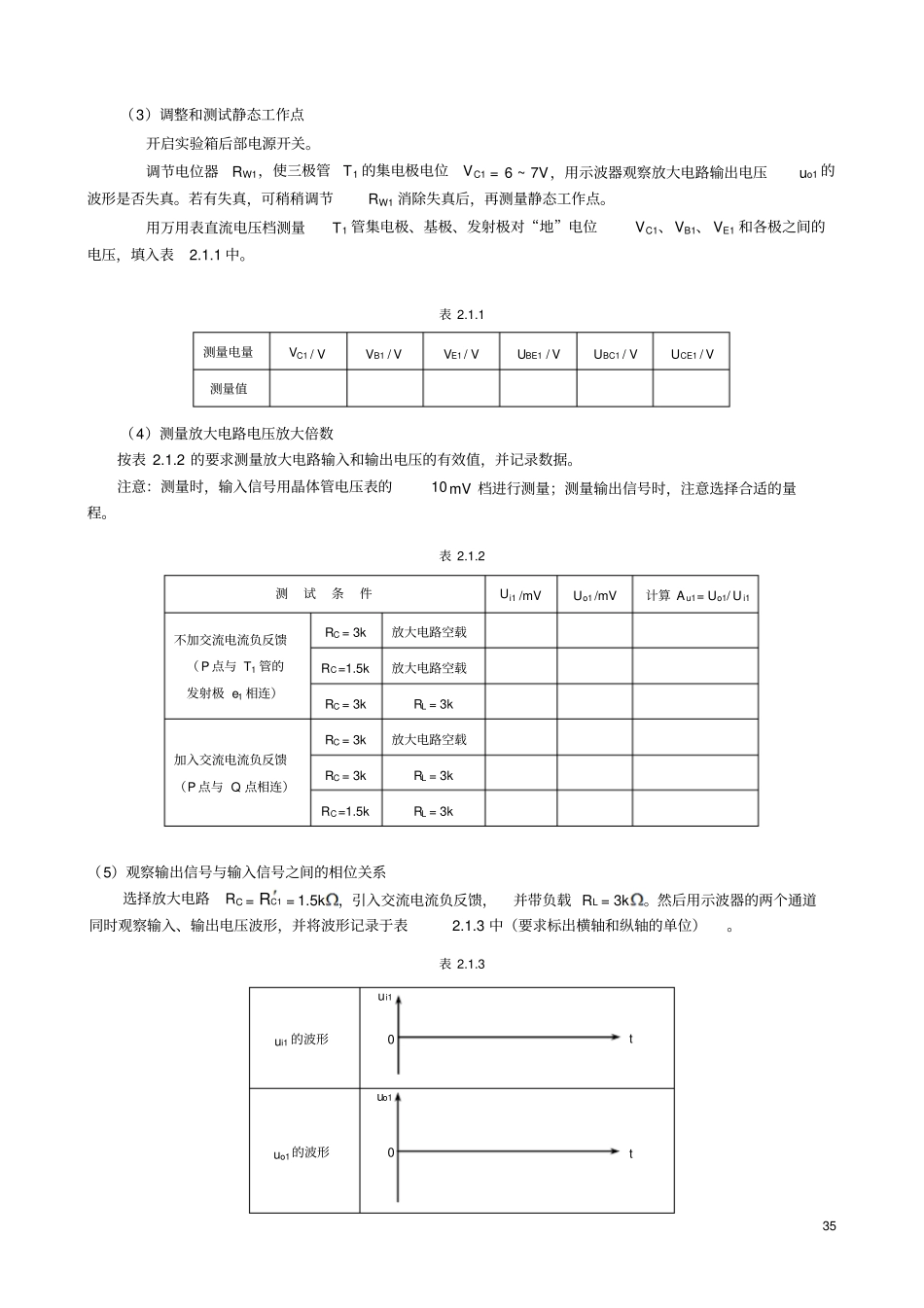
33 第 2 章模拟电子技术实验实验 2.1 电压放大电路1. 实验目的(1)掌握共发射极放大电路的参数对放大电路性能的影响。(2)学习调整交流电压放大电路的静态工作点、测量电压放大倍数。(3)熟悉数字存储示波器、交流毫伏表的使用方法。2. 实验预习要求(1)如何调整放大电路的静态工作点?放大电路电压放大倍数与哪些因素有关?(2)放大电路输出信号波形在哪些情况下可能产生失真?应如何消除失真?3. 实验仪器与设备(1)仪器设备序号名称型 号数 量1 多级放大电路实验板——1 块2 电子技术实验箱TPE ES1BIT 1 台3 双通道函数发生器DG 1022 1 台4 数字式万用表VC9802A+ 1 块5 双通道交流毫伏表DF2172C 1 台6 数字示波器DS1052E 1 台(2)实验板介绍图 2.1.1 是放大电路实验板的印制电路,它由三个单级放大电路组成:T 1 管与其周围元件可以组成一级固定偏置或分压式偏置共发射极放大电路,T 2 管构成一级分压式偏置、并带有电流负反馈的共发射极放大电路,T3 管构成一级射极输出器。第一级放大电路有两个独立的集电极电阻RC1 = 3k、C1R= 1.5k,发射极电阻由E1R和 RE1 串联构成,旁路电容 CE1 用来控制是否引入交流电流负反馈及控制反馈深度。三级放大电路的上偏置电阻RB11、RB21、RB31,都是由一个固定的10 k电阻串联一个电位器构成。调节各电位器,可为各级放大电路设定合适的静态工作点。每一级放大电路相互独立,可根据需要灵活组成单级或多级阻容耦合放大电路。射极输出器既可接在末级,也可接在第一级,或作为中间级,只要改变实验板上的接线即可。实验板上“+ 12V ”用来接直流电源, “输入 ui”用来外接输入信号, “输出 uo”是放大电路的输出端。每级放大电路还有各自独立的输出端uo1、uo2、uo3。实验板的印制电路已将几个“地”端固定连接在一起(电子实验要求整个实验系统共地)。另外实验板还设有几个专用电阻供实验时使用。RL = 3k可作为放大电路的外接负载。RF = 39k为反馈电阻,当需要引入级间电压负反馈时,可将M 点与 uo2、M 点与 T1 的发射极 e1 分别相连。 RS = 3 k可视为信号源的内阻,利用RS 可测量放大电路的输入阻抗。34 (3)LM386 集成功率放大电路本实验所用LM386 的管脚功能如下表所示,实验中电源电压为+UCC = +9V 。电 源 端输 入 端输出端增益设定旁 路+U CC地同相反相uo接 R、C 或开路接电容6 4 3 2 5 1 8 7 4. 实...

1、当您付费下载文档后,您只拥有了使用权限,并不意味着购买了版权,文档只能用于自身使用,不得用于其他商业用途(如 [转卖]进行直接盈利或[编辑后售卖]进行间接盈利)。
2、本站所有内容均由合作方或网友上传,本站不对文档的完整性、权威性及其观点立场正确性做任何保证或承诺!文档内容仅供研究参考,付费前请自行鉴别。
3、如文档内容存在违规,或者侵犯商业秘密、侵犯著作权等,请点击“违规举报”。

碎片内容

模拟电路试验

文库当当响+ 关注
实名认证
内容提供者

该用户很懒,什么也没介绍

相关文档

确认删除?
VIP
微信客服
  • 扫码咨询
会员Q群
  • 会员专属群点击这里加入QQ群
客服邮箱
回到顶部