电脑桌面
添加小米粒文库到电脑桌面
安装后可以在桌面快捷访问

模板X62W型万能铣床的PLC控制系统方案设计书VIP免费

模板X62W型万能铣床的PLC控制系统方案设计书_第1页
1/24
模板X62W型万能铣床的PLC控制系统方案设计书_第2页
2/24
模板X62W型万能铣床的PLC控制系统方案设计书_第3页
3/24
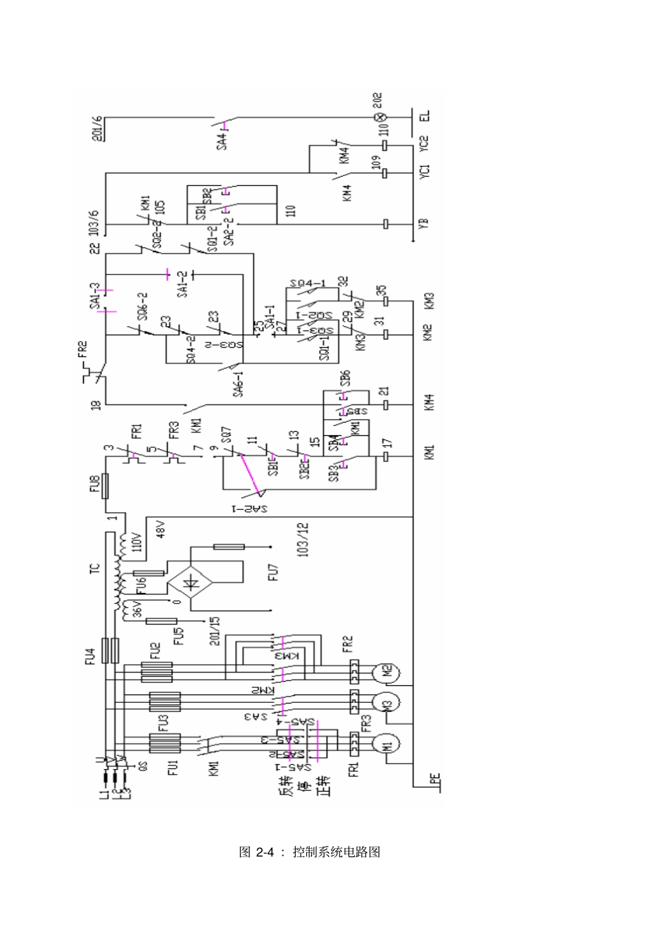
基于 PLC 的万能铣床电气控制系统设计1. 前言我国传统的铣床控制系统都是采用继电器、接触器等硬件逻辑控制电路 , 不但接线复杂 , 而且经常出现故障 , 可靠性比较差。与传统的继电器控制相比 ,PLC 控制具有可靠性高、柔性好、开发周期短以及故障自诊断等特点 , 特别适合应用于铣床的控制和故障诊断系统,可以减少强电元件数目,提高电气控制系统的稳定性和可靠性,从而提高产品的品质和生产效率。故在 PLC广泛应用的控制时代,本设计系统的思想就是采用PLC控制铣床。以达到预定控制系统的简洁性、经济性,减少了成本,也使得维修变的简单。由于PLC的模块化、易扩展性,可根据控制要求及规模的变化进行方便的系统重组及功能的扩展。以及PLC的通信功能甚至可进行远程控制。2. 方案论证2.1 机床传统控制方式2.1.1 设计题目X62W型万能铣床的 PLC控制系统设计。2.1.2 机床的主要结构和运动形式X62W型万能铣床的结构简图如图2-1 所示,由床身 1、悬梁 2、刀杆支架 3、主轴 4、工作台 5 和升降台 6 等组成,刀杆支架3 上安装与主轴相连的刀杆和铣刀,以进行切削加工,顺铣时刀具为一个转动方向,逆铣时为另一个转动方向;床身前面有垂直导轨,升降台 6 带动工作台 5 可沿垂直导轨上下移动,完成垂直方向的进给,升降台6 上的水平工作台还可在左右(纵向)方向上移动进给以及在横向移动进给;回转工作台可单向转动。进给运动的传递示意图见图2-2 。图 2-1:铣床的结构简图图 2-2 :进给运动的传递示意图2.1.3 控制电路分析X62W型万能铣床控制电路如图2-3 ,电路可划分为主电路、控制电路和信号照明电路三部分。铣床控制电路所用电器元件说明如表2-1 所示。(一) 主电路分析铣床是逆铣方式加工,还是顺铣方式加工,开始工作前即已选取定,在加工过程中是不改变的。为简化控制电路,主轴电动机M1正转接线与反转接线是通过组合开关SA5手动转换,控制接触器KM1的主触点只控制电源的接入与切断。进给电动机 M2在工作过程中,频繁变换转动方向,因而仍采用接触器方式构成正转与反转接线。冷却泵驱动电机M3根据加工需要提供切削液,电路中采用转换开关SA3,在主电路中手动直接接通和断开定子绕组的电源。图 2-4 :控制系统电路图表 2-1 电器元件说明表(二)控制电路分析水平工作台 / 圆工作台选择控制见表2-2,主轴上刀制动 / 正常工作控制见表2-3 。表 2-2 水平工作台 / 圆工作台选择开关SA1触点接通...

1、当您付费下载文档后,您只拥有了使用权限,并不意味着购买了版权,文档只能用于自身使用,不得用于其他商业用途(如 [转卖]进行直接盈利或[编辑后售卖]进行间接盈利)。
2、本站所有内容均由合作方或网友上传,本站不对文档的完整性、权威性及其观点立场正确性做任何保证或承诺!文档内容仅供研究参考,付费前请自行鉴别。
3、如文档内容存在违规,或者侵犯商业秘密、侵犯著作权等,请点击“违规举报”。

碎片内容

模板X62W型万能铣床的PLC控制系统方案设计书

您可能关注的文档

确认删除?
VIP
微信客服
  • 扫码咨询
会员Q群
  • 会员专属群点击这里加入QQ群
客服邮箱
回到顶部