电脑桌面
添加小米粒文库到电脑桌面
安装后可以在桌面快捷访问

止水带热硫化施工技术VIP免费

止水带热硫化施工技术_第1页
1/6
止水带热硫化施工技术_第2页
2/6
止水带热硫化施工技术_第3页
3/6
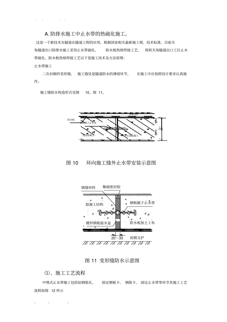
. . . . .. .. .. A. 防排水施工中止水带的热硫化施工。这是一个新技术在隧道在隧道工程的应用,根据国家相关最新施工规、技术标准,目前关角隧道出口防排水施工采用止水带硫化、防水板热熔焊接工艺,现将关角隧道出口工区止水带硫化、防水板热熔焊接工艺以下是施工技术及方法原理:止水带施工二次衬砌的变形缝、施工缝处是隧道防水的薄弱环节,在施工中应按照设计要求认真施作。施工缝防水构造形式见图10、图 11。先浇混凝土后浇混凝土钢板腻子止水带B/2B/2初期支护防水板图 10 环向施工缝外止水带安装示意图混凝土结构填缝材料聚硫密封胶镀锌钢板接水盒钢板腻子止水带初期支护防水板加土工布20~30图 11 变形缝防水示意图⑴、施工工艺流程中埋式止水带施工包括钻钢筋孔、固定钢板卡、 钢筋卡、 固定止水带等环节其施工工艺流程如图 12 所示. . . . .. .. .. ⑵、施工方法及步骤橡胶止水带沿衬砌轴线每隔0.5~1.0m 钻一φ 12 的钢筋孔。 将制成的钢筋卡穿过挡头模板,侧卡紧止水带一半,另一半止水带平靠在挡头板上,待混凝土凝固后拆除挡头板,将止水带拉直,然后弯钢筋卡紧止水带(其施作方法示意见图13)。图 13 中埋式止水带施工方法示意图⑶、 止水带施工控制要点①止水带埋设位置应准确,其中间空心圆环应与变形缝重合。②中埋式止水带应固定在挡头模板上,先安装一端, 浇筑混凝土时另一端应用箱型模板保护,固定时只能在止水带的允许部位上穿孔打洞,不得损坏止水带本体部分;③固定止水带时,应防止水带偏移,以免单侧缩短,影响止水效果。④止水带定位时,应使其在界面部位保持平展,不得使橡胶止水带翻滚、扭结,如发现有扭结不展现象应及时进行调正。⑤止水带的长度应根据施工要求事先向生产厂家定制(一环长),尽量避免接头。如确需接头,应满足以下要求(见图14):挡头模板钻钢筋孔固定钢筋卡固定止水带下一环止水带定位拆挡头板灌注混凝土先浇混凝土围 岩防水板止水带模板台车钢筋卡钢筋卡模板台车端头模板止水带防水板围 岩. . . . .. .. .. 热硫化连接热硫化连接热硫化连接搭接对接 ( 推荐形式)≥10 cm复合接 ( 推荐形式)≥10 cm热硫化连接图 14 止水带接头形式⑥橡胶止水带接头必须粘接良好,不应采用不加处理的”搭接”。⑦止水带粘接前应做好接头表面的清刷与打毛,接头处选在衬砌结构应力较小的部位,粘接可采用热硫化连接的方法,搭接长度不得小于15~20cm,焊接缝宽度...

1、当您付费下载文档后,您只拥有了使用权限,并不意味着购买了版权,文档只能用于自身使用,不得用于其他商业用途(如 [转卖]进行直接盈利或[编辑后售卖]进行间接盈利)。
2、本站所有内容均由合作方或网友上传,本站不对文档的完整性、权威性及其观点立场正确性做任何保证或承诺!文档内容仅供研究参考,付费前请自行鉴别。
3、如文档内容存在违规,或者侵犯商业秘密、侵犯著作权等,请点击“违规举报”。

碎片内容

止水带热硫化施工技术

您可能关注的文档

确认删除?
VIP
微信客服
  • 扫码咨询
会员Q群
  • 会员专属群点击这里加入QQ群
客服邮箱
回到顶部