电脑桌面
添加小米粒文库到电脑桌面
安装后可以在桌面快捷访问

X射线照相法探伤实验VIP免费

X射线照相法探伤实验_第1页
1/6
X射线照相法探伤实验_第2页
2/6
X射线照相法探伤实验_第3页
3/6
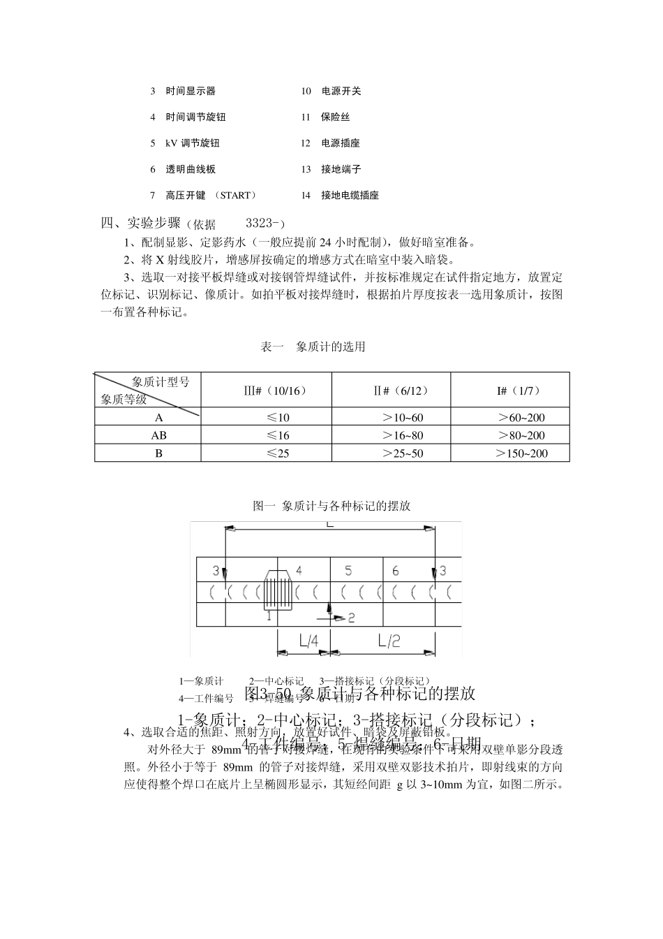
X 射线照相法探伤实验 一、实验目的 1.通过 X 射线照相法探伤实验,使学生进一步了解射线探伤的原理及应用。 2.熟悉 X 射线探伤的工艺过程,了解 X 射线机的使用方法和操作步骤。 3.初步掌握 X 射线照相法探伤中依据有关标准判定缺陷的方法。 二、实验原理 X 射线照相法探伤是利用 X 射线在物资中的衰减规律和射线能使某些物质产生荧光、光化作用的特点,将射线穿过被探工件照射到 X 射线胶片上使胶片感光,再经过暗室处理,得到反映工件内部情况的照相底片,利用这种底片在强光灯上分析,从而判断被探工件内部质量。 三、实验设备及用品 1、实验设备 工业用 X 射线探伤机 观片灯 胶片衡温干燥箱 黑度计 2、实验用品 评片尺、像质计、X 射线胶片、暗袋、增感屏、铅字标记、 显影药水、定影药水、洗片夹等 附 XXQ-2505 型便携式 X 射线探伤机外观图 1 工作状态指示灯(B) 8 高压开关 2 工作状态指示灯(A) 9 高压保护锁 3 时间显示器 10 电源开关 4 时间调节旋钮 11 保险丝 5 kV 调节旋钮 12 电源插座 6 透明曲线板 13 接地端子 7 高压开键 (START) 14 接地电缆插座 四、实验步骤(依据GB3323-87) 1、配制显影、定影药水(一般应提前24 小时配制),做好暗室准备。 2、将X 射线胶片,增感屏按确定的增感方式在暗室中装入暗袋。 3、选取一对接平板焊缝或对接钢管焊缝试件,并按标准规定在试件指定地方,放置定位标记、识别标记、像质计。如拍平板对接焊缝时,根据拍片厚度按表一选用象质计,按图一布置各种标记。 表一 象质计的选用 象质计型号 象质等级 Ⅲ#(10/16) Ⅱ#(6/12) I#(1/7) A ≤10 >10~60 >60~200 AB ≤16 >16~80 >80~200 B ≤25 >25~50 >150~200 图一 象质计与各种标记的摆放 1—象质计 2—中心标记 3—搭接标记(分段标记) 4—工件编号 5—焊缝编号 6—日期 4、选取合适的焦距、照射方向,放置好试件、暗袋及屏蔽铅板。 对外径大于 89mm 的管子对接焊缝,在现有的实验条件下可采用双壁单影分段透照。外径小于等于 89mm 的管子对接焊缝,采用双壁双影技术拍片,即射线束的方向应使得整个焊口在底片上呈椭圆形显示,其短经间距 g 以 3~10mm 为宜,如图二所示。 图3-50 象质计与各种标记的摆放1-象质计;2-中心标记;3-搭接标记(分段标记);4-工件编号;5-焊缝编号;6-日期 图二 对接钢管焊缝...

1、当您付费下载文档后,您只拥有了使用权限,并不意味着购买了版权,文档只能用于自身使用,不得用于其他商业用途(如 [转卖]进行直接盈利或[编辑后售卖]进行间接盈利)。
2、本站所有内容均由合作方或网友上传,本站不对文档的完整性、权威性及其观点立场正确性做任何保证或承诺!文档内容仅供研究参考,付费前请自行鉴别。
3、如文档内容存在违规,或者侵犯商业秘密、侵犯著作权等,请点击“违规举报”。

碎片内容

X射线照相法探伤实验

小辰9+ 关注
实名认证
内容提供者

出售各种资料和文档

确认删除?
VIP
微信客服
  • 扫码咨询
会员Q群
  • 会员专属群点击这里加入QQ群
客服邮箱
回到顶部