电脑桌面
添加小米粒文库到电脑桌面
安装后可以在桌面快捷访问

气缸盖拆装与检测VIP免费

气缸盖拆装与检测_第1页
1/2
气缸盖拆装与检测_第2页
2/2
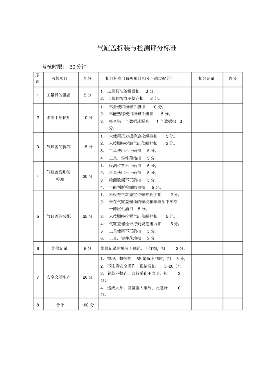
气缸盖拆装与检测评分标准考核时限: 30 分钟序号考核项目配分扣分标准(每项累计扣分不超过配分)扣分记录得分1 工量具的准备5 分1、工量具准备错误扣3 分。2、工量具摆放不整齐扣2 分。2 维修手册使用10 分1、 不会使用维修手册扣10 分。2、 不能熟练使用维修手册扣5 分。3、 每查错一个数据或漏查1 个数据扣3分。3 气缸盖的拆卸15 分1、 未使用扭力扳手旋松螺栓扣5 分。2、 未按顺序拆卸气缸盖螺栓扣2 分。3、 工具使用不正确扣5 分。4、 工具、零件落地扣3 分。4 气缸盖变形的检测20 分1、 检测位置不正确扣5 分。2、 量具使用不正确扣5 分。3、 检测数据不正确扣5 分。4、 不能判断检测结果扣5 分。5 气缸盖的装配25 分1、 未检查气缸盖定位螺栓长度扣2 分。2、 未在气缸盖螺栓的螺纹和螺栓头下部涂一薄层机油扣5 分。3、 未按顺序拧紧气缸盖螺栓扣5 分。4、 气缸盖螺栓未拧到规定扭力扣5 分。5、 工具使用不正确扣5 分。6、 工具、零件落地扣3 分。6 维修记录5 分维修记录的填写不规范、不详细,扣3 分。7 安全文明生产20 分1、整理、整顿等5S 情况不到位,扣5 分;2、不注重安全操作,视情况扣5~20 分;3、着装不整齐、言行举止不文明,扣3分;4、造成人身、设备重大事故,此题计0分。8 合计100 分气缸盖拆装与检测操作工单班级:姓名:时间:年月日考核时限: 30 分钟车型发动机型号一、准备工作情况记录(1)工量具及仪器设备准备(2)维修手册准备(3)固定发动机拆装台架二、操作过程气缸盖的拆卸气缸盖螺栓拆卸顺序:气缸盖变形的检测测量结果:第 1 次( mm)第 2 次(mm)第 3 次(mm)第 4 次( mm)第 5 次(mm)第 6 次(mm)最终测量结果气缸盖下平面平面度气缸盖的装配气缸盖螺栓安装顺序:气缸盖螺栓拧紧力矩:三、维修结论:查维修手册,该发动机气缸盖最大翘曲变形是。根据测量结果,提出维修方案:

1、当您付费下载文档后,您只拥有了使用权限,并不意味着购买了版权,文档只能用于自身使用,不得用于其他商业用途(如 [转卖]进行直接盈利或[编辑后售卖]进行间接盈利)。
2、本站所有内容均由合作方或网友上传,本站不对文档的完整性、权威性及其观点立场正确性做任何保证或承诺!文档内容仅供研究参考,付费前请自行鉴别。
3、如文档内容存在违规,或者侵犯商业秘密、侵犯著作权等,请点击“违规举报”。

碎片内容

气缸盖拆装与检测

爱的疯狂+ 关注
实名认证
内容提供者

该用户很懒,什么也没介绍

确认删除?
VIP
微信客服
  • 扫码咨询
会员Q群
  • 会员专属群点击这里加入QQ群
客服邮箱
回到顶部