电脑桌面
添加小米粒文库到电脑桌面
安装后可以在桌面快捷访问

氢化丁腈橡胶及其在汽车传动带中应用技术VIP免费

氢化丁腈橡胶及其在汽车传动带中应用技术_第1页
1/13
氢化丁腈橡胶及其在汽车传动带中应用技术_第2页
2/13
氢化丁腈橡胶及其在汽车传动带中应用技术_第3页
3/13
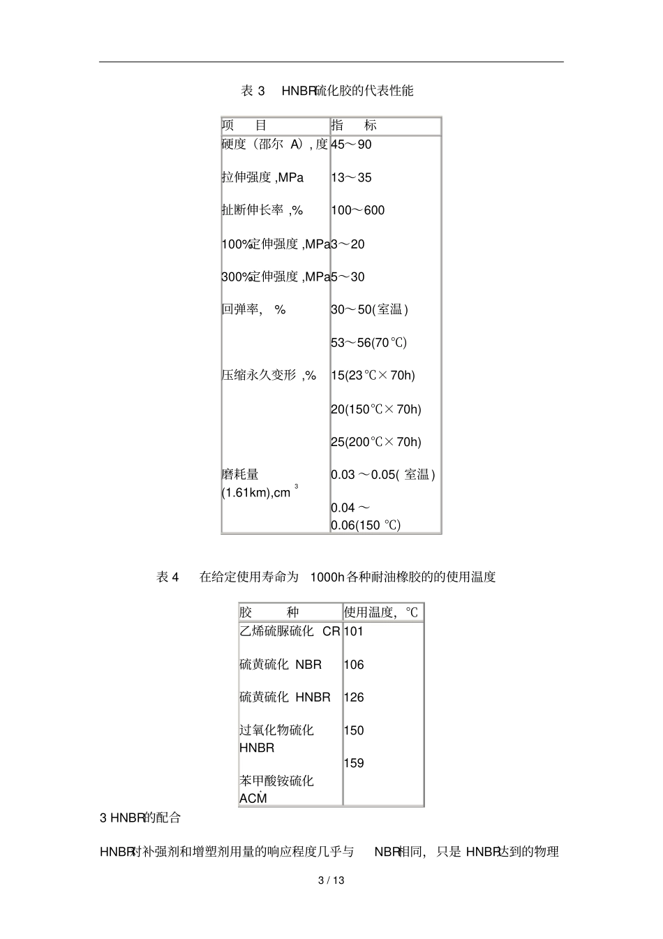
1 / 13 氢化丁腈橡胶及其在 汽车传动 带中的应用molds.cn 发布: 2008-6-6 10:44:41 来自:模具网浏览:次氢化丁腈橡胶( HNBR)与传统的丁腈橡胶( NBR)相比,其分子结构中含有少量或不含碳碳双键( C=C),它不仅具有 NBR的耐油、耐磨、耐低温等性能,而且还具有更优异的耐热氧老化、耐臭氧、耐化学介质、良好的动态性能等,是目前最具发展潜力的橡胶品种之一, 在许多方面已取代了氟橡胶等其它特种橡胶,已广泛地应用于汽车、油田等工业领域。尤其是汽车用传动带,已占其用量的50%以上。HNBR最早由德国 Bayer 公司于 1984 年小批量生产,商品名为 Therban;日本 Zeon公司也在同年建厂生产, 商品名为 Zetpol ;随后加拿大的 Polysar 公司亦于 1988年投产,商品名为 Tornac(被 Bayer 兼并,已无此牌号) ;我国兰化公司于 1999年开发成功, 牌号:LH-9901、LH9902。目前,世界 HNBR总生产能力约 7 500t/a ,其中日本占五成、欧洲占三成、北美占二成。在欧洲其消耗量55%为传动带、密封件 20%、胶管 11%、电缆 5%、其它 9%[1] 。1 HNBR品种国外各厂家 HNBR商品牌号列于表 1、表 2。Zeon的牌号前两位数字表示丙烯腈(ACN)含量, 20 和 10 分别表示 ACN含量 36%和 44%;后两位数字表示饱和度,数字越小饱和度越高,反之亦然。Bayer 的牌号 A、B、C表示饱和度为 99.5%、98%、95%,前两位数字表示 ACN含量,后两位数字表示门尼粘度代号。Zeon公司和 Bayer 公司还开发一种由HNBR与聚二异丁烯酸锌( ZDMA)或丙烯酸锌(ZMA)共混而成的复合体( Zeon商品名为 ZSC,Bayer 商品名为 ART),具有非常高的物理机械性能,在伸长率、硬度保持不变情况下,拉伸强度可高达50MPa,并具有高的韧性、耐油、耐磨及动态性能[2] 。适于制造传动带的品种有: Zeon公司的 Zetpol 2020、Zetpol 2020L、ZSC 2295L;Bayer 公司的 Therban C3446、Therban C3447、Therban VP KA 8796 等。表 1 Zeon 公司 HNBR的商品牌号商品牌号ACN含量% 碘值 g/100g 门尼粘度 ML1+4100 Zetpol 1020 44.0 25 78 Zetpol 1010 44.0 10 85 Zetpol 2020 36.0 28 78 Zetpol 2020L 36.0 28 57.5 Zetpol 2010 36.0 11 85 Zetpol 2010L 36.0 11 57.5 Zetpol 2000 36.0 4 85 Zetpol 2000L 36.0 4 65 2 / 13 ZSC 2295 ——88 ZSC 2295L ——70 表 2 Baye...

1、当您付费下载文档后,您只拥有了使用权限,并不意味着购买了版权,文档只能用于自身使用,不得用于其他商业用途(如 [转卖]进行直接盈利或[编辑后售卖]进行间接盈利)。
2、本站所有内容均由合作方或网友上传,本站不对文档的完整性、权威性及其观点立场正确性做任何保证或承诺!文档内容仅供研究参考,付费前请自行鉴别。
3、如文档内容存在违规,或者侵犯商业秘密、侵犯著作权等,请点击“违规举报”。

碎片内容

氢化丁腈橡胶及其在汽车传动带中应用技术

文库当当响+ 关注
实名认证
内容提供者

该用户很懒,什么也没介绍

确认删除?
VIP
微信客服
  • 扫码咨询
会员Q群
  • 会员专属群点击这里加入QQ群
客服邮箱
回到顶部