电脑桌面
添加小米粒文库到电脑桌面
安装后可以在桌面快捷访问

《山东省建筑工程消耗量定额》计算规则、定额解释、定额说明(2011.10整理)VIP免费

《山东省建筑工程消耗量定额》计算规则、定额解释、定额说明(2011.10整理)_第1页
1/56
《山东省建筑工程消耗量定额》计算规则、定额解释、定额说明(2011.10整理)_第2页
2/56
《山东省建筑工程消耗量定额》计算规则、定额解释、定额说明(2011.10整理)_第3页
3/56
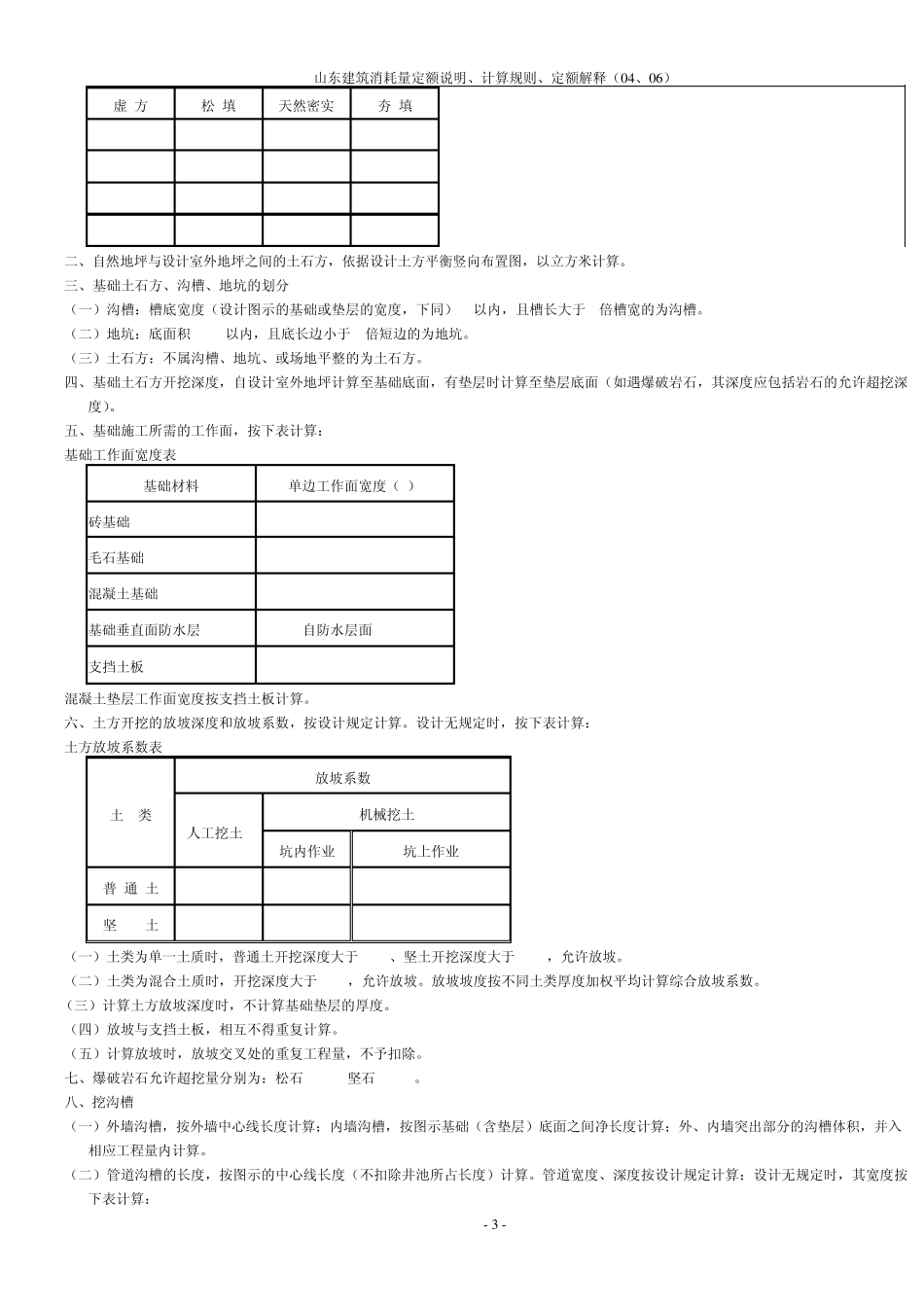
山东建筑消耗量定额说明、计算规则、定额解释(0 4 、0 6 ) - 1 - 《山东省建筑工程消耗量定额》定额说明及计算规则、定额解释 总说明 一、《山东省建筑工程消耗量定额》(以下简称本定额)是在《全国统一建筑工程基础定额》的基础上,依据国家现行有关工程建设标准,结合我省的实际情况编制的。本定额共分十章,包括:土石方工程;地基处理与防护工程;砌筑工程;钢筋及混凝土工程;门窗及木结构工程;屋面防水、保温及防腐工程;金属结构制作工程;构筑物及其他工程;装饰工程;施工技术措施项目。 二、本定额适用我省行政区域内的一般工业与民用建筑的新建、扩建和改建工程及新建装饰工程。 三、本定额是完成规定计量单位分部分项工程所需人工、材料、机械台班消耗量的标准;是编制招标标底的依据;是编制施工图预算,确定工程造价以及编制概算定额、估算指标的基础。 四、本定额是按照正常的施工条件,合理的施工工期、施工组织设计编制的,反映社会平均消耗水平。 五、本定额中人工工日消耗量以《全国建筑安装工程统一劳动定额》为基础计算,内容包括:基本用工、辅助用工、超运距用工及人工幅度差。人工工日不分工种、技术等级,以综合工日表示。 六、本定额中材料消耗: (一)本定额材料(成品、半成品、配件等)按符合质量标准和设计要求的合格产品确定。 (二)本定额包括主要材料及其他材料。其他材料以占材料费百分比表示。 (三)本定额中包括材料施工损耗、材料(成品、半成品、配件等)从工地仓库至加工地点或操作地点的运输损耗等。 七、本定额中机械消耗: (一)本定额机械台班消耗量包括机械台班消耗量和机械幅度差。以不同种类的机械分别表示。 (二)本定额中其他机械(超高机械增加中的其他机械降效除外)以占机械费百分比表示。 (三)大型机械安拆及场外运输,按《山东省建筑工程费用项目构成及计算规则》中的有关规定计算。 八、本定额的工作内容仅对其主要施工工序进行了说明,次要工序虽未说明,但均已包括在定额中。 九、本定额中凡注有“×××以内”或“×××以下”者,均包括“×××”本身;凡注有“×××以外”或“×××以上”者,则不包括“×××” 本身。 第一章 土石方工程 土石方工程定额说明: 一、本章包括单独土石方、人工土石方、机械土石方、平整、清理及回填等内容。 二、单独土石方定额项目,适用于自然地坪与设计室外地坪之间,且挖方或填方工程量大于 5000m3的...

1、当您付费下载文档后,您只拥有了使用权限,并不意味着购买了版权,文档只能用于自身使用,不得用于其他商业用途(如 [转卖]进行直接盈利或[编辑后售卖]进行间接盈利)。
2、本站所有内容均由合作方或网友上传,本站不对文档的完整性、权威性及其观点立场正确性做任何保证或承诺!文档内容仅供研究参考,付费前请自行鉴别。
3、如文档内容存在违规,或者侵犯商业秘密、侵犯著作权等,请点击“违规举报”。

碎片内容

《山东省建筑工程消耗量定额》计算规则、定额解释、定额说明(2011.10整理)

您可能关注的文档

小辰5+ 关注
实名认证
内容提供者

出售各种资料和文档

确认删除?
VIP
微信客服
  • 扫码咨询
会员Q群
  • 会员专属群点击这里加入QQ群
客服邮箱
回到顶部