电脑桌面
添加小米粒文库到电脑桌面
安装后可以在桌面快捷访问

汽车吊上楼板作业计算

汽车吊上楼板作业计算_第1页
1/4
汽车吊上楼板作业计算_第2页
2/4
汽车吊上楼板作业计算_第3页
3/4
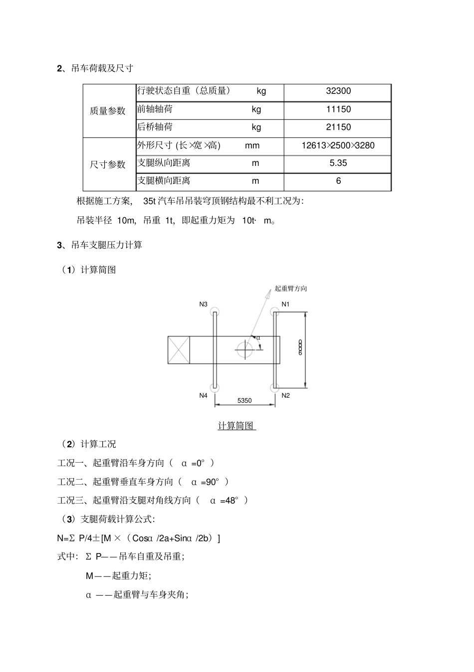
无锡惠山万达广场大商业采光顶工程35t 汽车吊上结构楼板计算书1、概况圆形采光顶钢结构为跨度31.6m 单层网壳结构,网壳顶标高25.6m,主要由 GC-1、GC-2、GC-3、GC-4 构件组成,其中 GC-1、GC-3 为主龙骨,其余为连系件(如下图所示)。DCECFCHC8400840084003200320011200900090002300GC-1GC-3GC-4GC-2圆形采光顶钢结构平面图112009000900015.900(4F)25.600DCECFCHC18509700混凝土结构混凝土结构GC-1矩形钢管圆形采光顶钢结构剖面图2、吊车荷载及尺寸质量参数行驶状态自重(总质量)kg 32300 前轴轴荷kg 11150 后桥轴荷kg 21150 尺寸参数外形尺寸 (长×宽×高) mm 12613×2500×3280 支腿纵向距离m 5.35 支腿横向距离m 6 根据施工方案, 35t 汽车吊吊装穹顶钢结构最不利工况为:吊装半径 10m,吊重 1t,即起重力矩为 10t· m。3、吊车支腿压力计算(1)计算简图α起重臂方向N1N2N4N353506000计算简图(2)计算工况工况一、起重臂沿车身方向(α =0° )工况二、起重臂垂直车身方向(α =90° )工况三、起重臂沿支腿对角线方向(α =48° )(3)支腿荷载计算公式:N=Σ P/4±[M ×( Cosα /2a+Sinα /2b)] 式中: Σ P——吊车自重及吊重;M——起重力矩;α ——起重臂与车身夹角;a——支腿纵向距离;b——支腿横向距离。(4)计算结果A、工况一、起重臂沿车身方向(α =0° )N1=N2=Σ P/4+[M×( Cosα /2a+Sinα /2b)] =(32.3+1)/4+10×( 1/10.7)=9.26t N3=N4=Σ P/4-[M ×( Cosα /2a+Sinα /2b)] =(32.3+1)/4-10×( 1/10.7)=7.39t B、工况一、起重臂垂直车身方向(α =90° )N1=N3=Σ P/4+[M×( Cosα /2a+Sinα /2b)] =(32.3+1)/4+10×( 1/12)=9.16t N2=N4=Σ P/4-[M ×( Cosα /2a+Sinα /2b)] =(32.3+1)/4-10×( 1/12)=7.49t C、工况一、起重臂沿支腿对角线方向(α =52° )N1=Σ P/4+[M×( Cosα /2a+Sinα /2b)] =(32.3+1)/4+10×( Cos52° /10.7+Sin52° /12)=9.57t N4=Σ P/4-[M ×(Cosα /2a+Sinα /2b)] =(32.3+1)/4-10×( Cos52° /10.7+Sin52° /12)=7.09t N2=Σ P/4-[M ×(Cosα /2a-Sinα /2b)] =(32.3+1)/4-10×( Cos52° /10.7-Sin52° /12)=8.41tt N3=Σ P/4+[M×( -Cosα /2a+Sinα /2b)] =(32.3+1)/4+10×( -Cos52° /10.7+Sin52° /12)=8.41t 3...

1、当您付费下载文档后,您只拥有了使用权限,并不意味着购买了版权,文档只能用于自身使用,不得用于其他商业用途(如 [转卖]进行直接盈利或[编辑后售卖]进行间接盈利)。
2、本站所有内容均由合作方或网友上传,本站不对文档的完整性、权威性及其观点立场正确性做任何保证或承诺!文档内容仅供研究参考,付费前请自行鉴别。
3、如文档内容存在违规,或者侵犯商业秘密、侵犯著作权等,请点击“违规举报”。

碎片内容

汽车吊上楼板作业计算

您可能关注的文档

确认删除?
VIP
微信客服
  • 扫码咨询
会员Q群
  • 会员专属群点击这里加入QQ群
客服邮箱
回到顶部