电脑桌面
添加小米粒文库到电脑桌面
安装后可以在桌面快捷访问

汽车焊接要求分析

汽车焊接要求分析_第1页
1/6
汽车焊接要求分析_第2页
2/6
汽车焊接要求分析_第3页
3/6
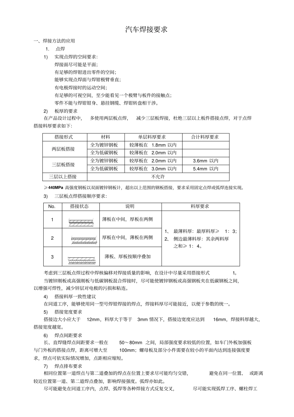
汽车焊接要求一、焊接方法的应用1.点焊1)实现点焊的空间要求:焊接面尽可能是平面;有足够的焊钳进出零件的空间;能够实现点焊面与焊钳极臂垂直;有电极焊接时的运动空间;有足够的可视空间,至少能看见一个极臂与板件的接触点;零件不能与焊钳钳身、悬挂钢缆、焊钳转盘相干涉。2)板厚的要求在产品设计过程中,多使用两层板点焊,减少三层板焊接,杜绝三层以上板件搭接点焊,对于点焊搭接料厚要求如下:≥440MPa 高强度钢板以双面镀锌钢板计,超出以上范围的钢板搭接,要求采用固定点焊或弧焊连接实现。3)三层板点焊搭接顺序要求:考虑到三层板点焊过程中焊核偏移对焊接质量的影响,在设计中尽量采用搭接形式1。当镀锌刚板或高强刚板与低碳钢板混合焊接时,尽可能使镀锌钢板或高强钢板夹在低碳钢板之间,以增强可焊性,减少锌层对电极的污损和粘连。4)搭接料厚一致性建议在同道工序,能够使用同一型号焊钳焊接的焊点,焊接料厚尽可能接近,以便于参数的统一。5)搭接宽度要求搭接边大小应大于12mm,料厚大于等于3mm 情况下,搭接边宽度应达到16mm,焊接料厚越大,搭接宽度越宽。6)焊点间距要求长、直焊缝焊点间距要求一般在50~80mm 之间,局部强度要求较低的位置,如车门外板加强板与门外板的搭接点焊,距离可增大至100mm;螺母板及部分小件需要在较小的平面内达到连接强度要求,焊点可依实际情况增加,点距相应缩短。7)焊点排布要求相同位置第一道焊点与第二道叠加的焊点在位置上要求尽可能均匀交错,避免在同一位置、 或距离较近位置第一道、第二道焊点叠加,影响焊接强度。弧焊亦如此。尽可能避免在同道工序内,点焊、弧焊等各种焊接方式反复交叉,尽可能实现弧焊工序、螺柱焊工搭接形式材料单层料厚要求合计料厚要求两层板搭接全为镀锌钢板较薄板在 1.8mm 以内全为低碳钢板较薄板在 2.0mm 以内三层板搭接全为镀锌钢板较厚板在 2.0mm 以内3.6mm 以内全为低碳钢板较厚板在 3.0mm 以内5.4mm 以内三层以上搭接不允许No. 搭接状态说明料厚要求1 薄板在中间,厚板在两侧1、 最薄料厚:最厚料厚≥1:3;2、 侧边最薄料厚:其余两料厚之和≥ 1:4。2 厚板在中间,薄板在两侧3 薄板、厚板按顺序叠加图○1图○2图○4图○3序的集中,减少焊接弧光的干扰,并利于生产线的编排和生产组织。8)焊点数量要求焊点数量以满足强度要求为准,过多、 过密的焊点只能增加焊接的成本,同时过密的焊点由于焊接分流的加大,焊接强度降低。同时与标...

1、当您付费下载文档后,您只拥有了使用权限,并不意味着购买了版权,文档只能用于自身使用,不得用于其他商业用途(如 [转卖]进行直接盈利或[编辑后售卖]进行间接盈利)。
2、本站所有内容均由合作方或网友上传,本站不对文档的完整性、权威性及其观点立场正确性做任何保证或承诺!文档内容仅供研究参考,付费前请自行鉴别。
3、如文档内容存在违规,或者侵犯商业秘密、侵犯著作权等,请点击“违规举报”。

碎片内容

汽车焊接要求分析

您可能关注的文档

确认删除?
VIP
微信客服
  • 扫码咨询
会员Q群
  • 会员专属群点击这里加入QQ群
客服邮箱
回到顶部