电脑桌面
添加小米粒文库到电脑桌面
安装后可以在桌面快捷访问

《施工企业安全生产评价标准》JGJT772010

《施工企业安全生产评价标准》JGJT772010_第1页
1/22
《施工企业安全生产评价标准》JGJT772010_第2页
2/22
《施工企业安全生产评价标准》JGJT772010_第3页
3/22
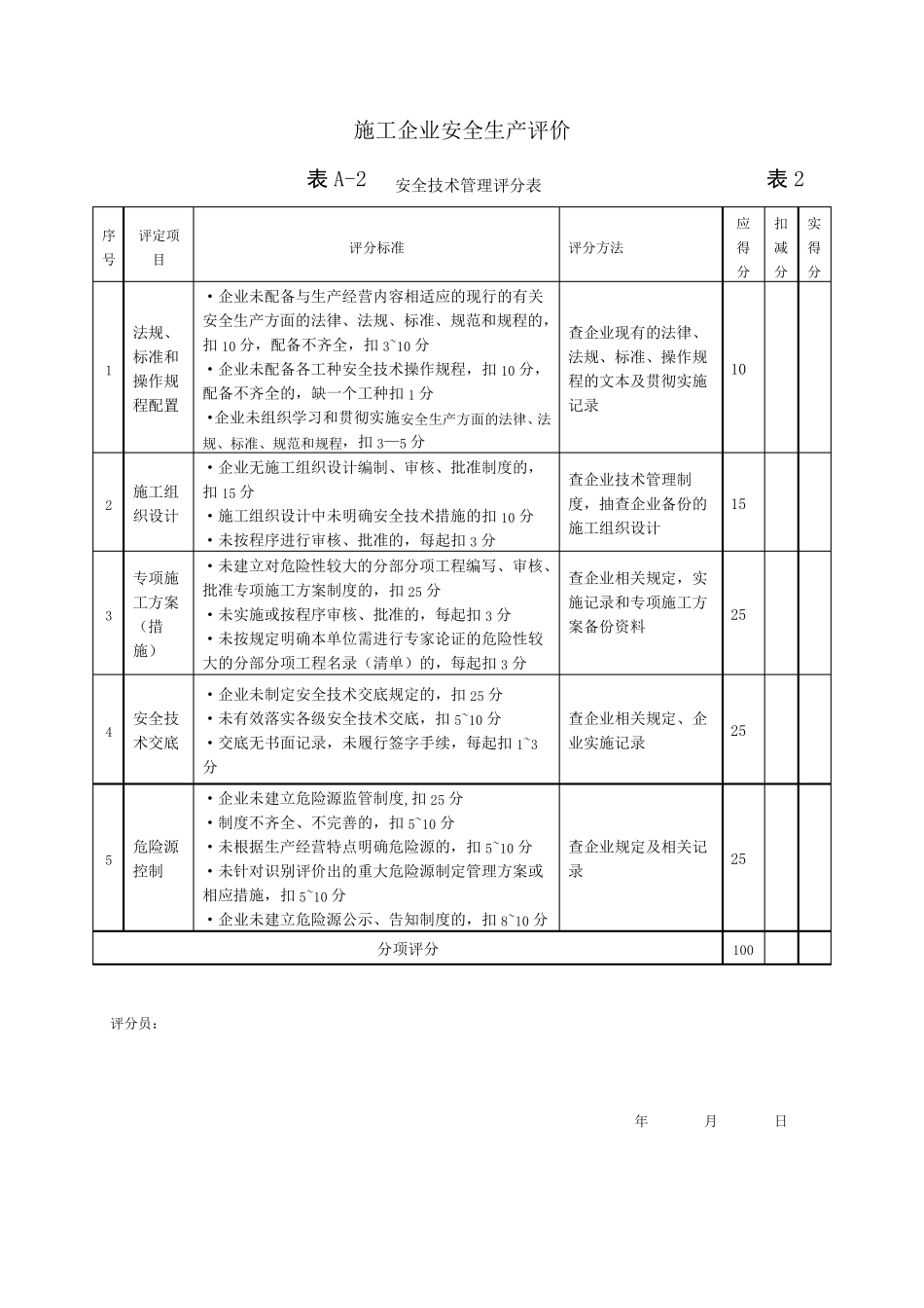
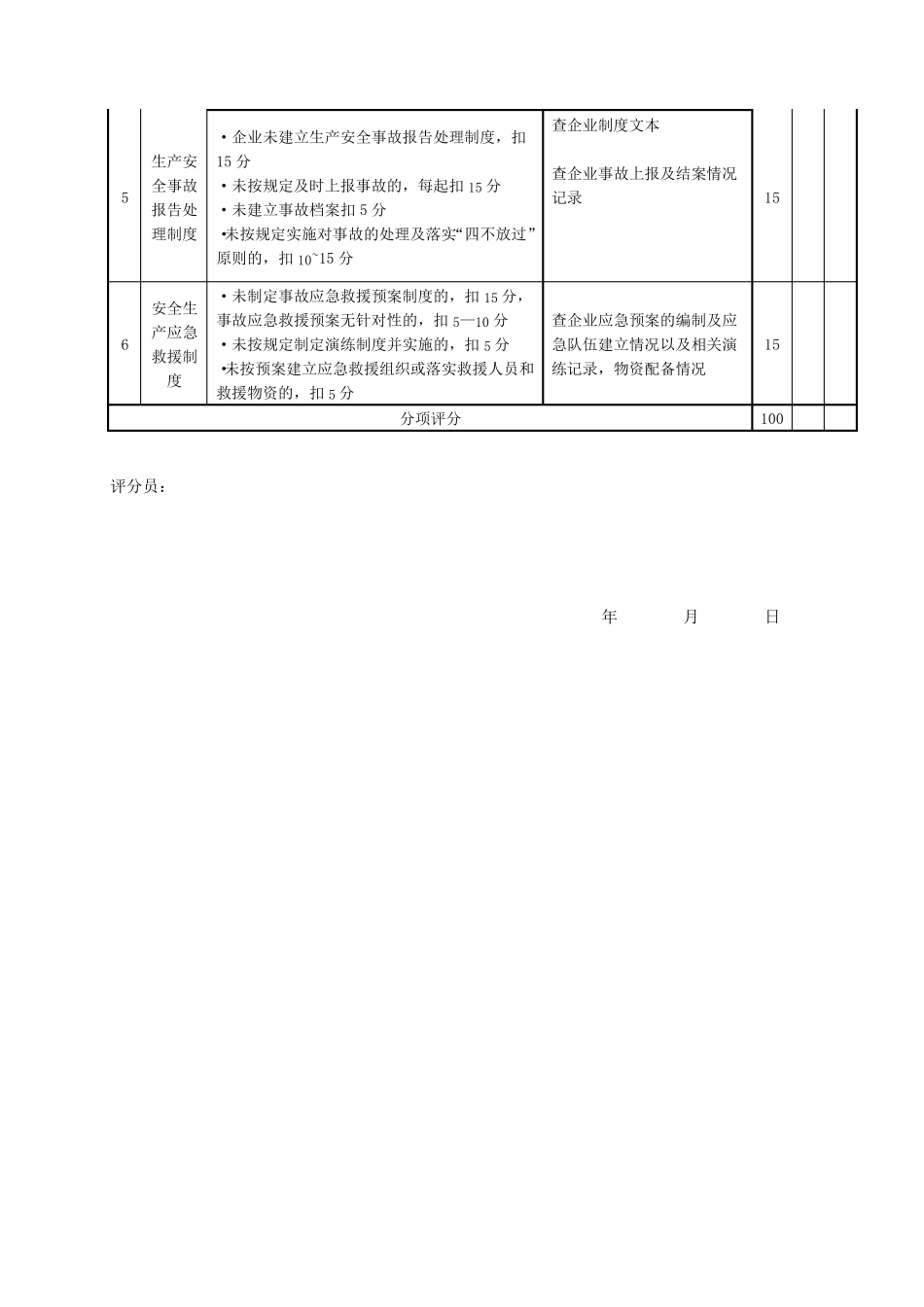
附录A 施工企业安全生产评价 表A-1 安全生产管理评分表 表1 序号 评定项目 评分标准 评分方法 应得分 扣减分 实得分 1 安全生产责任制度 ·企业未建立安全生产责任制度,扣20 分,各部门、各级(岗位)安全生产责任制度不健全,扣10~15分 ·企业未建立安全生产责任制考核制度,扣10分,各部门、各级对各自安全生产责任制未执行,每起扣2 分 企业未按考核制度组织检查并考核的,扣10 分,考核不全面扣5~10 分 ·企业未建立、完善安全生产管理[b1] 目标,扣10 分,未对管理目标实施考核的,扣5~10分 ·企业未建立安全生产考核、奖惩制度扣10 分,未实施考核和奖惩的,扣5~10 分 查企业有关制度文本;抽查企业各部门、所属单位有关责任人对安全生产责任制的知晓情况,查确认记录,查企业考核记录。 查企业文件,查企业对下属单位各级管理目标设置及考核情况记录;查企业安全生产奖惩制度文本和考核、奖惩记录 20 2 安全文明资金保障制度 ·企业未建立安全生产、文明施工资金保障制度扣20 分 制度无针对性和具体措施的,扣10~15 分 ·未按规定对安全生产、文明施工措施费的落实情况进行考核,扣10~15 分 查企业制度文本、财务资金预算及使用记录 20 3 安全教育培训制度 ·企业未按规定建立安全培训教育制度,扣15分 ·制度未明确企业主要负责人、项目经理、安全专职人员及其他管理人员,特种作业人员,待岗、转岗、换岗职工,新进单位从业人员安全培训教育要求的,扣5~10 分 ·企业未编制年度安全培训教育计划,扣5~10分,企业未按年度计划实施的,扣5~10 分 查企业制度文本、企业培训计划文本和教育的实施记录、企业年度培训教育记录和管理人员的相关证书 15 4 安全检查及隐患排查制度 ·企业未建立安全检查及隐患排查制度,扣15分,制度不全面、不完善的,扣5~10 分 ·未按规定组织检查的,扣15 分,检查不全面、不及时的,扣5~10 分 ·对检查出的隐患未采取定人、定时、定措施进行整改的,每起扣3 分,无整改复查记录的,每起扣3 分 对多发或重大隐患未排摸 或未采取有效 治 理措施的,扣3-15 分 查企业制度文本、企业检查记录、企业对隐患整改消 项、处 置情况记录,隐患排查统计表 15 5 生产安全事故报告处理制度 ·企业未建立生产安全事故报告处理制度,扣15 分 ·未按规定及时上报事故的,每起扣 15 分 ·未建立事故档案扣 5 分 ·未按规定实施对事故的处...

1、当您付费下载文档后,您只拥有了使用权限,并不意味着购买了版权,文档只能用于自身使用,不得用于其他商业用途(如 [转卖]进行直接盈利或[编辑后售卖]进行间接盈利)。
2、本站所有内容均由合作方或网友上传,本站不对文档的完整性、权威性及其观点立场正确性做任何保证或承诺!文档内容仅供研究参考,付费前请自行鉴别。
3、如文档内容存在违规,或者侵犯商业秘密、侵犯著作权等,请点击“违规举报”。

碎片内容

《施工企业安全生产评价标准》JGJT772010

您可能关注的文档

确认删除?
VIP
微信客服
  • 扫码咨询
会员Q群
  • 会员专属群点击这里加入QQ群
客服邮箱
回到顶部