电脑桌面
添加小米粒文库到电脑桌面
安装后可以在桌面快捷访问

《施工企业安全生产评价标准》JGJT77-2010

《施工企业安全生产评价标准》JGJT77-2010_第1页
1/18
《施工企业安全生产评价标准》JGJT77-2010_第2页
2/18
《施工企业安全生产评价标准》JGJT77-2010_第3页
3/18
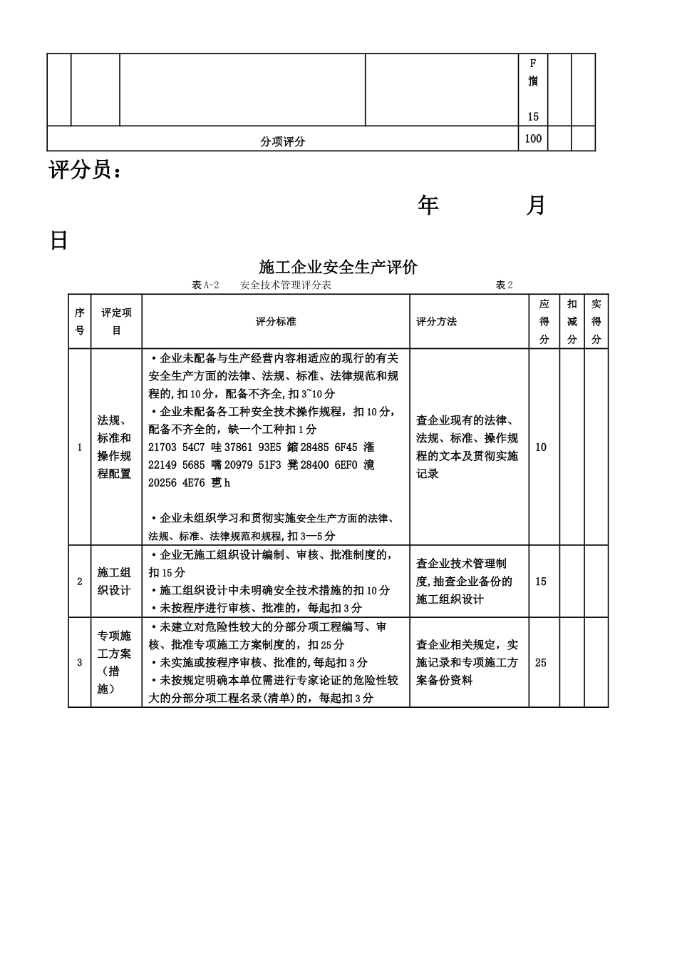
附录 A 施工企业安全生产评价 表 A—1 安全生产管理评分表 表 1序号评定项目评分标准评分方法应得分扣减分实得分1安全生产责任制度·企业未建立安全生产责任制度,扣 20 分,各部门、各级(岗位)安全生产责任制度不健全,扣 10~15 分·企业未建立安全生产责任制考核制度,扣 10分,各部门、各级对各自安全生产责任制未执行,每起扣 2 分企业未按考核制度组织检查并考核的,扣 10分,考核不全面扣 5~10 分·企业未建立、完善安全生产管理[b1] 目标,扣 10 分,未对管理目标实施考核的,扣5~10 分·企业未建立安全生产考核、奖惩制度扣 10分,未实施考核和奖惩的,扣 5~10 分查企业有关制度文本;抽查企业各部门、所属单位有关责任人对安全生产责任制的知晓情况,查确认记录,查企业考核记录。查企业文件,查企业对下属单位各级管理目标设置及考核情况记录;查企业安全生产奖惩制度文本和考核、奖惩记录202C3439116 98CC 飌23127 5A57 婗31079 7967 祧安全文明资金保障制度·企业未建立安全生产、文明施工资金保障制度扣 20 分制度无针对性和具体措施的,扣 10~15 分·未按规定对安全生产、文明施工措施费的落实情况进行考核,扣 10~15 分查企业制度文本、财务资金预算及使用记录203安全教育培训制度·企业未按规定建立安全培训教育制度,扣 15分·制度未明确企业主要负责人、项目经理、安全专职人员及其他管理人员,特种作业人员,待岗、转岗、换岗职工,新进单位从业人员安全培训教育要求的,扣 5~10 分·企业未编制年度安全培训教育计划,扣 5~10分,企业未按年度计划实施的,扣 5~10 分 查企业制度文本、企业培训计划文本和教育的实施记录、企业年度培训教育记录和管理人员的相关证书154安全检查及隐患排查制度·企业未建立安全检查及隐患排查制度,扣 15分,制度不全面、不完善的,扣 5~10 分·未按规定组织检查的,扣 15 分,检查不全面、不及时的,扣 5~10 分·对检查出的隐患未实行定人、定时、定措施进行整改的,每起扣 3 分,无整改复查记录的,每起扣 3 分124104 5E28 帨 35629 8B2D 謭 2&B27507 6B73 歳对多发或重大隐患未排摸或未实行有效治理措施的,扣 3—15 分查企业制度文本、企业检查记录、企业对隐患整改消项、处置情况记录,隐患排查统计表155生产安全事故报告处理制度·企业未建立生产安全事故报告处理制度,扣15 分·未按规定及时上报事故的,每起扣 15 分·...

1、当您付费下载文档后,您只拥有了使用权限,并不意味着购买了版权,文档只能用于自身使用,不得用于其他商业用途(如 [转卖]进行直接盈利或[编辑后售卖]进行间接盈利)。
2、本站所有内容均由合作方或网友上传,本站不对文档的完整性、权威性及其观点立场正确性做任何保证或承诺!文档内容仅供研究参考,付费前请自行鉴别。
3、如文档内容存在违规,或者侵犯商业秘密、侵犯著作权等,请点击“违规举报”。

碎片内容

《施工企业安全生产评价标准》JGJT77-2010

您可能关注的文档

确认删除?
VIP
微信客服
  • 扫码咨询
会员Q群
  • 会员专属群点击这里加入QQ群
客服邮箱
回到顶部