电脑桌面
添加小米粒文库到电脑桌面
安装后可以在桌面快捷访问

井下防爆电气防爆五十条

井下防爆电气防爆五十条_第1页
1/7
井下防爆电气防爆五十条_第2页
2/7
井下防爆电气防爆五十条_第3页
3/7
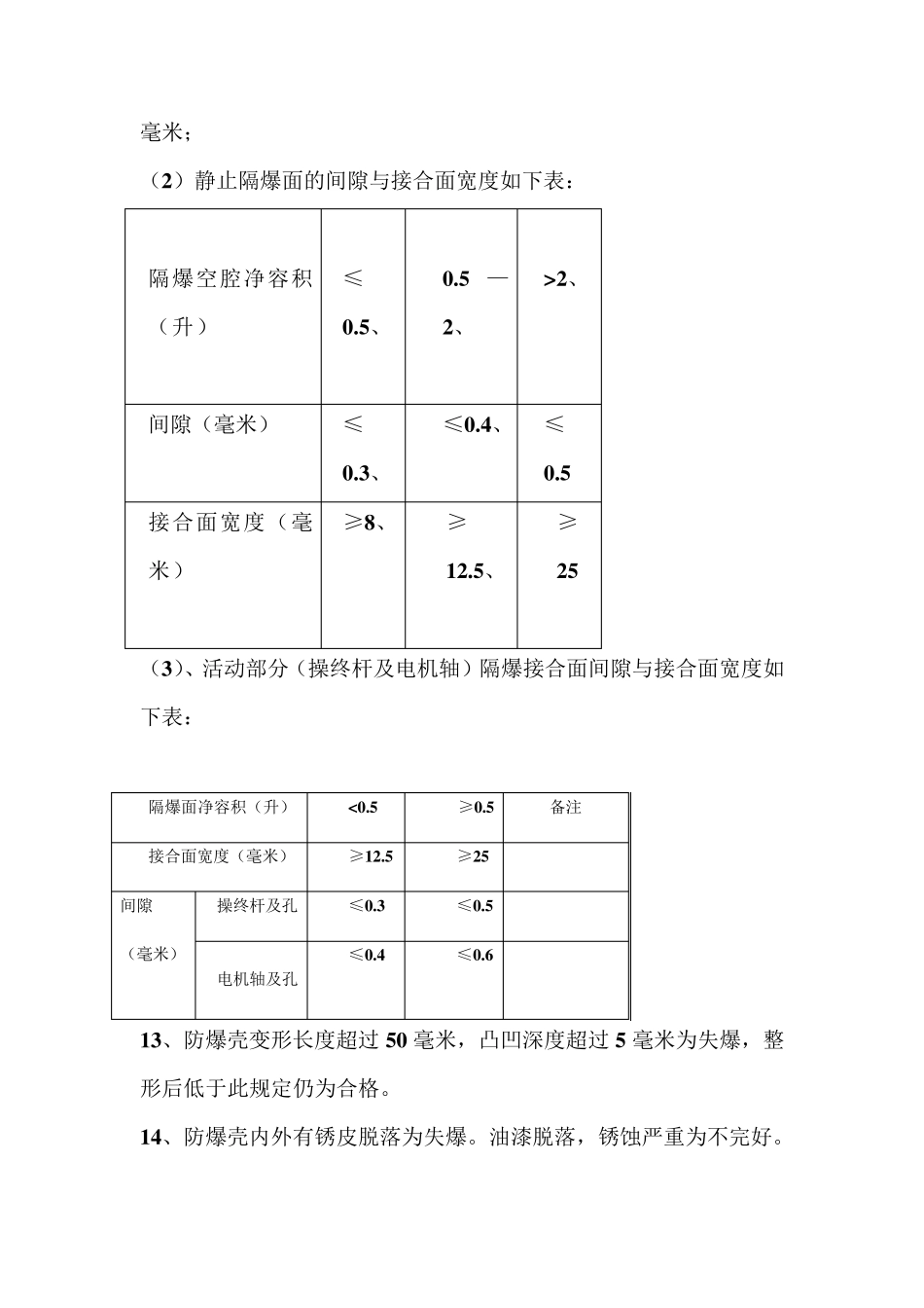
井下防爆电气防爆五十条 1 、鸡爪子 (1 )橡套电缆的连接不用硫化热补或同等效能的冷补者; (2 )电缆(包括通讯、照明、信号、控制、以及高低压橡套电缆)的连接不采用接线盒的接头。 (3 )铠装电缆的连接不采用接线盒和不灌注绝缘充填物或充填不严密(漏出芯线)的接头。 2 、羊尾巴 电缆的末端不接防爆电器设备或防爆元件者为羊尾巴。电气设备的接线咀(包括五小电气原件)2 米内的不合格接头或明线破口均属羊尾巴。 3 、明接头 电气设备与电缆有裸露的导体或明火操作者均为明接头。 4 、破口 (1 )橡套电缆护套损坏,露出芯线或屏蔽层者; (2 )橡套电缆护套损坏伤痕深度达最薄处二分之一以上,长度达 2 0毫米,或沿围长三分之一以上者。 出现以上四种情况之一者(包括安全火花型电气元件)均为电缆不合格接头,均属电气安全隐患点。 5 、开关的闭锁装置起不到闭锁作用着为失爆。 6 、隔爆面光洁度应不低于△5 ,操终杆的光洁度应不低于△6 ,否则为失爆。 7 、隔爆面有锈迹,用棉丝擦后,只留云影,不算锈蚀,也不为失爆(但在井上修理时不允许有云影)。 云影—擦掉锈迹后,留下青褐色氧化亚铁云状痕迹,用手摸无感觉。 8 、接合面上的小针孔,在一平方厘米的范围内不超过 5 个,其直径不抄过 0 .5 毫米,深度不超过 1 毫米的隔爆面不为失爆。 9 、对于机械伤痕深度、宽度均不超过 0 、5 毫米,其伤痕的投影长度不超过相对容积接合面宽度的5 0 %,个别伤痕深度不超过 1 毫米,其伤痕距接合面最短无伤痕距离相加不小于相应容积规定的接合面宽度不算失爆,但其中有一项超过均为失爆。 1 0 、隔爆面上不允许涂有油漆和机械性杂物,否则为失爆(如无意造成的油漆痕迹不超过隔爆面宽度的1 /3 不在此限)。 1 1 、隔爆面应涂以适量的中性凡士林等合格的防锈油(入医用凡士林)或磷化(磷化后也可涂凡士林油),如无防锈油或磷面脱落均属失爆。涂油应在防爆面上形成一层薄膜为宜,涂油过多为不完好。(如磷面脱落小于隔爆面径向长度1 /5 并涂有防锈油可不算失爆,但为不完好。 1 2 、隔爆面宽度减去超限间隙部分不得小于所规定定的接合面宽度,否则为失爆。 (1 )转盖式或插盖式隔爆面的宽度不小于2 5 毫米,间隙不大于0 .5毫米; (2)静止隔爆面的间隙与接合面宽度如下表: 隔爆空腔净容积(升) ≤0.5、 0.5 —2、 >2、 间隙(毫米) ≤0.3、 ≤0.4、 ≤0...

1、当您付费下载文档后,您只拥有了使用权限,并不意味着购买了版权,文档只能用于自身使用,不得用于其他商业用途(如 [转卖]进行直接盈利或[编辑后售卖]进行间接盈利)。
2、本站所有内容均由合作方或网友上传,本站不对文档的完整性、权威性及其观点立场正确性做任何保证或承诺!文档内容仅供研究参考,付费前请自行鉴别。
3、如文档内容存在违规,或者侵犯商业秘密、侵犯著作权等,请点击“违规举报”。

碎片内容

井下防爆电气防爆五十条

小辰6+ 关注
实名认证
内容提供者

出售各种资料和文档

确认删除?
VIP
微信客服
  • 扫码咨询
会员Q群
  • 会员专属群点击这里加入QQ群
客服邮箱
回到顶部