电脑桌面
添加小米粒文库到电脑桌面
安装后可以在桌面快捷访问

产品风险评估表VIP专享

产品风险评估表_第1页
1/6
产品风险评估表_第2页
2/6
产品风险评估表_第3页
3/6
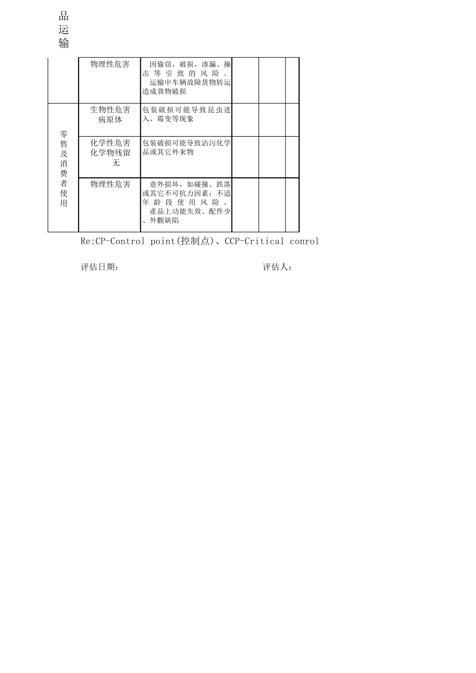
产品名称: 产品编号:产品描述1. 43 Games*240 Variations2.Auto player change 3.Double in/out4.Single/Double Bull生物性危害病原体化学性危害化学物残留物理性危害异物、偏差生物性危害病原体材料霉变或有害虫尸体MM化学性危害化学物残留原料加工生产过程中可能存在残留重金属等化学性污染HH物理性危害异物、偏差杂质划伤、缺损、性能不符合等MM物理:杂质混入、损坏可能混合有玻璃、金属、沙石LH化学性危害化学物残留无LH物理性危害 霉变、害虫尸体LM生物性危害病原体受空气、包装物、人员卫生交叉污染。ML化学性危害化学物残留1.不同的胶料错误混和会导致邻苯二甲酸盐、溶解微量乙烷超标。2.机器维修保养润滑油(机油)MHXX电产加入工序/输入在此工序是否有危害介入、增强或需在此受控做出第二栏判断的理由可能性(H)(M)(L)严重性(H)(M)(L)产品试产阶段原輔料和进料验收入仓原材料儲存注塑过程物理性危害异物1.人员未规范作业;机器运行参数需控制;物料做好标识,做好清洁卫生控制2. 操作员对作业生疏LH生物性危害做好环境温湿度、卫生控制及防虫害设施维护。LL化学性危害化学物残留1.可 能 用 错 化 学 品2.助焊剂、焊锡LL物理性危害异物1.产品中可能含有外来异物。仪器失效致测试功能或参数不准确,会引致退货。2. 操作员对作业生疏3.员工操作失误/无正确首件OK 批办指引4.产品错装5. 无标示/ 混放6. 产品表面擦伤7.加工设备、加工间等硬件设施破损MH生物性危害病原体害虫、头发LM化学性危害化学物残留不涉及物理性危害1.外观缺陷,影响外观质量2.包装破损導致产品损坏3.数量与发货数量不符LM生物性危害病原体因破损,渗漏,霉变等引致的生物性风险LM化学性危害化学物残留 无因渗漏,受热受潮、沾污等可能引致的风险LL产品运输注塑过程组装及包装过程出貨檢查物理性危害1.因偷窃,破损,渗漏、撞击 等 引 致 的 风 险 。2.运输中车辆故障货物转运造成貨物破损MM生物性危害病原体包装破损可能导致昆虫进入,霉变等现象LM化学性危害化学物残留 无包装破损可能导致沾污化学品或其它外来物LL物理性危害1.意外损坏,如碰撞、跌落或其它不可抗力因素;不适年 龄 段 使 用 风 险 。2.產品上功能失效、配件少、外觀缺陷MLRe:CP-Control point(控制点)、CCP-Critical conrol评估日期:品运输零售及消费者使用评估人: 目的国:美国 符合的法规或标准:ASTM F963 适用消费年龄等级14+to p...

1、当您付费下载文档后,您只拥有了使用权限,并不意味着购买了版权,文档只能用于自身使用,不得用于其他商业用途(如 [转卖]进行直接盈利或[编辑后售卖]进行间接盈利)。
2、本站所有内容均由合作方或网友上传,本站不对文档的完整性、权威性及其观点立场正确性做任何保证或承诺!文档内容仅供研究参考,付费前请自行鉴别。
3、如文档内容存在违规,或者侵犯商业秘密、侵犯著作权等,请点击“违规举报”。

碎片内容

产品风险评估表

确认删除?
VIP
微信客服
  • 扫码咨询
会员Q群
  • 会员专属群点击这里加入QQ群
客服邮箱
回到顶部