电脑桌面
添加小米粒文库到电脑桌面
安装后可以在桌面快捷访问

浙江华健电子APD194LED数码显示多功能说明书资料

浙江华健电子APD194LED数码显示多功能说明书资料_第1页
1/11
浙江华健电子APD194LED数码显示多功能说明书资料_第2页
2/11
浙江华健电子APD194LED数码显示多功能说明书资料_第3页
3/11
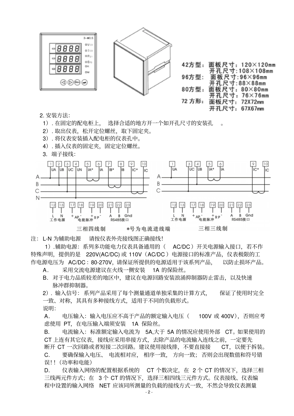
- 1 - 多功能电力仪表用户手册(LED 数码显示型 ) 一. 概述该产品是一种具有可编程测量、显示、数字通讯和电能脉冲变送输出等多功能智能仪表,能够完成电量测量、电能计量、数据显示、采集及传输,可广泛应用变电站自动化、配电自动化、智能建筑、企业内部的电能测量、管理、考核。测量精度为0.5 级,实现 LED 现场显示和远程 RS-485数字接口通讯,采用MODBUS-RTU 通讯协议。二.技术参数性能参数输入测电压显示网络三相三线、三相四线电压额定值AC100V、400V(订货时请说明)过负荷持续: 1.2 倍瞬时: 2 倍/10s 功耗〈1VA(每相)阻抗〉300kΩ精度RMS 测量,精度等级 0.5 电流额定值AC1A 、5A(订货时请说明)过负荷持续: 1.2 倍瞬时: 2 倍/10s 功耗〈0.4VA(每相)阻抗〈20MΩ精度RMS 测量,精度等级 0.5 频率40~60Hz,精度 0.1Hz 功能有功、无功、视在功率,精度0.5 级电能有功/无功计量,有功精度0.5 级,无功精度 1 级显示可编程、切换、循环的3 排 LED 显示电源工作范围AC、DC 80~270V 功耗≦5VA 输出数字接口RS-485、MODBUS-RTU 协议脉冲输出2 路电能脉冲输出,光耦隔离环境工作环境-10~55℃储存环境-20~75℃安全耐压输入和电源 >2kV,输入和输出 >2kV,电源和输出 >1kV 绝缘输入、输出、电源对机壳 >5MΩ外形尺寸120×120×75 96×96×75 80×80×75 72×72×75(长、宽、深)重量0.6kg 三.安装与接线1.安装尺寸:- 2 - 2. 安装方法:1). 在固定的配电柜上, 选择合适的地方开一个如开孔尺寸的安装孔。2). 取出仪表,松开定位螺丝,取下固定夹。3). 将仪表安装插入配电柜的仪表孔中。4). 插入仪表的固定夹,固定定位螺丝。3.端子接线:注: L-N 为辅助电源请按仪表外壳接线图正确接线!1).辅助电源:系列多功能电力仪表具备通用的(AC/DC )开关电源输入接口,若不作特殊声明,提供的是220V(AC/DC) 或 110V(AC/DC )电源接口的标准产品,仪表极限的工作电源电压为 AC/DC :80-270V,请保证所提供的电源适用于该系列产品,以防止损坏产品。A.采用交流电源建议在火线一侧安装1A 的保险丝。B.对于电力品质较差的地区中,建议在电源回路安装浪涌抑制器防止雷击,以及快速脉冲群抑制器。2). 输入信号: 系列产品采用了每个测量通道单独采集的计算方式,保证了使用时完全一致、对称,其具有多种接线方式,适用于不同的负载形式。说明:A.电压输入:输入电...

1、当您付费下载文档后,您只拥有了使用权限,并不意味着购买了版权,文档只能用于自身使用,不得用于其他商业用途(如 [转卖]进行直接盈利或[编辑后售卖]进行间接盈利)。
2、本站所有内容均由合作方或网友上传,本站不对文档的完整性、权威性及其观点立场正确性做任何保证或承诺!文档内容仅供研究参考,付费前请自行鉴别。
3、如文档内容存在违规,或者侵犯商业秘密、侵犯著作权等,请点击“违规举报”。

碎片内容

浙江华健电子APD194LED数码显示多功能说明书资料

确认删除?
VIP
微信客服
  • 扫码咨询
会员Q群
  • 会员专属群点击这里加入QQ群
客服邮箱
回到顶部