电脑桌面
添加小米粒文库到电脑桌面
安装后可以在桌面快捷访问

人防地下室平战转换

人防地下室平战转换_第1页
1/9
人防地下室平战转换_第2页
2/9
人防地下室平战转换_第3页
3/9
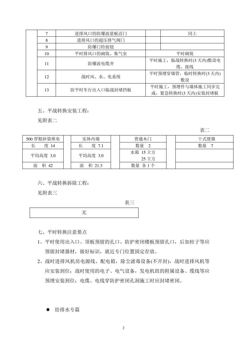
1 人防地下室平战转换专篇  建筑专篇 一、工程概况 本建筑为宇威置业(深圳)有限公司龙华清湖工业园-办公楼、宿舍,地上六层,地下一层 建筑高度 26.100m 总用地面积 2740.93 ㎡,总建筑面积 15558.98 ㎡,属二类高层民用建筑,地上耐火等级二级,地下耐火等级一级。 二、设计依据 1、《人民防空地下室设计规范》(GB50038-2005,2005 年版) 2、《人民防空工程设计防火规范》(GB50098-98,2001 年版) 3、《人民防地下室设计规范》图示(05SFJ10) 4、《地下工程防水技术规范》(GB 50108-2001) 5、《民用建筑设计通则》(GB50352-2005) 三、设计原则—平战结合 平时功能:地下停车库 战时功能:六级二等人员掩蔽所 四、平战转换措施 见附表一 人防工程平战功能转换表 表一 序号 功能名称 转换时限及施工安装要求 战时转换 1 战时人防专用房间:男女干厕、 战时砌筑,临时转换时(3 天内)完成 2 战时钢制水箱 战时早期转换,30 天内运输安装;紧急转换时(3 天内)注水 3 车道入口、非人防区入口的人防门的关闭与封堵 战时施工,紧急转换时(3 天内)完成 4 平时风、水、电系统 平时进排风系统 战时紧急转换时(3 天内)关闭风井处人防门,停止平时通风 平时上下水系统 战时紧急转换时(3 天内)关闭所有阀门 平时转换 5 防爆地漏、染毒水池、普通地漏、排水管、集水井 与底板施工同步完成 6 各类防护密闭门、密闭门 边框及预埋件与墙体施工同步完成,门扇安装在验收前完成 2 7 进排风口的防爆波悬板活门 同上 8 进排风口的超压排气阀门 9 防爆门铃按钮 1 0 平时排风口的砌筑、集气室 平时砌筑 1 1 防爆波电缆井 平时施工,临战转换时(3 天内)敷设电缆、接线 1 2 战时风、水、电系统 平时预埋穿墙管,临时转换时(3 天内)敷设 1 3 防平时车行出入口临战封堵挡板 平时施工,预埋件与墙体施工同步完成,紧急转换时(3 天内)安装封堵板 五、平战转换安装工程: 见附表二 表二 5 0 0 厚粗砂袋堆垒 实体内墙 普通木门 干式便器 长 度 1 4 长 度 7 .1 数量 2 数量 7 平均高度 3 .0 平均高度 3 .0 水箱 1 5 立方 2 5 立方 面 积 4 2 面 积 2 1 .3 数量 各 1 个 六、平战转换拆除工程: 见附表三 表三 无 七、平时转换注意要点 1 、平时使用出入口、顶板预留的孔口、防护密闭楼板预留孔口,后加柱子等应预留封堵器材,...

1、当您付费下载文档后,您只拥有了使用权限,并不意味着购买了版权,文档只能用于自身使用,不得用于其他商业用途(如 [转卖]进行直接盈利或[编辑后售卖]进行间接盈利)。
2、本站所有内容均由合作方或网友上传,本站不对文档的完整性、权威性及其观点立场正确性做任何保证或承诺!文档内容仅供研究参考,付费前请自行鉴别。
3、如文档内容存在违规,或者侵犯商业秘密、侵犯著作权等,请点击“违规举报”。

碎片内容

人防地下室平战转换

您可能关注的文档

确认删除?
VIP
微信客服
  • 扫码咨询
会员Q群
  • 会员专属群点击这里加入QQ群
客服邮箱
回到顶部