电脑桌面
添加小米粒文库到电脑桌面
安装后可以在桌面快捷访问

人防地下室平战转换专篇

人防地下室平战转换专篇_第1页
1/17
人防地下室平战转换专篇_第2页
2/17
人防地下室平战转换专篇_第3页
3/17
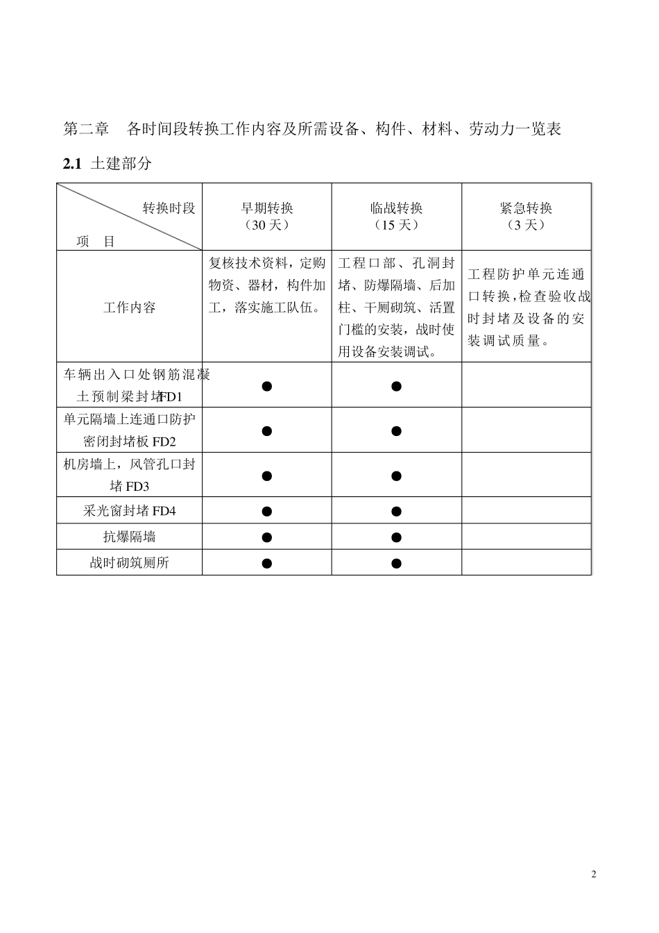
1 第一章 工程概况 工程名称 工程地点 建设单位 设计单位 监理单位 施工单位 使用管理单位 平战转换设计单位 平战转换实施单位 竣工时间 平战转换设计时间 人防工程类别 防核武器抗力级别 防常规武器抗力级别 防化等级 建筑面积 掩蔽面积 平时用途 战时用途 上部结构形式 地下层数 防护单元数量(个) 抗爆单元数量(个) 口部数量(个) 通风竖井数量(个) 战时隐蔽人员数量(个) 战时物资储备数量 2 第二章 各时间段转换工作内容及所需设备、构件、材料、劳动力一览表 2 .1 土建部分 转换时段 项 目 早期转换 (30 天) 临战转换 (15 天) 紧急转换 (3 天) 工作内容 复核技术资料,定购物资、器材,构件加工,落实施工队伍。 工程口部、孔洞封堵、防爆隔墙、后加柱、干厕砌筑、活置门槛的安装,战时使用设备安装调试。 工程防护单元连通口转换,检查验收战时封堵及设备的安装调试质量。 车辆出入口处钢筋混凝土预制梁封堵FD1 ● ● 单元隔墙上连通口防护密闭封堵板 FD2 ● ● 机房墙上,风管孔口封堵FD3 ● ● 采光窗封堵FD4 ● ● 抗爆隔墙 ● ● 战时砌筑厕所 ● ● 3 2 .2 风施部分 转换时段 项 目 早期转换 (30 天) 临战转换 (15 天) 紧急转换 (3 天) 工作内容 复核技术资料,定购物资、器材,构件加工,落实施工队伍。 工程口部、孔洞封堵、防爆隔墙、后加柱、干厕砌筑、活置门槛的安装,战时使用设备安装调试。 工程防护单元连通口转换,检查验收战时封堵及设备的安装调试质量。 通风所需设备材料构件 电动脚踏两用风机:DJF-1 ● ● ● 斜流风机:SJG#4 ● ● ● 手动密闭阀:D40X-0.5 ● ● ● 油网过滤器:LWP-X ● ● ● 过滤吸收器:SR78-1000 ● ● ● 测压装置倾斜式微压计 ● ● ● 换气堵头 ● ● ● 密闭法兰 ● ● ● 自动超压排气活门 ● ● ● 风管防火阀 ● ● ● 风管止回阀、插板阀 ● ● ● 战时风口 ● ● ● 清洁区风管:镀锌铁皮 ● ● ● 染毒区风管:δ =3mm钢板 ● ● ● 密闭胶条 ● ● ● 影响战时使用的平时设备进行拆除、整理 ● ● 平时用通风洞口的封堵 ● 竖井平时使用的防护密闭门及密闭门的关闭 ● 平时通风系统上需战时关闭的阀门 ● 4 2 .3 水施部分 转换时段 项 目 早期转换 (3 0 天) 临战转换 (1 5 天) 紧...

1、当您付费下载文档后,您只拥有了使用权限,并不意味着购买了版权,文档只能用于自身使用,不得用于其他商业用途(如 [转卖]进行直接盈利或[编辑后售卖]进行间接盈利)。
2、本站所有内容均由合作方或网友上传,本站不对文档的完整性、权威性及其观点立场正确性做任何保证或承诺!文档内容仅供研究参考,付费前请自行鉴别。
3、如文档内容存在违规,或者侵犯商业秘密、侵犯著作权等,请点击“违规举报”。

碎片内容

人防地下室平战转换专篇

确认删除?
VIP
微信客服
  • 扫码咨询
会员Q群
  • 会员专属群点击这里加入QQ群
客服邮箱
回到顶部