电脑桌面
添加小米粒文库到电脑桌面
安装后可以在桌面快捷访问

摄像头品质检测规范标准

摄像头品质检测规范标准_第1页
1/10
摄像头品质检测规范标准_第2页
2/10
摄像头品质检测规范标准_第3页
3/10
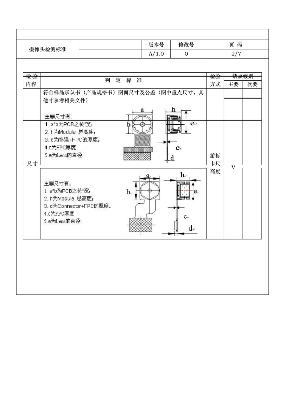
摄像头检测标准摄像头检测标准版本号修改号页码A/1.001/71•目的为在出货前确保公司产品优良,满足客户要求,特拟定检验规程作为 QC 抽样检验的依据。2•适用范围此检验标准适用于公司摄像模组(CameraModule)来料检验条件。3•检验与判定依据3.1 检验环境:室温 25±39,日光灯下 600〜800Lux 或在标准光箱内;3.2 检验距离:45±5cm。3.3 依据“GB2828-2003”中“正常检验一次抽样方案”进行抽样,检验水平用“一般检验水平 U 级”,合格质量水平(AQL)为:致命缺陷 AQL=0;重缺陷 AQL=0.65;轻缺陷 AQL=1.5注:致命缺陷:根据判断对产品的使用维护人员可能导致人身或财产危害的缺陷;重缺陷:导致产品失效或严重降低产品使用功能的缺陷;轻缺陷:一般用户可接受或对产品使用功能无影响,属制造不精细的缺陷;3.4 参照《工位作业指导书》《测试程序》、《产品检查标准》BOM 上的“技术资料”及“技术图纸”、封样样品以及客户要求的出货标准对成品进行检验。3.5 合格与不合格的判定及统计3.5.1 合格与不合格的判定:当样本检验结果出现的各种不良品数量小于或等于标准规定的 AQL 值和检查水平对应的合格判定数(AC)时,则判定该批材料为合格批,否则即为不合格批。3.5.2 不合格品的统计方法:3.5.2.1 按本规范规定标准的缺陷类别,分别累计样本中各类不合格品总数。3.5.2.2 有一个或一个以上的重缺陷,也可能还有轻缺陷,统计为一个重缺陷的不合格品。3.5.2.3 有一个或一个以上的轻缺陷,但没有重缺陷,统计为轻缺陷的不合格品。4•检验设备4.1 洁净工作台,测试板(DEMOBOARD)o4.2 游标卡尺,高度表,恒温恒湿机,振动试验机,落地试验台,推拉力计,扭力计。5•检验项目外观结构检测,功能检测,信赖度检测,包装检测。6•检验内容6.1 外观结构检测6.1.1 单体外观尺寸检测摄像头检测标准版本号修改号页码A/1.003/76.1.2 单体外观检测检杳事项判定标准测试方法缺陷级别主要次要外观检杳保护膜应遮盖镜头光孔或无缺失。目测V镜头入光孔处不能有污痕和刮伤(图像明显)。目测VLENS 表面不可有划伤、泛白及脏污,并有点胶固定。目测V点胶面不可溢出超过 LENS 宽度。目测VLENSHOLDER 有固定,无脱落及翘起现象。目测V底座不能有损伤、边缘棱角不能有撞伤。目测V镜头与支架粘胶溢出不超过该边 50%。目测VFPC 不允许有划伤倾显划伤,露出底铜者)、残胶及断裂现象,FPC 边缘不得有明显的批锋和残缺。目测VFPC 的标识能正确...

1、当您付费下载文档后,您只拥有了使用权限,并不意味着购买了版权,文档只能用于自身使用,不得用于其他商业用途(如 [转卖]进行直接盈利或[编辑后售卖]进行间接盈利)。
2、本站所有内容均由合作方或网友上传,本站不对文档的完整性、权威性及其观点立场正确性做任何保证或承诺!文档内容仅供研究参考,付费前请自行鉴别。
3、如文档内容存在违规,或者侵犯商业秘密、侵犯著作权等,请点击“违规举报”。

碎片内容

摄像头品质检测规范标准

您可能关注的文档

wxg+ 关注
实名认证
内容提供者

该用户很懒,什么也没介绍

确认删除?
VIP
微信客服
  • 扫码咨询
会员Q群
  • 会员专属群点击这里加入QQ群
客服邮箱
回到顶部