电脑桌面
添加小米粒文库到电脑桌面
安装后可以在桌面快捷访问

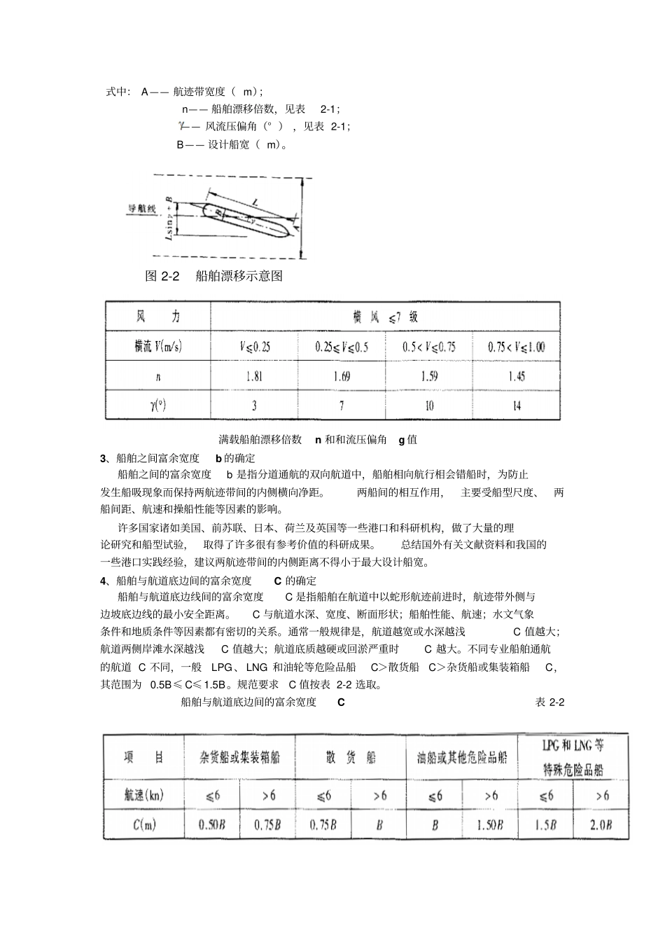
海港航道设计

海港航道设计_第1页
1/8
海港航道设计_第2页
2/8
海港航道设计_第3页
3/8
海港航道设计概述随着国际贸易货运量增长,为降低货物运输的成本,各种船舶尺度迅速增加。因此,为船舶进出港口提供有效而安全的航行通道,已成为海港建设和疏浚工程的关键问题。尤其是近 40 年来,疏浚技术的进步,港口运量急剧增加,世界范围的原油、煤炭、矿石和集装箱运输的迅速发展,促使一些营运了几十年甚至上百年的老港,为接纳大型或超大型船舶,加大港口的通过能力,不得不重新规划和浚深拓宽航道。我国一些新建海港和河口港,由于地质、 潮汐、风浪流和泥沙回淤的影响,其航道设计是港口建设中一项重要的研究课题。作为一个单独航道项目研究通常有如下几个方面:(1)使用该航道的港口泊位情况:泊位数、泊位吨级、最大泊位吨级、规划建设情况等;(2)调查港口腹地的经济资源及近期、中期、远期发展状况,调查港口货源、货种、流向和不同发展时期的货运量,以此论证船舶运输和合理性和航道建设规模;(3)调查通航船舶的有关资料,包括两年来进港船型统计及增长率;来港船舶不平衡系数;最大船型主尺度;不同专用船、特别是LPG,LNG 及其它危险品船来港情况,经济船型论证及设计船型的发展趋势;(4)分析计算建设该航道所产生的效益一、航道选线通常航道的一端是由港口的位置决定的,当进出港口的水域水深满足船舶航行的水深要求时, 航道选线将不受疏浚工程费的限制,仅考虑风、 流、浪、导助航设施布设等因素,而当进出港水域水深不能满足船舶航行时,还需考虑疏浚工程量、施工、维护等因素。选择进港航道最佳方位是港口总体规划、可行性研究和总平面布置中的一项重要工作。因此,航道选线要贯彻操船安全、挖方量少、 施工期短、 疏浚维护方便和投资省等技术经济合理原则。为了有助于航道设计者掌握选线方法,建议有关选线设计的布置原则和要求如下:一、充分了解及分析地质地貌及泥沙条件二、论证航行安全三、分析研究水文气象条件四、河口航道选线原则二、航道宽度1)、确定航道宽度的方法1、实船观测方法2、船舶模拟试验3、操船模拟装置试验4、数学模拟计算5、理论和统计计算法2)、单双航道的确定由单航道拓宽为双航道.建议按以下几种情况确定:1、每天进出港船流密度大于航道全天候通航时船舶艘次数的90%;2、航道较长,船流密度较大,经技术经济论证拓宽航道较为经济;3、到港船舶吨位范围较大时,可采用复式航道(即一侧为大船,另一侧为小船航行)或大船为单航道,小船为双航道;4、当河口港航道较长,中途有较长...

1、当您付费下载文档后,您只拥有了使用权限,并不意味着购买了版权,文档只能用于自身使用,不得用于其他商业用途(如 [转卖]进行直接盈利或[编辑后售卖]进行间接盈利)。
2、本站所有内容均由合作方或网友上传,本站不对文档的完整性、权威性及其观点立场正确性做任何保证或承诺!文档内容仅供研究参考,付费前请自行鉴别。
3、如文档内容存在违规,或者侵犯商业秘密、侵犯著作权等,请点击“违规举报”。

碎片内容

海港航道设计

确认删除?
VIP
微信客服
  • 扫码咨询
会员Q群
  • 会员专属群点击这里加入QQ群
客服邮箱
回到顶部