电脑桌面
添加小米粒文库到电脑桌面
安装后可以在桌面快捷访问

消防应急灯具技术要求VIP专享

消防应急灯具技术要求_第1页
1/5
消防应急灯具技术要求_第2页
2/5
消防应急灯具技术要求_第3页
3/5
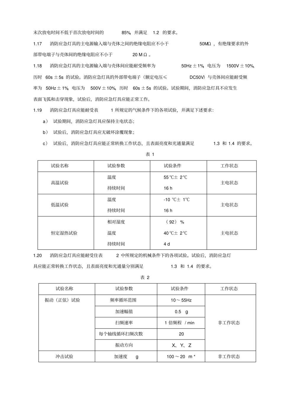
浙江正泰建筑电器有限公司消防应急灯具技术要求产品名称 : 消防应急灯具规格型号:年月日消防应急灯具技术要求一、整机性能1.1 消防应急灯具的应急转换时间应不大于3s。1.2 LED 消防应急标志灯的应急工作时间应大于120min ,消防应急照明灯的应急工作时间应大于 90min 。1.3 消防应急标志灯的标志颜色应为绿色(光源发光时)。其表面亮度应满足下述要求:图形和文字的表面最小亮度应不小于25cd/m2,最大亮度应不大于200 cd/m2。1.4 消防应急照明灯从主电源转换到应急电源供电时,双头灯系列、电子节能灯系列的光通量应不低于光源在额定电压时光通量的70%,荧光灯系列的光通量应大于光源在额定电压时光通量的 40%。1.5 使用荧光灯管为光源的消防应急灯具不应将启辉器接入应急回路。1.6 消防应急灯具的应急状态不应受其主电供电线短路、接地的影响。1.7 消防应急标志灯、双头灯应设模拟主电源供电故障的自复式试验按钮。1.8 消防应急标志灯、双头灯应设主电、充电、故障状态指示灯。主电状态用绿色,充电状态用红色,故障状态用黄色。1.9 消防应急灯具在处于未接入光源、光源不能正常工作或光源规格不符合要求等异常状态时,内部元件表面最高温度不应超过90℃,且不影响电池的正常充电。光源回复后,消防应急灯具应能正常工作。1.10 消防应急灯具应有过充电保护和充电回路短路保护,充电回路短路时其内部元件表面的最高温度不应超过90 ℃。重新安装电池后,消防应急灯具应能正常工作。1.11 消防应急灯具的充电时间应在16 ~ 23.5小时之间,最大连续过充电电流(浮充电流)不应超过0.05C 5A。1.12 消防应急灯具应有过放电保护。电池放电终止电压应不小于额定电压的80%,放电终止后,在未重新充电条件下,即使电池电压回复,消防应急灯具也不应重新启动,且静态泄放电流不应大于10-5 C 20A。1.13 消防应急灯具应能连续完成至少50 次“主电状态1min →应急状态20s →主电状态1min ”的工作状态循环。1.14 消防应急灯具在主电电压为187 ~ 242V 范围内,不应转入应急状态。1.15 消防应急灯具由主电状态转入应急状态时的主电电压应在132 ~ 187V 范围内。由应急状态回复到主电状态时的主电电压应不大于187V。1.16 消防应急灯具应完成10 次“完全充电→放电终止→完全充电”循环的充电、放电过程。末次放电时间不低于首次放电时间的85%,并满足1.2的要求。1.17 消防应急灯具的主电源输入端与壳体之间的绝缘电阻...

1、当您付费下载文档后,您只拥有了使用权限,并不意味着购买了版权,文档只能用于自身使用,不得用于其他商业用途(如 [转卖]进行直接盈利或[编辑后售卖]进行间接盈利)。
2、本站所有内容均由合作方或网友上传,本站不对文档的完整性、权威性及其观点立场正确性做任何保证或承诺!文档内容仅供研究参考,付费前请自行鉴别。
3、如文档内容存在违规,或者侵犯商业秘密、侵犯著作权等,请点击“违规举报”。

碎片内容

消防应急灯具技术要求

确认删除?
VIP
微信客服
  • 扫码咨询
会员Q群
  • 会员专属群点击这里加入QQ群
客服邮箱
回到顶部