电脑桌面
添加小米粒文库到电脑桌面
安装后可以在桌面快捷访问

混凝土结构及砌体结构课程设计方案之一

混凝土结构及砌体结构课程设计方案之一_第1页
1/14
混凝土结构及砌体结构课程设计方案之一_第2页
2/14
混凝土结构及砌体结构课程设计方案之一_第3页
3/14
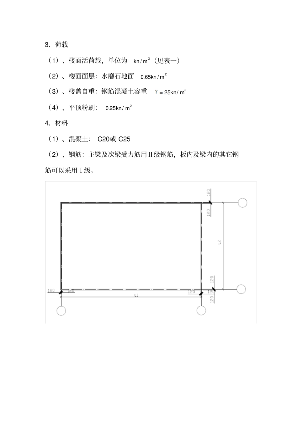
钢筋混凝土单向板肋梁楼盖课程设计任务书一、 设计题目设计某多层工业建筑(某生产车间)的中间楼面(采用现浇钢筋混凝土单向板肋梁楼盖)二、 设计内容1、结构平面布置图:柱网、主梁、次梁及板的布置2、板的强度计算(按塑性内力重分布计算)3、次梁强度计算(按塑性内力重分布计算)4、主梁强度计算(按弹性理论计算)5、绘制结构施工图(1)、结构平面布置图( 1:200)(2)、板的配筋图( 1:50)(3)、次梁的配筋图( 1:50;1:25)(4)、主梁的配筋图( 1:40;1:20)及弯矩 M、剪力 V的包络图(5)、钢筋明细表及图纸说明三、 设计资料1、题号第题(见表一,表中有39 道题目,学生可以选择不同的题目,表中长度单位为M)2、生产车间的四周外墙均为承重砖墙,内设钢筋混凝土柱,其截面尺寸为 350mm×350mm。3、荷载(1)、楼面活荷载,单位为2/ mkn(见表一)(2)、楼面面层:水磨石地面2/65.0mkn(3)、楼盖自重:钢筋混凝土容重3/25mkn(4)、平顶粉刷:2/25.0mkn4、材料(1)、混凝土: C20或 C25 (2)、钢筋:主梁及次梁受力筋用Ⅱ级钢筋,板内及梁内的其它钢筋可以采用Ⅰ级。5.5 6.0 6.5 7.0 7.5 8.0 31.2 ×18.91 2 3 32.4 ×19.84 5 6 7 8 9 33.6 ×20.7010 11 12 13 14 15 34.8 ×21.6016 17 18 19 20 21 36.0 ×22.5022 23 24 25 26 27 37.2 ×23.4028 29 30 31 32 33 38.4 ×24.3034 35 36 37 38 39 现浇钢筋混凝土单向板肋梁楼盖设计指导书一、 平面结构布置:柱网及梁格布置应根据建筑物使用要求确定,因本厂房在使用上无特殊要求,故结构布置应满足实用经济的原则,并注意以下问题。1、柱网布置可为正方形或长方形。2、板跨一般为1.7 ~2.7m,次梁跨度一般是4.0 ~6.0m,主梁跨度则为 5.0 ~8.0m,同时宜为板跨的3 倍(二道次梁)。3、对于板、次梁和主梁,实际上不宜得到完全相同的计算跨度,故可将中间各跨布置成等跨,而两边跨可布置得稍小些,但跨差不得超过 10%。二、板的设计(按塑性内力重分布计算):活 载题号L1*L2 m) 1、板、次梁、主梁的截面尺寸确定。板厚mmhB80,(当lh401时,满足刚度要求,可不验算挠度)。次梁121(ch~L)181,21(b~ch)31。主梁81(zh~L)141,21(b~zh)31。2、板的计算简图:板为多跨连续板,对于跨数超过五跨的等截面连续板,其各跨受荷相同,且跨差不超过10%时,均可按五跨等跨度连续板计算。当按塑...

1、当您付费下载文档后,您只拥有了使用权限,并不意味着购买了版权,文档只能用于自身使用,不得用于其他商业用途(如 [转卖]进行直接盈利或[编辑后售卖]进行间接盈利)。
2、本站所有内容均由合作方或网友上传,本站不对文档的完整性、权威性及其观点立场正确性做任何保证或承诺!文档内容仅供研究参考,付费前请自行鉴别。
3、如文档内容存在违规,或者侵犯商业秘密、侵犯著作权等,请点击“违规举报”。

碎片内容

混凝土结构及砌体结构课程设计方案之一

确认删除?
VIP
微信客服
  • 扫码咨询
会员Q群
  • 会员专属群点击这里加入QQ群
客服邮箱
回到顶部