电脑桌面
添加小米粒文库到电脑桌面
安装后可以在桌面快捷访问

混凝土路缘石检测报告

混凝土路缘石检测报告_第1页
1/2
混凝土路缘石检测报告_第2页
2/2
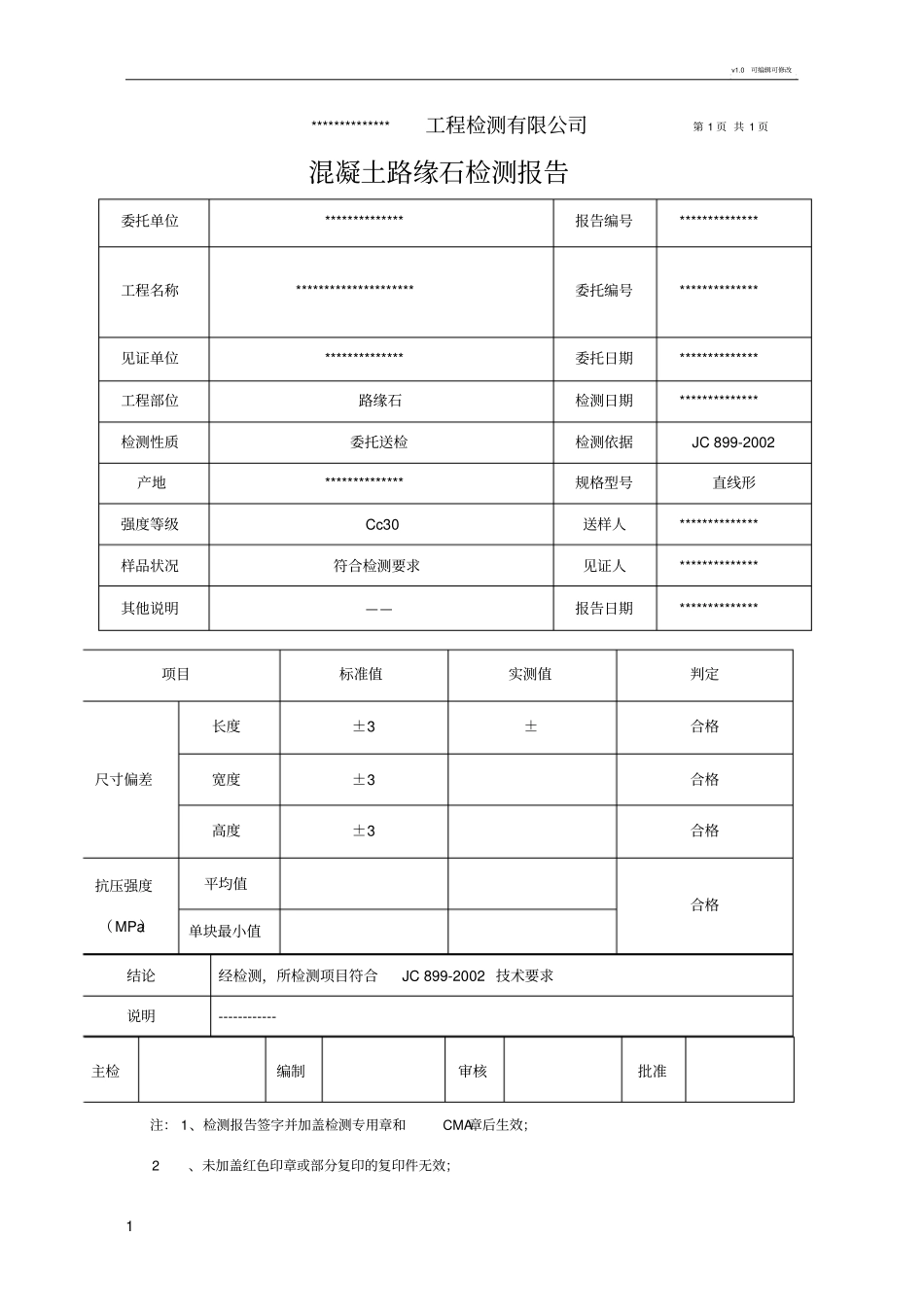
v1.0 可编辑可修改1 **************工程检测有限公司第 1 页 共 1 页混凝土路缘石检测报告委托单位**************报告编号**************工程名称*********************委托编号**************见证单位**************委托日期**************工程部位路缘石检测日期**************检测性质委托送检检测依据JC 899-2002产地**************规格型号直线形强度等级Cc30送样人**************样品状况符合检测要求见证人**************其他说明——报告日期**************注: 1、检测报告签字并加盖检测专用章和CMA章后生效; 2、未加盖红色印章或部分复印的复印件无效;项目标准值实测值判定尺寸偏差长度±3±合格宽度±3合格高度±3合格抗压强度(MPa)平均值合格单块最小值结论经检测,所检测项目符合JC 899-2002 技术要求说明------------主检编制审核批准v1.0 可编辑可修改2 3、对报告有异议时, 须于收到报告后15 日内提出, 不提出视为无异议;只对来样负责。 4、公司地址: ******************************************电话: **************邮箱: **************

1、当您付费下载文档后,您只拥有了使用权限,并不意味着购买了版权,文档只能用于自身使用,不得用于其他商业用途(如 [转卖]进行直接盈利或[编辑后售卖]进行间接盈利)。
2、本站所有内容均由合作方或网友上传,本站不对文档的完整性、权威性及其观点立场正确性做任何保证或承诺!文档内容仅供研究参考,付费前请自行鉴别。
3、如文档内容存在违规,或者侵犯商业秘密、侵犯著作权等,请点击“违规举报”。

碎片内容

混凝土路缘石检测报告

爱的疯狂+ 关注
实名认证
内容提供者

该用户很懒,什么也没介绍

确认删除?
VIP
微信客服
  • 扫码咨询
会员Q群
  • 会员专属群点击这里加入QQ群
客服邮箱
回到顶部