电脑桌面
添加小米粒文库到电脑桌面
安装后可以在桌面快捷访问

具备履行合同所必需的设备和专业技术能力的承诺书

具备履行合同所必需的设备和专业技术能力的承诺书_第1页
1/8
具备履行合同所必需的设备和专业技术能力的承诺书_第2页
2/8
具备履行合同所必需的设备和专业技术能力的承诺书_第3页
3/8
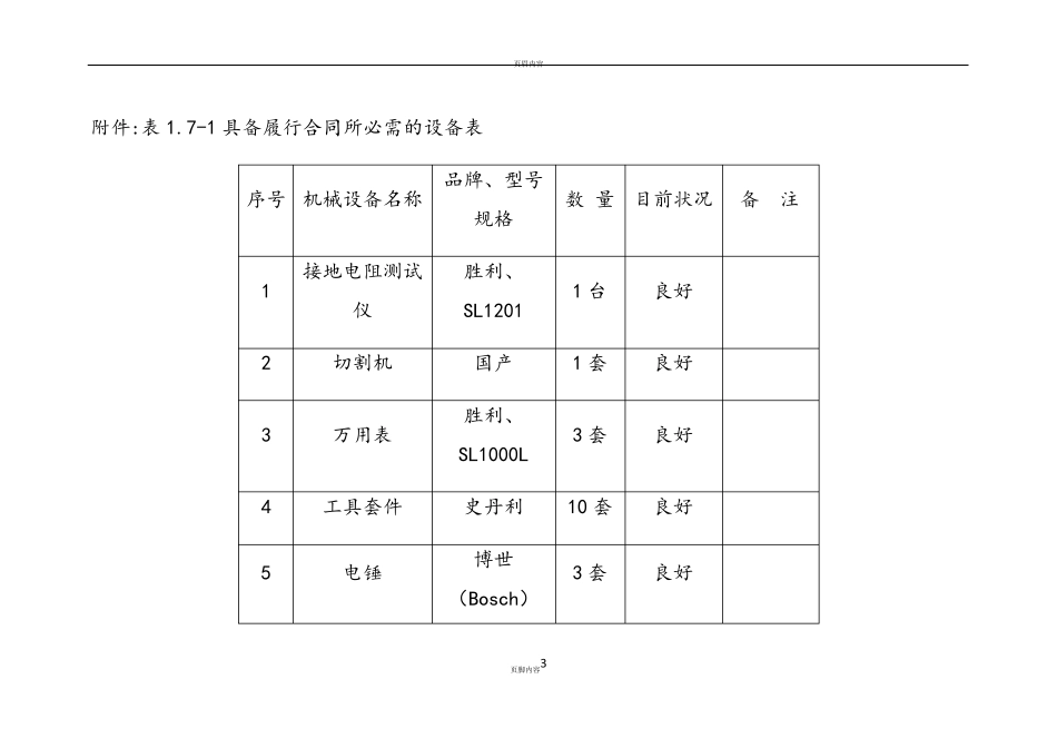
页眉内容 页脚内容1 具备履行合同所必需的设备和专业技术能力的承诺书 我公司参加贵方组织的项目投标活动,如我方获得中标资格,我方保证具备履行合同所必需的设备和专业技术能力,并承诺如下: (一)具有独立承担民事责任的能力; (二)具有良好的商业信誉和健全的财务会计制度; (三)具有履行合同所必需的设备和专业技术能力; (四)参加政府采购活动前三年内,在经营活动中没有重大违法记录; (五)法律、行政法规规定的其他条件。 (六)我公司已完全了解本招标文件中规定的技术要求和商务条款。 页眉内容 页脚内容2 同时,我公司具有很好的厂家原厂产品支持、技术服务、产品调试、系统使用培训及原厂售后服务承诺保持书。 如违反以上承诺,本公司愿承担一切法律责任。 投标人:(盖单位章) 法定代表人或其委托代理人: 日 期: 页眉内容 页脚内容3 附件:表1.7-1 具备履行合同所必需的设备表 序号 机械设备名称 品牌、型号规格 数 量 目前状况 备 注 1 接地电阻测试仪 胜利、SL1201 1 台 良好 2 切割机 国产 1 套 良好 3 万用表 胜利、SL1000L 3 套 良好 4 工具套件 史丹利 10 套 良好 5 电锤 博世(Bosch)3 套 良好 页眉内容 页脚内容4 GBH 2-20 6 手电钻 博世(BOSCH)TBM 3500 3 套 良好 7 激光测距仪 优利德 UT390G 2 个 良好 8 钢卷尺 三木 5 米 10 个 良好 9 对讲机 摩托罗拉、MT99 6 个 良好 10 水平仪 东美绿光 1 套 良好 页眉内容 页脚内容5 11 游标卡尺 宝工 1 套 良好 12 梯子 芭分 5 米 人字梯 2 套 良好 13 梯子 芭分 3.2 米 多功能梯 2 套 良好 14 光纤测试仪 岚宝、langb-90011W 2 套 良好 15 网络测试仪 强力、LI2200Q 5 套 良好 页眉内容 页脚内容6 页眉内容 页脚内容7 附件:表1.7-2 具备履行合同所必需专业技术能力人员表 岗位 姓名 岗位要求 性别 出生年月 工作年限 学历 岗位证书(资格证) 项目负责人(项目经理) 技术负责人 施工员 施工员 页眉内容 页脚内容8 安全员 安全员 质量员 (质检员) 资料员

1、当您付费下载文档后,您只拥有了使用权限,并不意味着购买了版权,文档只能用于自身使用,不得用于其他商业用途(如 [转卖]进行直接盈利或[编辑后售卖]进行间接盈利)。
2、本站所有内容均由合作方或网友上传,本站不对文档的完整性、权威性及其观点立场正确性做任何保证或承诺!文档内容仅供研究参考,付费前请自行鉴别。
3、如文档内容存在违规,或者侵犯商业秘密、侵犯著作权等,请点击“违规举报”。

碎片内容

具备履行合同所必需的设备和专业技术能力的承诺书

小辰7+ 关注
实名认证
内容提供者

出售各种资料和文档

确认删除?
VIP
微信客服
  • 扫码咨询
会员Q群
  • 会员专属群点击这里加入QQ群
客服邮箱
回到顶部