电脑桌面
添加小米粒文库到电脑桌面
安装后可以在桌面快捷访问

利乐TBA19型包装机保养图解

利乐TBA19型包装机保养图解_第1页
1/16
利乐TBA19型包装机保养图解_第2页
2/16
利乐TBA19型包装机保养图解_第3页
3/16
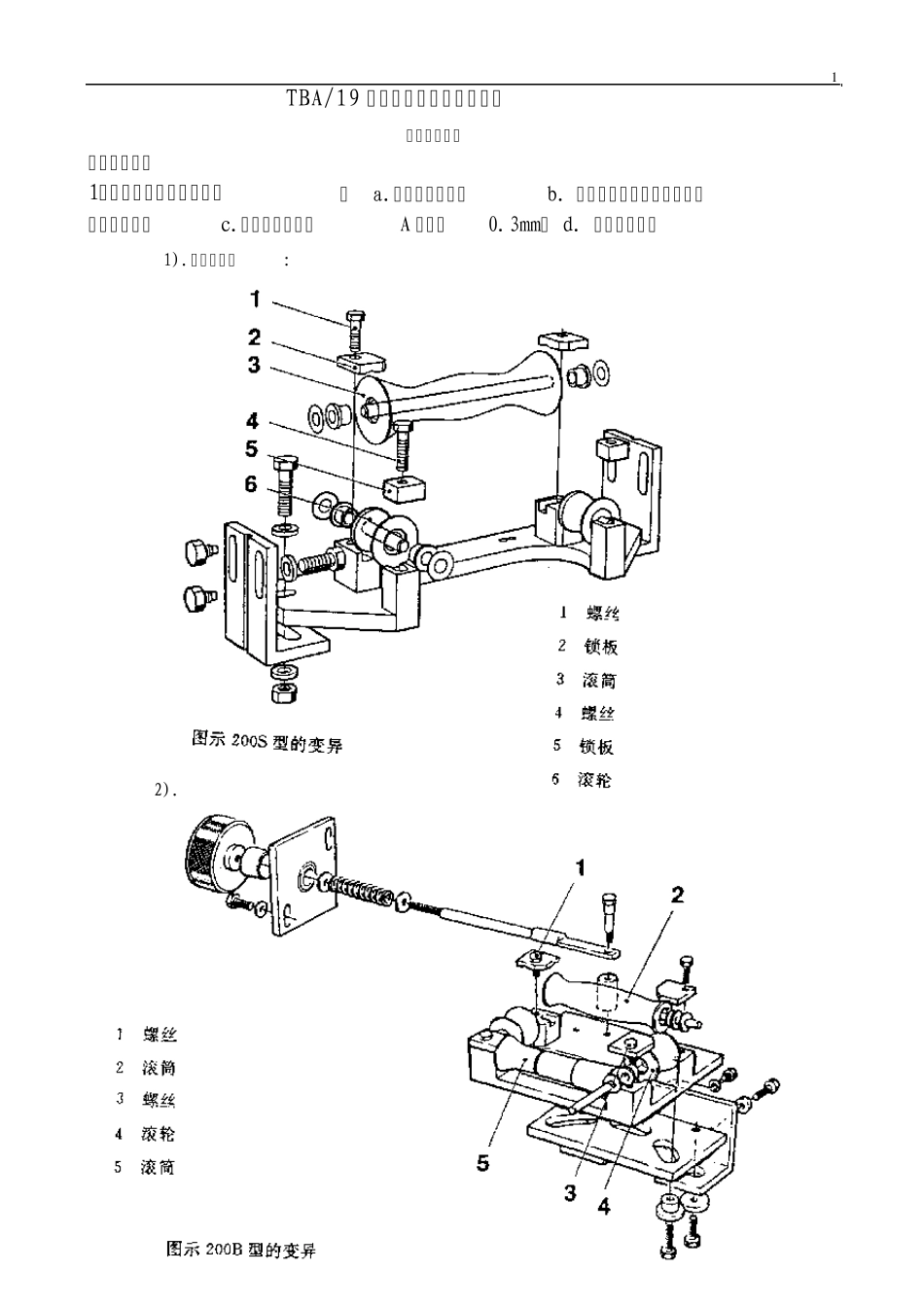
1 TBA/19 纸包机每周保养内容图解 (维修人员) 一.上部结构 1.纸管支撑和成形环滚轮: a.滚轮表面光滑;b. 当机器为温热时,所有滚轮能自由转动;c.滚轮之间的间隙A 不大于0.3mm; d. 衬套没磨损。 1).上部成形环: 2).活动成形环: 2 3).可分开成形环: 4).下部成形环: 3 5).支撑滚轮: 2.所有导向、转向滚筒: a.滚筒能自由转动;b.径向游隙不超过极限;c.表面光滑没有磨损。(注意所有滚筒轴承禁止使用普通黄油,只能用食品级润滑脂) 1)下导曲滚筒: 2 ).上导曲滚筒: 4 3.导曲滚筒(驱动): a.检查单向联结轴承,握住滚筒,向正常方向转动,试行反向转动;b.检查齿轮间啮合间隙不能过大;c。检查滚筒居中位置在1mm 之内 . 3 ).摺痕轮 4 ).导曲滚筒 5 4. 驳纸监测器(双层纸卷):a.感应开关功能正常;b。轴承转动灵活。 注意:居中位置 6 5.清理双氧水喷注盅过滤网: 二.夹爪系统 1. 容量曲面件-容量凸轮:检查图示项目有无磨损,特别是(6),并在(6)接触表面涂抹润滑油脂。 A≤0. 5mm 7 2. 拉耳凸轮和滚轮-设定;检查滚轮及凸轮之间的间隙为0.05-0.1mm,如不当 ,则调整(1)进行设定。 3. 夹爪摺角翼件-设定(0.7mm):摇机到0/180 度,使图案校正气筒保持于拉出位置,用塞尺检查间隙A:如图: A=0.05-0.1mm 8 4. 夹爪间隙-设定(1. 5mm):机器角度80/260 度,用塞尺进行检查。 5. 抓勾提升凸轮及滚轮-设定: a.置两层纸于夹爪间,手摇机至0/180 度,检查间隙A,如不正确,可按图进行加减垫片进行调整。 A=0.7±0.05mm A=1.5±0.1mm A=0.05-0.1mm 9 检查此项的目的,是为了保证每对抓勾能正确扣合以及正确打开。为达到此目的,也可较直观地通过以下的方法进行检查、调整:缓慢手摇机,直至扣勾处于尖对尖的位置(250B,大约为5/185 度) ,检查A 间隙,如不正确,按上面的方法进行调整。( 由于压力臂扣勾有侧间隙,必须注意保持水平无扭转) 6. 抓勾-扣勾间隙及扣勾: 缓慢手摇机,直至扣勾处于尖对尖的位置(250B,大约为5/185 度) ,检查B 间隙: A≥0.7m m B≥4m m 1 0 7. 成型盒-导向滚轮:a.检查导向滚轮转动是否灵活;b.滚轮是否磨损.c。检查成形盒的轴向间隙是否过大。 8.检查左右压力臂的IH 冷却水路是否通畅。 三.最后装置 1. 滑槽弹簧片及支架: a) 检查弹簧片的高度是否合适;b).检查支架(11)与左导板(10)、滑...

1、当您付费下载文档后,您只拥有了使用权限,并不意味着购买了版权,文档只能用于自身使用,不得用于其他商业用途(如 [转卖]进行直接盈利或[编辑后售卖]进行间接盈利)。
2、本站所有内容均由合作方或网友上传,本站不对文档的完整性、权威性及其观点立场正确性做任何保证或承诺!文档内容仅供研究参考,付费前请自行鉴别。
3、如文档内容存在违规,或者侵犯商业秘密、侵犯著作权等,请点击“违规举报”。

碎片内容

利乐TBA19型包装机保养图解

确认删除?
VIP
微信客服
  • 扫码咨询
会员Q群
  • 会员专属群点击这里加入QQ群
客服邮箱
回到顶部