电脑桌面
添加小米粒文库到电脑桌面
安装后可以在桌面快捷访问

制剂车间生产过程风险评估报告VIP专享

制剂车间生产过程风险评估报告_第1页
1/8
制剂车间生产过程风险评估报告_第2页
2/8
制剂车间生产过程风险评估报告_第3页
3/8
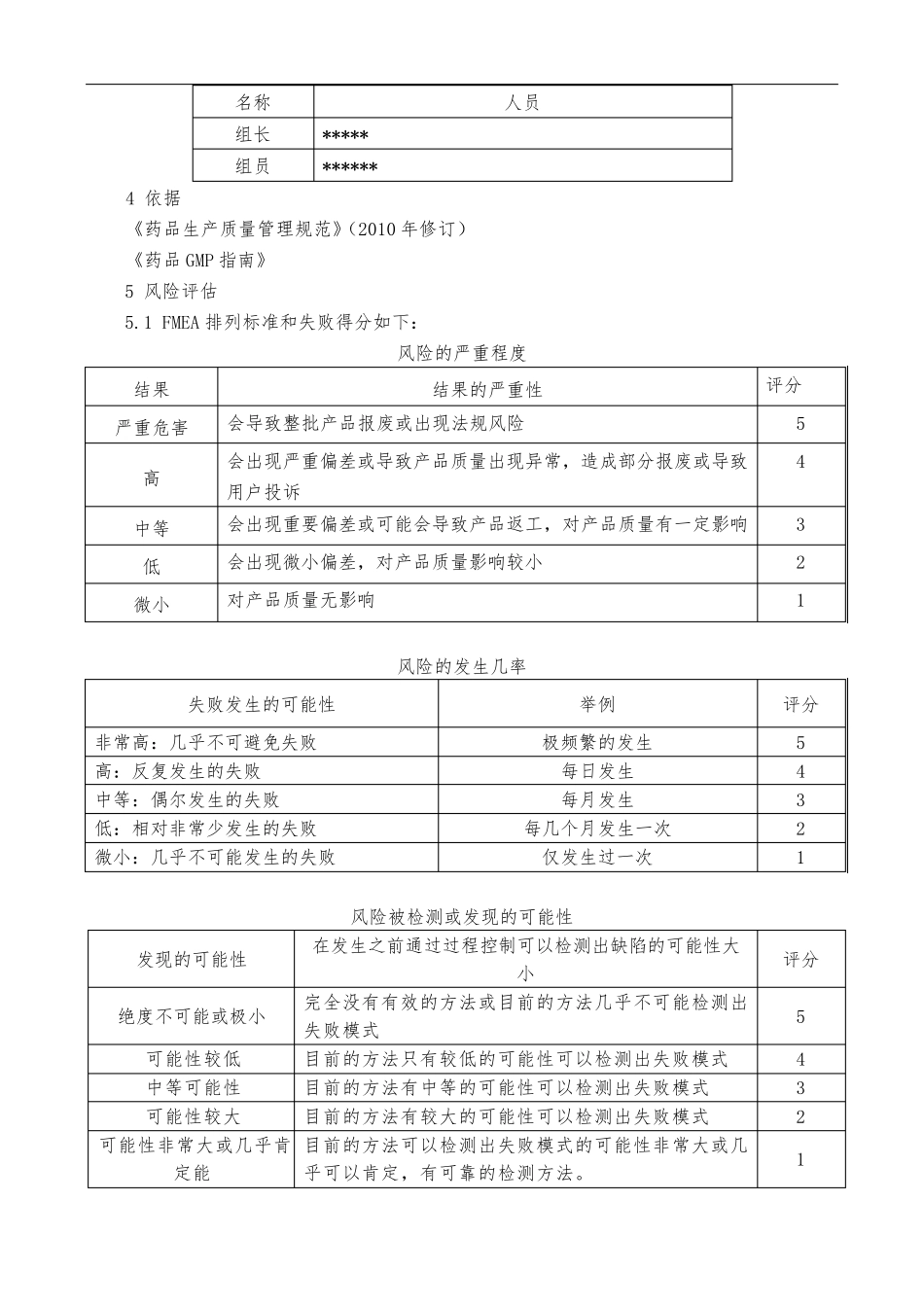
GMP 文件 题 目 制剂车间生产过程质量风险评估 编 号 第 1 页 共 页 起草/修订 日 期 制定部门 制剂车间 审 核 日 期 颁发部门 质量部 批 准 日 期 生效日期 分发部门 质量部、制剂一车间、制剂二车间、生产部 目的: 对生产的全过程中所有可能出现的风险进行评估,确定各剂型重点控制的目标,核实和制定纠正和预防措施,对于高风险和中等风险的必须确定降低风险的措施,低风险加强生产过程控制,确保产品质量,降低风险发生的可能性,提高可检测性(可检测性),将风险控制在可接受水平。 将风险评估的结果应用于指导工艺规程、车间管理与操作规程的修订与工艺验证。 范围:制剂车间生产全过程。 责任:制剂车间工艺员负责风险信息收集,质量部负责审核、批准。 内容: 1 概述 我公司生产销售批准的中西药产品62 个,常年生产品种21 个,常年生产的品种主要有:***片等。公司对制剂一车间、制剂二车间、提取车间的厂房、生产设施和设备多产品共用可行性进行了风险评估并采取了措施,已将交叉污染的风险降低为可接受水平。 针对公司实际的生产情况,对制剂车间生产的全过程进行了分析,对每 一工艺过程中可能会 发生的影 响 产品质量的步 骤 进行风险分析、评价 和风险控制,确定优 先 控制的目标和实行的措施,降低风险发生的可能性,提高可检测性,将风险控制在可接受水平。 2 风险管理分析方 法 失 败 模 式 效果分析法 (FMEA) 3 职 责 风险评估小 组 : 组 长 :负责风险管理的协 调 与风险评估文件的撰 写 。 组 员:负责收集和组 织 风险信息,提出风险项 目,分析、评估风险项 目,并提出降低风险项 目的措施。 名 称 人 员 组 长 ***** 组 员 ****** 4 依 据 《 药 品 生 产 质 量 管 理 规 范 》( 2010 年 修 订 ) 《 药 品 GMP 指 南 》 5 风 险 评 估 5.1 FMEA 排 列 标 准 和 失 败 得 分 如 下 : 风 险 的 严 重 程 度 结 果 结 果 的 严 重 性 评 分 严 重 危 害 会 导 致 整 批 产 品 报 废 或 出 现 法 规 风 险 5 高 会 出 现 严 重 偏 差 或 导 致 产 品 质 量 出 现 异 常 , 造 成 部 分 报 废 或 导 致用 户 投 诉 4 中 等 会 出 现 重 要 偏 差 或 可 能 会 导 致 产 品 返 工...

1、当您付费下载文档后,您只拥有了使用权限,并不意味着购买了版权,文档只能用于自身使用,不得用于其他商业用途(如 [转卖]进行直接盈利或[编辑后售卖]进行间接盈利)。
2、本站所有内容均由合作方或网友上传,本站不对文档的完整性、权威性及其观点立场正确性做任何保证或承诺!文档内容仅供研究参考,付费前请自行鉴别。
3、如文档内容存在违规,或者侵犯商业秘密、侵犯著作权等,请点击“违规举报”。

碎片内容

制剂车间生产过程风险评估报告

确认删除?
VIP
微信客服
  • 扫码咨询
会员Q群
  • 会员专属群点击这里加入QQ群
客服邮箱
回到顶部