电脑桌面
添加小米粒文库到电脑桌面
安装后可以在桌面快捷访问

力士乐液压泵站焊接规范

力士乐液压泵站焊接规范_第1页
1/12
力士乐液压泵站焊接规范_第2页
2/12
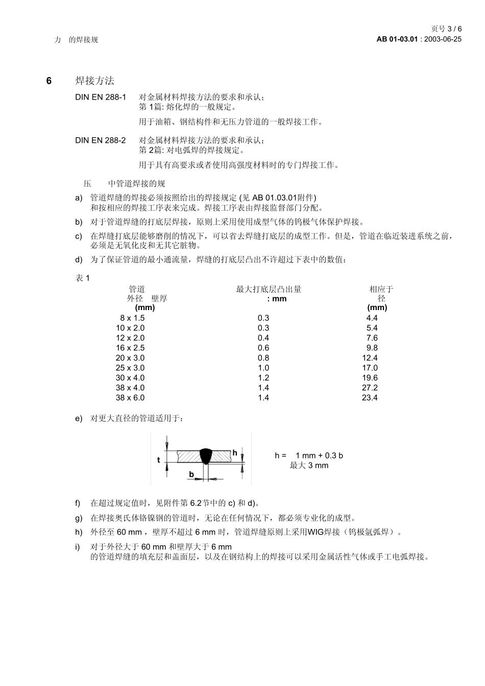
力士乐液压泵站焊接规范_第3页
3/12
IndustrialHydraulicsElectric Drivesand ControlsLinear Motion andAssembly TechnologiesPneumaticsServiceAutomationMobileHydraulics动力站标准动力站的焊接规范AB 01-03.01加工说明2003-06-25组织机构说明,实施规范,加工说明。代替AB 01-03.01 : 1999-02-18Bosch Rex roth AG制作:BRI/TDV3, Ewald C.Zum Eisengießer 1 • D-97816 Lohr am Main • 德国检查:BRI/TDVAlbrecht M.电话 +49 9352 18-0 • 传真 +49 9352 18-2917批准:BRI-AB-PMT, Wiesmann E.页号 1 / 6© Bosch Rexroth AG 2003ab-01-03-01-000_nor_n_zh_2003-06-25.doc目录1目的...................................................................................................................... 22应用范围............................................................................................................... 23负责部门............................................................................................................... 24对企业的要求 ....................................................................................................... 25人员...................................................................................................................... 25.1焊接监督............................................................................................................... 25.2焊接工作的实施.................................................................................................... 25.3焊工考核的实施.................................................................................................... 25.4焊接工作人员........................................................................................................ 26焊接方法............................................................................................................... 37材料...................................................................................................................... 47.1钢结构件的基础材料.............................................................................

1、当您付费下载文档后,您只拥有了使用权限,并不意味着购买了版权,文档只能用于自身使用,不得用于其他商业用途(如 [转卖]进行直接盈利或[编辑后售卖]进行间接盈利)。
2、本站所有内容均由合作方或网友上传,本站不对文档的完整性、权威性及其观点立场正确性做任何保证或承诺!文档内容仅供研究参考,付费前请自行鉴别。
3、如文档内容存在违规,或者侵犯商业秘密、侵犯著作权等,请点击“违规举报”。

碎片内容

力士乐液压泵站焊接规范

确认删除?
VIP
微信客服
  • 扫码咨询
会员Q群
  • 会员专属群点击这里加入QQ群
客服邮箱
回到顶部