电脑桌面
添加小米粒文库到电脑桌面
安装后可以在桌面快捷访问

东四与主体接口处冠梁破除施工方案样本

东四与主体接口处冠梁破除施工方案样本_第1页
1/6
东四与主体接口处冠梁破除施工方案样本_第2页
2/6
东四与主体接口处冠梁破除施工方案样本_第3页
3/6
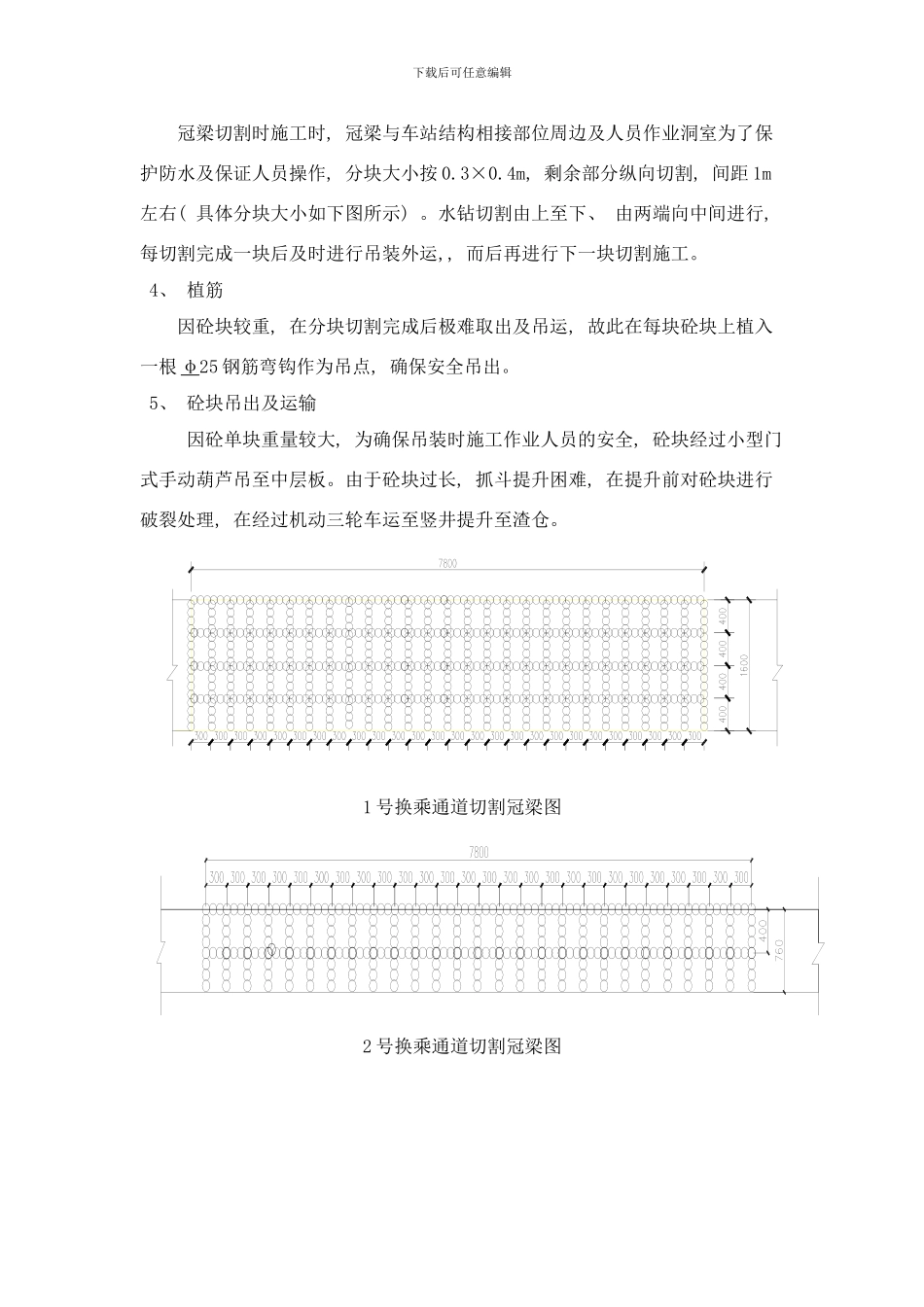
下载后可任意编辑北京地铁 6 号线一期工程土建施工 03 合同段地铁 6 号线东四站换乘通道与主体接口处冠梁破除变更方案 编制: 审核: 批准: 中铁隧道集团有限公司北京地铁六号线一期三标项目经理部二 0 一二年三月下载后可任意编辑东四站换乘通道与主体接口处冠梁破除变更方案§1 工程概况东四站位于东四西大街东侧偏南, 紧邻地铁 5 号线东四站。本站东端头与地铁 5 号线东四站换乘, 西端头将与地铁 3 号线换乘, 洞口梁支撑在桩顶冠梁上方, 在出入口及风道结构初支施工前, 需对该部位桩顶冠梁进行破除。§2 变更原因 1、 冠梁距中板高度高, 需要在中板搭设脚手架, 且需要将桩顶冠梁分块切割后方能下放, 由于该部位无法采纳机械吊运, 只能采纳人工配合小型机具进行混凝土块搬运, 切割只能采纳水平切割, 切割后需要将混凝土块水平抽出, 如分块过大, 人工根本无法操作, 且施工过程中存在较大安全隐患。2、 人工破除边破边割除冠梁钢筋, 进尺少, 需自下而上破除, 破除较困难, 人工破除冠梁需要 20 天时间施工完成, 水钻破除则需 7 天时间完成, 严重制约工期。§3 主要施工方法 1、 施工流程 达到破除条件→搭设施工平台→按要求进行水钻切割→植入吊钩及砼块吊装→运输 2、 脚手架搭设 因冠梁与车站中板高差较大, 且施工施工时取出的砼单块重量较大, 为确保施工安全及满足施工作业要求, 必须搭设脚手架, 脚手架上工作平台必须满铺木板, 并设护栏。 3、 破除施工方法由于冠梁混凝土标号高( C30) , 且配筋较密, 人工根本无法破除, 影响整个附属结构整体工期, 因此采纳水钻分块切割, 因距中板高度较高, 为保证施工人员安全, 切割块单块重量不大于 1500kg。分块取出后, 吊至中层板采纳风镐破裂后, 人工运至竖井做废渣处理。由于冠梁较长, 在水钻切割时在冠梁中间设置人员作业洞室( 宽度 0.8~1m, 保证施工人员作业空间) 。下载后可任意编辑冠梁切割时施工时, 冠梁与车站结构相接部位周边及人员作业洞室为了保护防水及保证人员操作, 分块大小按 0.3×0.4m, 剩余部分纵向切割, 间距 1m左右( 具体分块大小如下图所示) 。水钻切割由上至下、 由两端向中间进行, 每切割完成一块后及时进行吊装外运,, 而后再进行下一块切割施工。 4、 植筋 因砼块较重, 在分块切割完成后极难取出及吊运, 故此在每块砼块上植入一根 φ25 钢筋弯钩作为吊点, 确保安全吊出。 5、 ...

1、当您付费下载文档后,您只拥有了使用权限,并不意味着购买了版权,文档只能用于自身使用,不得用于其他商业用途(如 [转卖]进行直接盈利或[编辑后售卖]进行间接盈利)。
2、本站所有内容均由合作方或网友上传,本站不对文档的完整性、权威性及其观点立场正确性做任何保证或承诺!文档内容仅供研究参考,付费前请自行鉴别。
3、如文档内容存在违规,或者侵犯商业秘密、侵犯著作权等,请点击“违规举报”。

碎片内容

东四与主体接口处冠梁破除施工方案样本

雏圣文化+ 关注
实名认证
内容提供者

欢迎光临,大量办公文档供您挑选。

确认删除?
VIP
微信客服
  • 扫码咨询
会员Q群
  • 会员专属群点击这里加入QQ群
客服邮箱
回到顶部