电脑桌面
添加小米粒文库到电脑桌面
安装后可以在桌面快捷访问

励磁变压器技术规范书

励磁变压器技术规范书_第1页
1/10
励磁变压器技术规范书_第2页
2/10
励磁变压器技术规范书_第3页
3/10
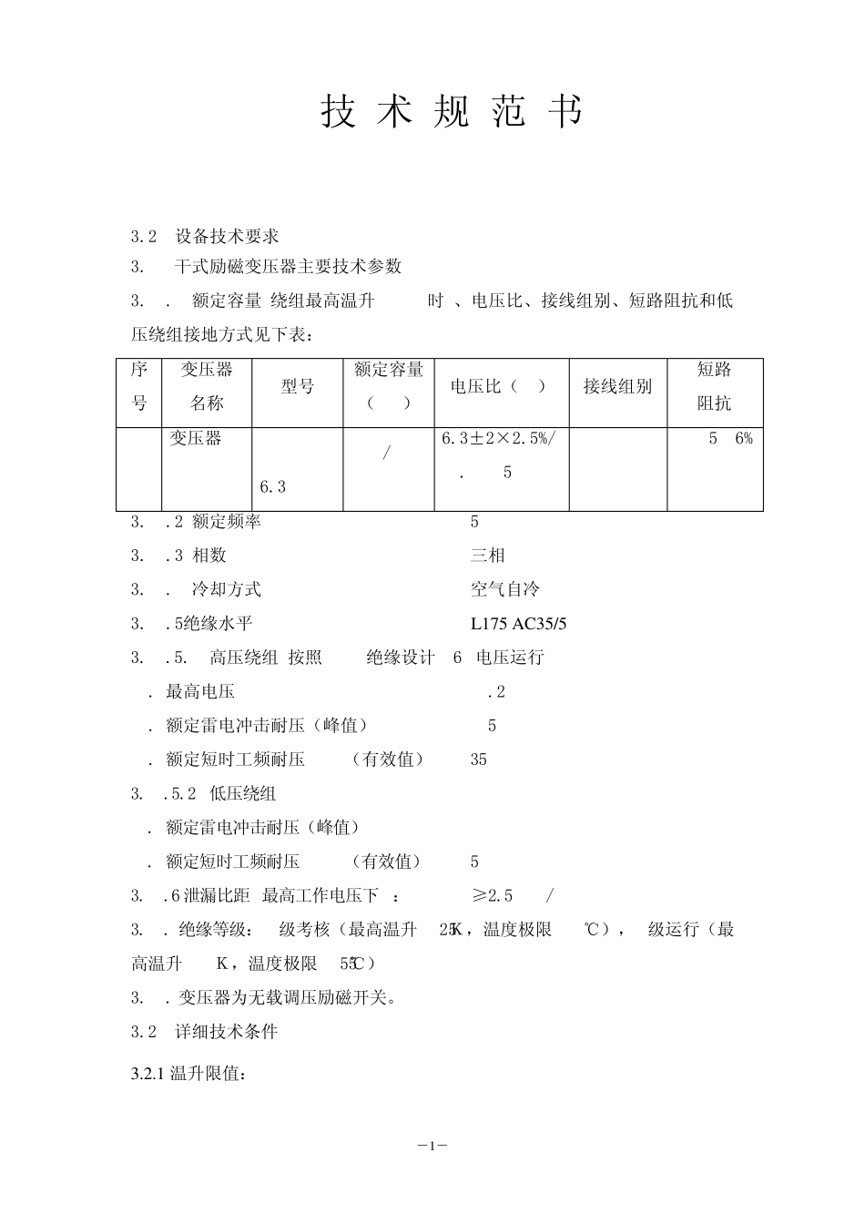
-1- 技 术 规 范 书 3.2 设备技术要求 3.1 干式励磁变压器主要技术参数 3.1.1 额定容量(绕组最高温升100 K时)、电压比、接线组别、短路阻抗和低压绕组接地方式见下表: 序号 变压器 名称 型号 额定容量(kVA) 电压比(kV) 接线组别 短路 阻抗 1 变压器 ZSC9-80/6.3 80 6.3±2×2.5%/0.095 Y,d11 5~6% 3.1.2 额定频率 50Hz 3.1.3 相数 三相 3.1.4 冷却方式 空气自冷 3.1.5 绝缘水平 L175 AC35/5 3.1.5.1 高压绕组(按照 10kV绝缘设计,6kV电压运行) a. 最高电压 7.2kV b. 额定雷电冲击耐压(峰值) 75kV c. 额定短时工频耐压1min(有效值) 35kV 3.1.5.2 低压绕组 a. 额定雷电冲击耐压(峰值) 10kV b. 额定短时工频耐压1min(有效值) 5kV 3.1.6 泄漏比距(最高工作电压下): ≥2.5cm/kV 3.1.7 绝缘等级:H 级考核(最高温升125K,温度极限 180℃),F 级运行(最高温升100K,温度极限 155℃) 3.1.8变压器为无载调压励磁开关。 3.2 详细技术条件 3.2.1 温升限值: -2- a.高压/低压侧线圈的温升限值为:100K/100K b.最热点温度不大于150℃/150℃ 因此,励磁变考虑到非正弦电流各次谐波电流引起损耗增加,以及由于励磁变压器要求在 1.1倍额定电流下能长期运行,因此,变压器设计时,把温升定为80K. 3.2.2 承受二次出口短路的能力应符合 GB1094.2。 3.2.3 局部放电水平(采用感应法):小于10pC。 3.2.4 应保证在正常运行及维护条件下,预期寿命不小于30 年。 3.2.5 过电压能力:环境温度+40℃下,在过电压5%时可连续满负载运行,过电压10%时可连续空载运行。 3.2.6 变压器噪声须低于国家低噪声变压器标准,具体要求见附表(参见国家建筑标准设计 99D268)。 3.2.7由于励磁变压器二次电流的非正弦性,在铁心中将会产生各高次谐波磁通,使铁心加快进入饱和状态。另外,励磁系统起动瞬间的频率较低,磁密相应较高。因此,磁密选取必须合适,应为1.52T以下. 3.3 结构尺寸要求: 3.3.1 铁心 3.3.1.1 全部金属部件应有防锈处理,其使用寿命应与变压器使用寿命相同。变压器接地端子应与铁芯夹件以及基础型钢保证可靠的电气连接。 3.3.1.2 铁心为双面绝缘晶粒优质冷轧取向硅钢片,全斜接缝,铁轭拉带拉紧,拉板结构,心柱玻璃丝带绑扎。采取了先进的五阶梯步叠铁心工艺,降低空载损耗和空载电流及噪音。每片硅钢叠片均浸渍绝缘漆以减少涡流损耗,...

1、当您付费下载文档后,您只拥有了使用权限,并不意味着购买了版权,文档只能用于自身使用,不得用于其他商业用途(如 [转卖]进行直接盈利或[编辑后售卖]进行间接盈利)。
2、本站所有内容均由合作方或网友上传,本站不对文档的完整性、权威性及其观点立场正确性做任何保证或承诺!文档内容仅供研究参考,付费前请自行鉴别。
3、如文档内容存在违规,或者侵犯商业秘密、侵犯著作权等,请点击“违规举报”。

碎片内容

励磁变压器技术规范书

您可能关注的文档

确认删除?
VIP
微信客服
  • 扫码咨询
会员Q群
  • 会员专属群点击这里加入QQ群
客服邮箱
回到顶部