电脑桌面
添加小米粒文库到电脑桌面
安装后可以在桌面快捷访问

劳动部职业资格证书

劳动部职业资格证书_第1页
1/8
劳动部职业资格证书_第2页
2/8
劳动部职业资格证书_第3页
3/8
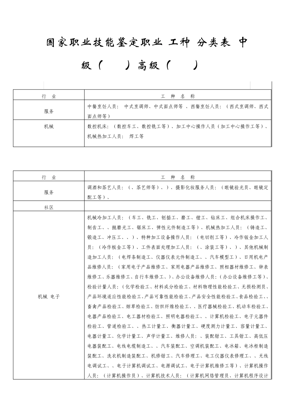
国家职业技能鉴定职业(工种)分类表 中级(450)高级(550) 行 业 工 种 名 称 服务 中餐烹饪人员:(中式烹调师、中式面点师等)、西餐烹饪人员:(西式烹调师、西式面点师等) 机械 数控机床:(数控车工、数控铣工等)、加工中心操作人员(加工中心操作工等)、机械热加工人员:(焊工等) 行 业 工 种 名 称 服务 调酒和茶艺人员:(、茶艺师等)、)、摄影化妆服务人员:(眼镜验光员、眼镜定配工等)、 社区 机械.电子 机械冷加工人员:(车工、铣工、刨插工、磨工、镗工、钻床工、组合机床操作工、制齿工、、抛磨光工、锯床工、弹性元件制造工等)、机械热加工人员:(铸造工、锻造工、冲压工、、)、特种加工设备操作人员:(电切削工等)、冷作钣金加工人员:(冷作板金工等)、工件表面处理加工人员:(、涂装工等)、)、其他机械制造加工人员:(电焊条制造工、仪器仪表元件制造工、、汽车模型工)、日用机电产品维修人员:(家用电子产品维修工、家用电器产品维修工、照相器材维修工、钟表维修工、乐器维修工、自行车维修工、)、办公设备维修人员:(办公设备维修工等)、检验计量人员:(化学检验工、材料成分检验工、材料物理性能检验工、无损检测员、产品环境适应性能检验工、产品可靠性能检验工、产品安全性能检验工、食品检验工、、畜禽产品检验工、烟草检验工、纺织纤维检验工、、医疗器械检验工、机动车检验工、电器产品检验工、电工器材检验工、照明电器检验工、、计算机检验工、电子元器件检验工、管道检验工、、热工计量工、衡器计量工、硬度测力计量工、容量计量工、电器计量工、化学计量工、声学计量工、维修人员:、装配钳工、工具钳工、高低压电器装配工、电线电缆制造工、、汽车装配工、空调机装配工、电冰箱、电冰柜制造装配工、洗衣机制造装配工、机修钳工、汽车修理工、电工仪器仪表修理工、、无线电调试工、、电子计算机调试工、电源调试工、电子计算机维修工等)、计算机操作人员:(计算机操作员)、计算机技术人员:(计算机网络管理员、计算机程序设计员、多媒体作品制作员、数字视频策划制作师等)、 五金.动力 动力设备装配人员:(汽轮机装配工、内燃机装配工、锅炉设备装配工、电机装配工等)、医疗器械装配及假肢与矫形器制作人员:(医疗器械装配工、假肢制作装配工、矫形器制作装配工等 )、五金制品制作装配人员:(五金工具制作工、建筑五金制品制作工、制锁工、铝制品制作工...

1、当您付费下载文档后,您只拥有了使用权限,并不意味着购买了版权,文档只能用于自身使用,不得用于其他商业用途(如 [转卖]进行直接盈利或[编辑后售卖]进行间接盈利)。
2、本站所有内容均由合作方或网友上传,本站不对文档的完整性、权威性及其观点立场正确性做任何保证或承诺!文档内容仅供研究参考,付费前请自行鉴别。
3、如文档内容存在违规,或者侵犯商业秘密、侵犯著作权等,请点击“违规举报”。

碎片内容

劳动部职业资格证书

确认删除?
VIP
微信客服
  • 扫码咨询
会员Q群
  • 会员专属群点击这里加入QQ群
客服邮箱
回到顶部