电脑桌面
添加小米粒文库到电脑桌面
安装后可以在桌面快捷访问

化粪池工序质量报验资料

化粪池工序质量报验资料_第1页
1/9
化粪池工序质量报验资料_第2页
2/9
化粪池工序质量报验资料_第3页
3/9
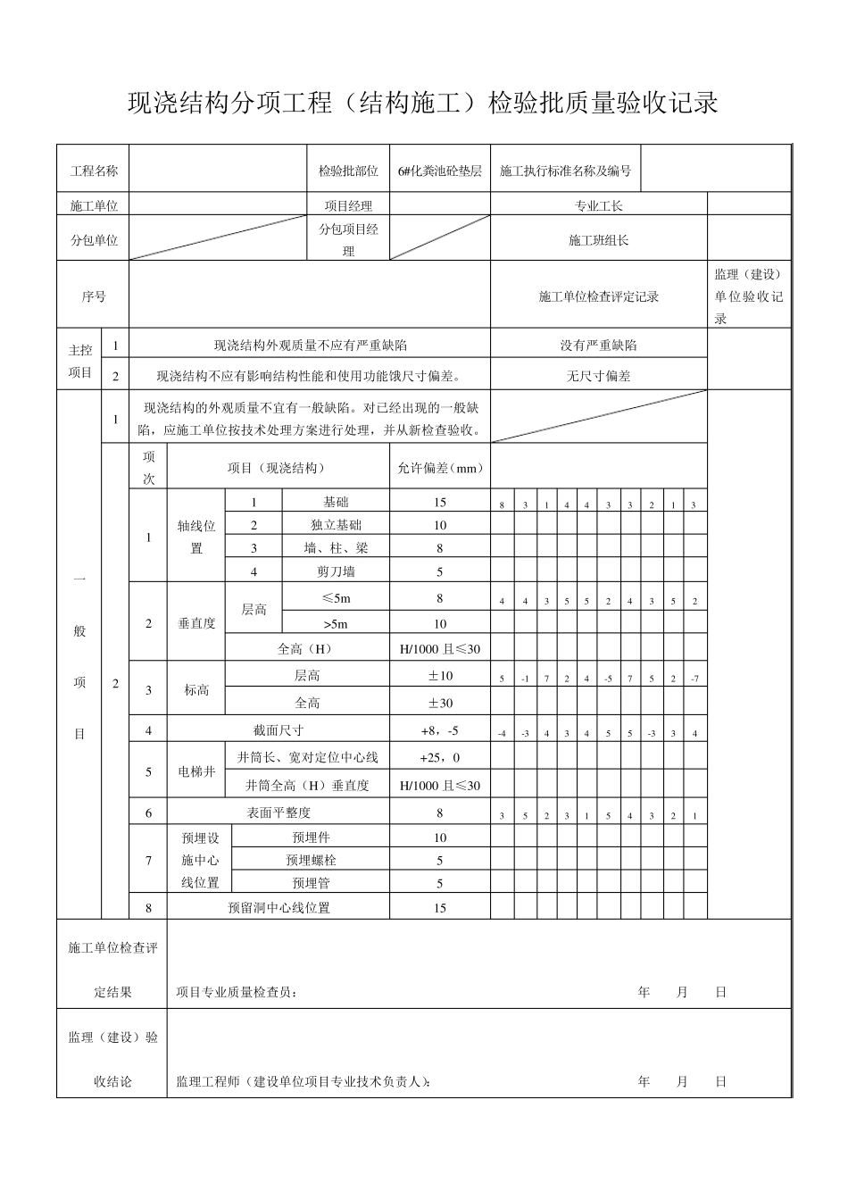
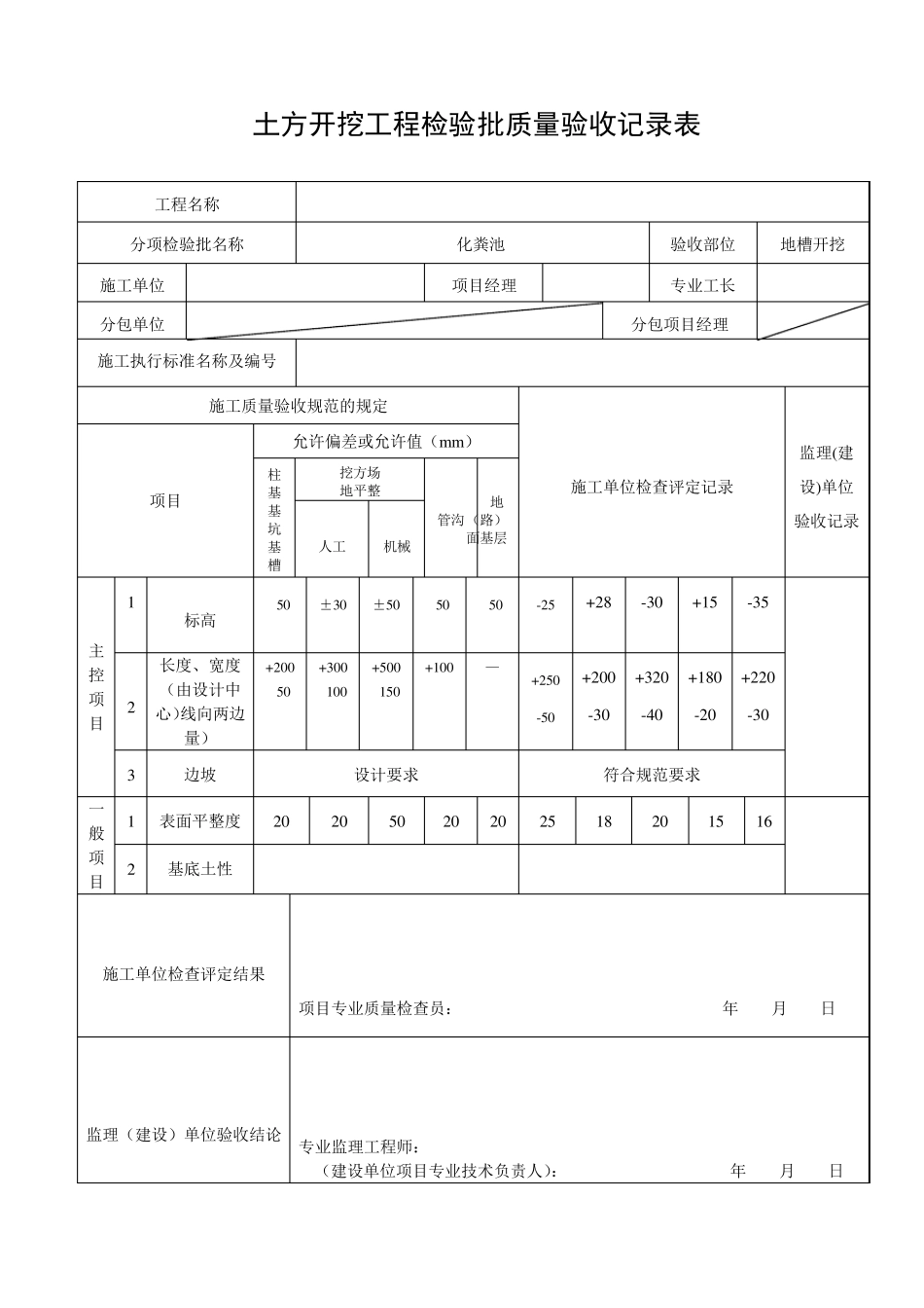
土方开挖工程检验批质量验收记录表 工程名称 分项检验批名称 6#化粪池 验收部位 地槽开挖 施工单位 项目经理 专业工长 分包单位 分包项目经理 施工执行标准名称及编号 施工质量验收规范的规定 施工单位检查评定记录 监理(建设)单位验收记录 项目 允许偏差或允许值(m m ) 柱基基坑基槽 挖方场 地平整 管沟 地(路)面基层 人工 机械 主控项目 1 标高 -50 ±30 ±50 -50 -50 -25 +28 -30 +15 -35 2 长度、宽度 (由设计中心)线向两边量) +200 -50 +300 -100 +500 -150 +100 — +250 -50 +200 -30 +320 -40 +180 -20 +220 -30 3 边坡 设计要求 符合规范要求 一般项目 1 表面平整度 20 20 50 20 20 25 18 20 15 16 2 基底土性 施工单位检查评定结果 项目专业质量检查员: 年 月 日 监理(建设)单位验收结论 专业监理工程师: (建设单位项目专业技术负责人): 年 月 日 模板分项工程(现浇结构模板安装)检验批质量验收记录 工程名称 检验批部位 6#化粪池垫层模板 施工执行标准名称及编号 施工单位 项目经理 专业工长 分包单位 分包项目经理 施工班组长 序号 施工单位检查评定记录 监理(建设)单位验收记录 主控项目 1 安装现浇结构的上层模板及其支架时,下层楼板应具有承受上层荷载的承载能力,或加设支架;上、下层支架的立柱应对准,并铺设垫板。 2 在涂刷模板隔离剂时,不得玷污钢筋和混凝土接槎处。 没有玷污 一 般 项 目 1 模板安装应满足下列要求: 1. 模板的接缝不应漏浆;在浇筑混凝土前,木模板应浇水湿润,但模板内不应有积水; 2. 板与混凝土的接触面应清理干净并涂刷隔离剂,但不得采用影响结构性能或妨碍装饰工程施工的隔离剂; 3. 浇筑混凝土前,模板内的杂务应清理干净; 接缝严密刷隔离剂已清理干净 2 对跨度不小于 4m 的现浇钢筋混凝土梁、板,其模板应按设计要求起拱;当设计无具体要求时,起拱高度宜为跨度的1/1000~3/1000。 3 固定在模板上的预埋件、预留孔和预留洞均不得遗漏,且应安装牢固,其偏差应符合下表的规定。 项次 项目(预埋件和预留孔洞) 允许偏差(mm) 1 预埋钢板中心线位置 3 2 预埋管、预留孔中心线位置 3 3 插筋 中心线位置 5 外露长度 +10,0 4 预制螺栓 中心线位置 2 外露长度 +10,0 5 预留洞 中心线位置 10 尺寸 +10,0 4 项...

1、当您付费下载文档后,您只拥有了使用权限,并不意味着购买了版权,文档只能用于自身使用,不得用于其他商业用途(如 [转卖]进行直接盈利或[编辑后售卖]进行间接盈利)。
2、本站所有内容均由合作方或网友上传,本站不对文档的完整性、权威性及其观点立场正确性做任何保证或承诺!文档内容仅供研究参考,付费前请自行鉴别。
3、如文档内容存在违规,或者侵犯商业秘密、侵犯著作权等,请点击“违规举报”。

碎片内容

化粪池工序质量报验资料

您可能关注的文档

确认删除?
VIP
微信客服
  • 扫码咨询
会员Q群
  • 会员专属群点击这里加入QQ群
客服邮箱
回到顶部