电脑桌面
添加小米粒文库到电脑桌面
安装后可以在桌面快捷访问

化粪池砼工序质量评定表VIP专享

化粪池砼工序质量评定表_第1页
1/10
化粪池砼工序质量评定表_第2页
2/10
化粪池砼工序质量评定表_第3页
3/10
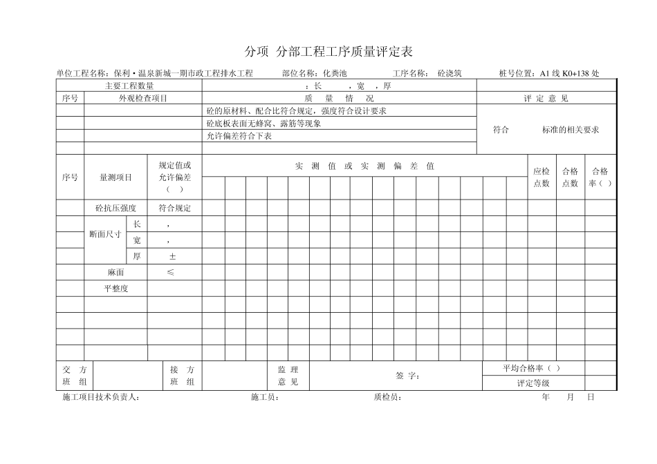
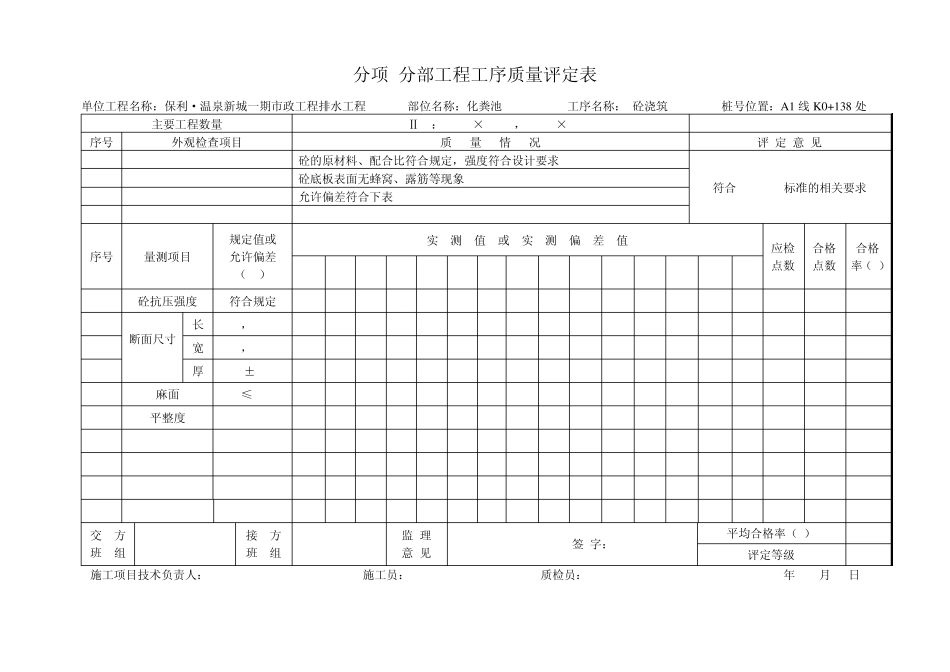
分项/分部工程工序质量评定表 单位工程名称:保利·温泉新城一期市政工程排水工程 部位名称:化粪池 工序名称: 砼浇筑 桩号位置:A 1 线K 0+138 处 主要工程数量 Z11-50SQF:长10.12m,宽4m,厚0.2m 序号 外观检查项目 质 量 情 况 评 定 意 见 1 CJJ2-90 8.0.1 砼的原材料、配合比符合规定,强度符合设计要求 符合CJJ2-90标准的相关要求 2 CJJ2-90 8.0.2 砼底板表面无蜂窝、露筋等现象 3 CJJ2-90 8.0.5 允许偏差符合下表 4 序号 量测项目 规定值或 允许偏差 (mm) 实 测 值 或 实 测 偏 差 值 应检 点数 合格 点数 合格率(%) 1 2 3 4 5 6 7 8 9 1 0 1 1 1 2 1 3 1 4 15 1 砼抗压强度 符合规定 2 断面尺寸 长 0,-10 3 宽 0,-10 4 厚 ±5 5 麻面 ≤1% 6 平整度 8 7 8 9 10 交 方 班 组 接 方 班 组 监 理 意 见 签 字: 平均合格率(%) 评定等级 施工项目技术负责人: 施工员: 质检员: 年 月 日 分项/分部工程工序质量评定表 单位工程名称:保利·温泉新城一期市政工程排水工程 部位名称:化粪池 工序名称: 砼浇筑 桩号位置:A 1 线K 0+138 处 主要工程数量 QLF-Ⅱ-6:250mm×490mm,250mm×370mm 序号 外观检查项目 质 量 情 况 评 定 意 见 1 CJJ2-90 8.0.1 砼的原材料、配合比符合规定,强度符合设计要求 符合CJJ2-90标准的相关要求 2 CJJ2-90 8.0.2 砼底板表面无蜂窝、露筋等现象 3 CJJ2-90 8.0.5 允许偏差符合下表 4 序号 量测项目 规定值或 允许偏差 (mm) 实 测 值 或 实 测 偏 差 值 应检 点数 合格 点数 合格率(%) 1 2 3 4 5 6 7 8 9 1 0 1 1 1 2 1 3 1 4 15 1 砼抗压强度 符合规定 2 断面尺寸 长 0,-10 3 宽 0,-10 4 厚 ±5 5 麻面 ≤1% 6 平整度 8 7 8 9 10 交 方 班 组 接 方 班 组 监 理 意 见 签 字: 平均合格率(%) 评定等级 施工项目技术负责人: 施工员: 质检员: 年 月 日 分项/分部工程工序质量评定表 单位工程名称:保利·温泉新城一期市政工程排水工程 部位名称:化粪池 工序名称: 砼浇筑 桩号位置:A 1 线K 0+138 处 主要工程数量 QLF-Ⅱ-6:250mm×490mm,250mm×370mm,10.12m×4m×0.25m 序号 外观检查项目 质 量 情 况 评 ...

1、当您付费下载文档后,您只拥有了使用权限,并不意味着购买了版权,文档只能用于自身使用,不得用于其他商业用途(如 [转卖]进行直接盈利或[编辑后售卖]进行间接盈利)。
2、本站所有内容均由合作方或网友上传,本站不对文档的完整性、权威性及其观点立场正确性做任何保证或承诺!文档内容仅供研究参考,付费前请自行鉴别。
3、如文档内容存在违规,或者侵犯商业秘密、侵犯著作权等,请点击“违规举报”。

碎片内容

化粪池砼工序质量评定表

确认删除?
VIP
微信客服
  • 扫码咨询
会员Q群
  • 会员专属群点击这里加入QQ群
客服邮箱
回到顶部