电脑桌面
添加小米粒文库到电脑桌面
安装后可以在桌面快捷访问

关于执行线路工程隐蔽工程签证记录的通知VIP免费

关于执行线路工程隐蔽工程签证记录的通知_第1页
1/35
关于执行线路工程隐蔽工程签证记录的通知_第2页
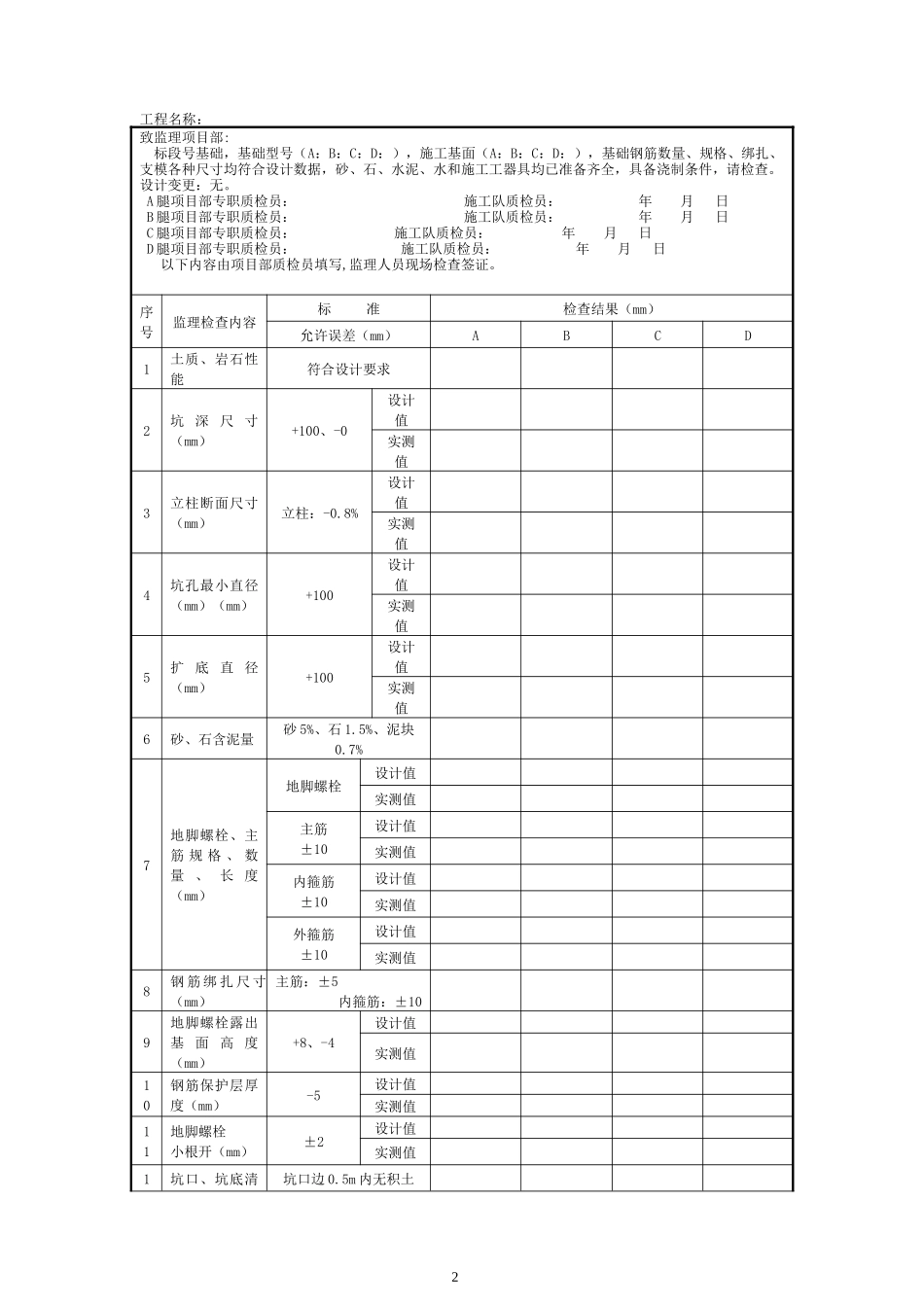
2/35
关于执行线路工程隐蔽工程签证记录的通知_第3页
3/35
1关于执行110kV~750kV输电线路工程隐蔽工程签证表格样式的通知吉能监理公司电网工程部[2016]020号各监理项目部、区域项目管理部隐蔽工程施工质量管理,是工程建设质量管理的一个重要环节,工序施工质量控制是保证整个工程建设质量的重要环节,隐蔽工程质量签证是监理质量控制的重要依据和手段。鉴于110kV~750kV输电线路工程在施工及验收规范中,没有对输电线路施工过程中隐蔽工程签证表格做出具体规定,借鉴特高压工程管理的规定和经验,公司决定在我们承监的工程实施新的隐蔽工程签证记录。在对隐蔽工程签证时,要求施工单位一式两份或复印一份由监理保存,作为监理对隐蔽工程质量管理的依据。请各监理项目部与施工项目部紧密配合,将隐蔽工程签证工作做好。执行过程做好遇到什么问题,请与电网工程部联系。电网工程部张勇电话:0431-85792518、13224370642电网工程部2016年8月4日1隐蔽工程掏挖基础(基础浇前、支模)签证记录表隐蔽工程掏挖基础(基础浇前、支模)签证记录表2工程名称:致监理项目部:标段号基础,基础型号(A:B:C:D:),施工基面(A:B:C:D:),基础钢筋数量、规格、绑扎、支模各种尺寸均符合设计数据,砂、石、水泥、水和施工工器具均已准备齐全,具备浇制条件,请检查。设计变更:无。A腿项目部专职质检员:施工队质检员:年月日B腿项目部专职质检员:施工队质检员:年月日C腿项目部专职质检员:施工队质检员:年月日D腿项目部专职质检员:施工队质检员:年月日以下内容由项目部质检员填写,监理人员现场检查签证。序号监理检查内容标准检查结果(mm)允许误差(mm)ABCD1土质、岩石性能符合设计要求2坑深尺寸(mm)+100、-0设计值实测值3立柱断面尺寸(mm)立柱:-0.8%设计值实测值4坑孔最小直径(mm)(mm)+100设计值实测值5扩底直径(mm)+100设计值实测值6砂、石含泥量砂5%、石1.5%、泥块0.7%7地脚螺栓、主筋规格、数量、长度(mm)地脚螺栓设计值实测值主筋±10设计值实测值内箍筋±10设计值实测值外箍筋±10设计值实测值8钢筋绑扎尺寸(mm)主筋:±5内箍筋:±109地脚螺栓露出基面高度(mm)+8、-4设计值实测值10钢筋保护层厚度(mm)-5设计值实测值11地脚螺栓小根开(mm)±2设计值实测值1坑口、坑底清坑口边0.5m内无积土32理坑底无杂土、杂物13钢筋连接位置及连接质量避开受力最大处,错开布置14坑中心根开、对角线尺寸(mm)螺栓式±1.6‰设计值ABBCCDDAACBD插入式±0.8‰高塔±0.6‰实测值A腿监理意见:监理:年月日B腿监理意见:监理:年月日C腿监理意见:监理:年月日D腿监理意见:监理:年月日填写说明1.签证记录表中填写的桩号应与杆塔明细表中的杆塔桩号一致。例如:4G011、4T012等。2.“基础型”若同一基基础四个腿基础型相同,则填写统一的基础型,反之,如四个腿基础型不一样,应按照设计分别填写A、B、C、D基础型。如:A:Xk-Z1200L12B:Xk-Z1200L07C:Xk-Z1200L02D:Xk-Z1200L07。3.“施工基面”项:填写设计要求的各基础腿施工基面与基准面之间的高差;低于基准面为“-”、高于基准面为“+”。4.日期应填写完整。例如:XXXX年XX月XX日。5.“坑深尺寸”栏:标准栏、检查结果栏分别填写不含垫层的基础埋深设计值、实测值。6.立柱断面尺寸、坑孔最小直径、扩底直径:方形断面填写“**×**”,如“1400×1400”;圆形断面填写“φ**”,如“φ1400”。7.砂、石含泥量:标准栏根据砼强度填写标准值;检查结果根据砂石试验报告数据填写“符合标准要求”。记录表中的数据为砼C25及以下的质量标准。8.地脚螺栓、主筋规格、数量、长度:填写“规格×长度×数量”,如“M72×3721×8”、“φ20×3798×24”。9.钢筋绑扎尺寸:填写偏差值。10.地脚螺栓露出基面高度:每个基础腿填写最接近超差边缘的一个数据。11.“钢筋保护层厚度”栏:检查结果栏填写实测值。12.地脚螺栓小根开:4条地脚螺栓用“**×**”表示,如“360×360”;8条地脚螺栓的小根开用相邻两地脚螺栓的间距S1、S2和对边距S3表述,填写方式为“S1/S2/S3”;如“240/320/560”;12条及16条地脚螺栓(圆形分布的)的小根开用螺栓“分布直径(Φ**)/相邻两地脚螺栓间距(S)”表示,如用...

1、当您付费下载文档后,您只拥有了使用权限,并不意味着购买了版权,文档只能用于自身使用,不得用于其他商业用途(如 [转卖]进行直接盈利或[编辑后售卖]进行间接盈利)。
2、本站所有内容均由合作方或网友上传,本站不对文档的完整性、权威性及其观点立场正确性做任何保证或承诺!文档内容仅供研究参考,付费前请自行鉴别。
3、如文档内容存在违规,或者侵犯商业秘密、侵犯著作权等,请点击“违规举报”。

碎片内容

关于执行线路工程隐蔽工程签证记录的通知

确认删除?
VIP
微信客服
  • 扫码咨询
会员Q群
  • 会员专属群点击这里加入QQ群
客服邮箱
回到顶部