电脑桌面
添加小米粒文库到电脑桌面
安装后可以在桌面快捷访问

北京各大设计院考试试题

北京各大设计院考试试题_第1页
1/69
北京各大设计院考试试题_第2页
2/69
北京各大设计院考试试题_第3页
3/69
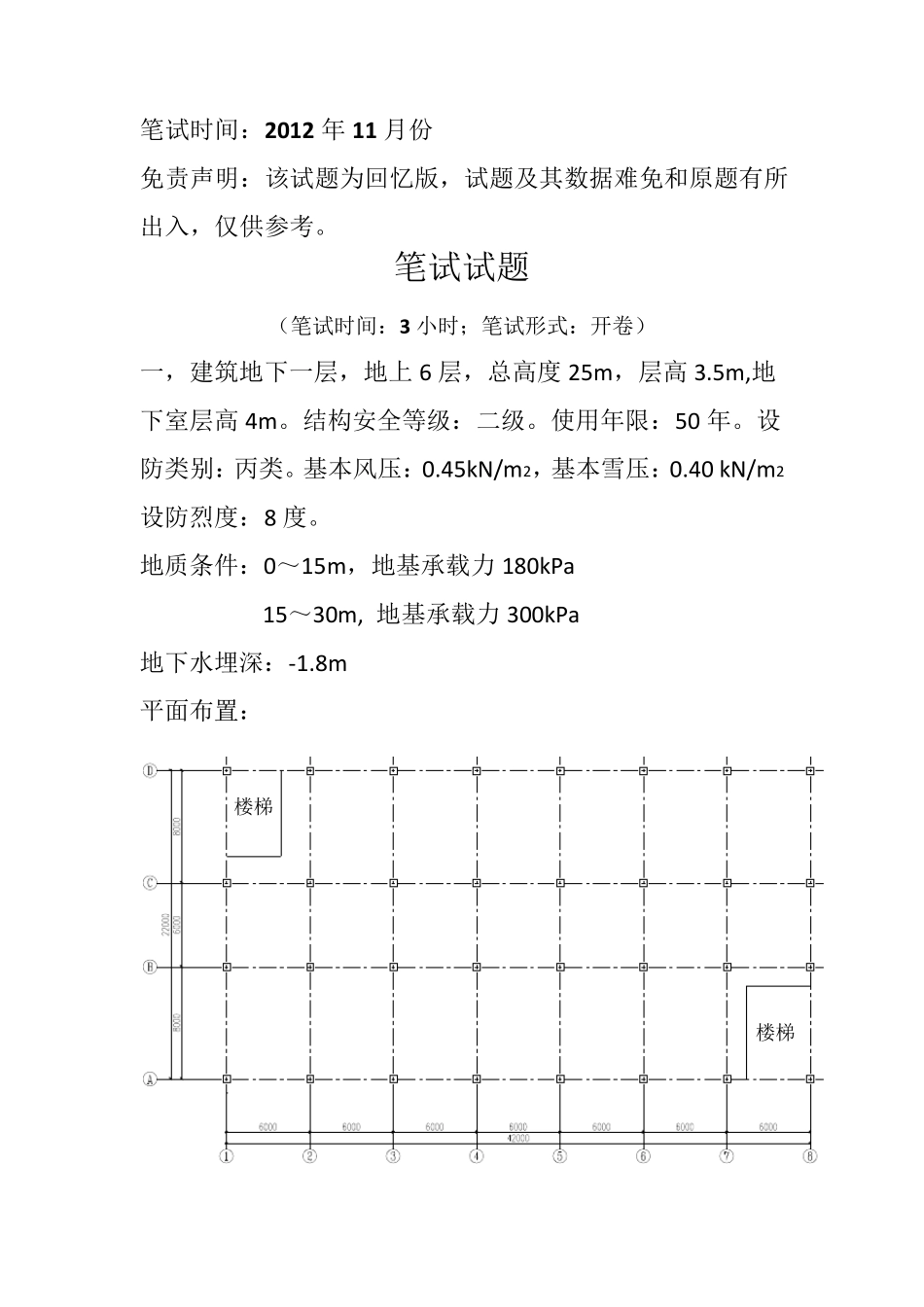
北 京 市 部 分 设 计 院 结 构 专 业 应 聘 指 南 (北 京 工 业 大 学 内 部 资 料 ) ( 初 稿 ) 汇 编 人 : 校 核 人 : 声 明 : 本 资 料 仅 供 内 部 参 考 所 用 , 不 得 外 传 , 不 得 用于 任 何 商 业 用 途 , 违 者 后 果 自 负 。 中 国 建 筑 设 计 研 究 院 (原建设部设计院) 上级单位:中国建筑设计研究院集团 单位性质:央企 资质:工程设计综合甲级资质 规模: 院集团现有员工4000 余人 业务范围:建筑工程设计与咨询、城市与小城镇规划、市政工程综合设计、城市燃气与工业煤气、污水与垃圾处理、道路桥梁设计、建筑智能化及系统工程设计、建筑标准设计、景观艺术设计、工程监理、工程总承包、居住工程、建筑标准、科技信息技术、建筑历史、建筑经济等业务等。 综合实力及优势专业:第一批进入国际建筑市场并较早获得对外经营权的设计企业之一,职工中有工程院院士 2 人,全国工程勘察设计大师 8 人,经国务院批准享受政府津贴的专家 90 余人;民用建筑结构专业为其优势专业。 全国勘察设计院排名:2 待遇:不详 2,应聘流程 应聘报名或推荐 专业笔试 院领导面试 发放录用通知函 3,笔试试题及解析 回忆者:编者 笔试时间:2012 年11 月份 免责声明:该试题为回忆版,试题及其数据难免和原题有所出入,仅供参考。 笔试试题 (笔试时间:3 小时;笔试形式:开卷) 一,建筑地下一层,地上 6 层,总高度 25m ,层高 3.5m ,地下室层高 4m 。结构安全等级:二级。使用年限:50 年。设防类别:丙类。基本风压:0.45kN/m 2,基本雪压:0.40 kN/m 2设防烈度:8 度。 地质条件:0~15m ,地基承载力 180kPa 15~30m , 地基承载力 300kPa 地下水埋深:-1.8m 平面布置: 楼梯楼梯 题设: 1, 选取合适的结构形式、基础形式并说明理由 2, 绘制结构构件布置及基础布置示意图 3, 估算梁、板、柱、基础的截面尺寸 4, 绘制典型的梁、柱节点示意图 5, 绘制轴线 4 所在榀的刚架内力图(在水平、竖下荷载下的弯矩、剪力、轴力图) 6, 绘制如图所示前二阶振型图 7, 绘制钢材、混凝土的应力-应变曲线并说明两种材料各自的优缺点。 8, 介绍一下你所做的课题,并说明其具有的现实意义。 4 ,应聘建议: 中国院的专业课笔试在编者整理的所有设计院考试中唯一采用开卷...

1、当您付费下载文档后,您只拥有了使用权限,并不意味着购买了版权,文档只能用于自身使用,不得用于其他商业用途(如 [转卖]进行直接盈利或[编辑后售卖]进行间接盈利)。
2、本站所有内容均由合作方或网友上传,本站不对文档的完整性、权威性及其观点立场正确性做任何保证或承诺!文档内容仅供研究参考,付费前请自行鉴别。
3、如文档内容存在违规,或者侵犯商业秘密、侵犯著作权等,请点击“违规举报”。

碎片内容

北京各大设计院考试试题

确认删除?
VIP
微信客服
  • 扫码咨询
会员Q群
  • 会员专属群点击这里加入QQ群
客服邮箱
回到顶部