电脑桌面
添加小米粒文库到电脑桌面
安装后可以在桌面快捷访问

烟气轮机说明书资料

烟气轮机说明书资料_第1页
1/9
烟气轮机说明书资料_第2页
2/9
烟气轮机说明书资料_第3页
3/9
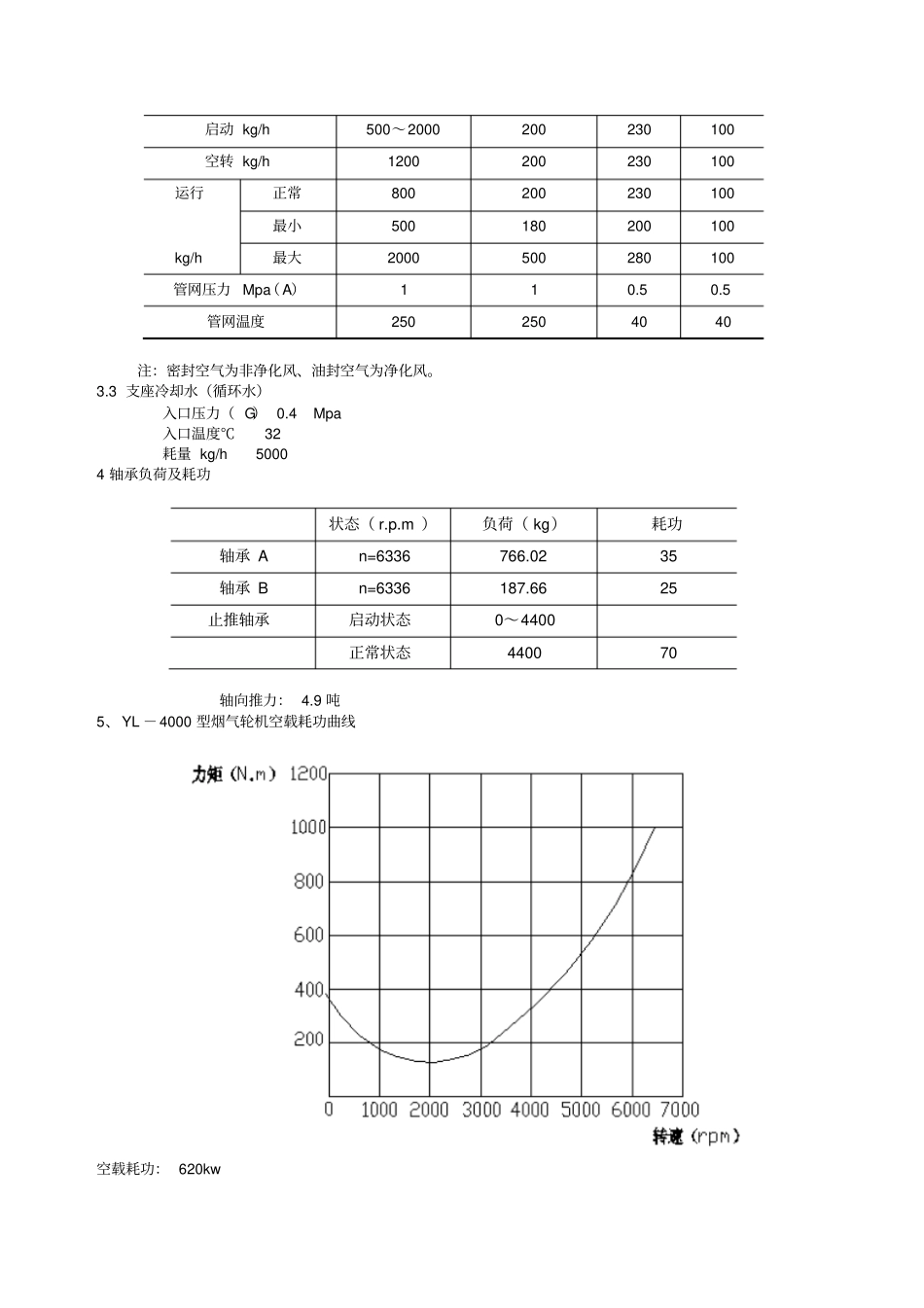
2#( 备用 ) 主风机烟机使用说明书一、概述1、烟气轮机简介烟气轮机是炼油厂催化裂化装置专用透平,再生烟气中的热能和压力能通过它膨胀作功,转变为机械能。烟气轮机输出的功率用来驱动主风或电机,从而达到回收能量的目的。催化裂化再生烟气中含有一定数量的催化剂固体颗粒。根据气—固两相流动的特点,烟气轮机在设计上,除考虑热膨胀和高温强度以外。特别注意了防止和减轻催化剂固体颗粒对通流部分的冲蚀和磨损。单级烟气轮机为单级透平,采用轴向进气悬臂转子结构。YL -4000M型烟气轮机是兰州石油化工公司为宁波科元塑胶有限公司制造的一台单级烟气轮机,其大致结构如下图。2、设计参数入口压力: 0.19Mpa(A) 烟气流量: 1676NM3 /min 入口温度: 670 ℃出口压力: 0.108 Mpa(A) 额定功率: 4050kw 绝热效率: 79%平均分子量: 29.21 额定转速: 6336 r/min 出口温度: 578 ℃3、消耗指标3.1 润滑油( VG46)进油温度: 40~45 ℃过虑精度: 20μ进油压( G)0.147 ~0.18 Mpa(轴承 A),0.08~0.12 (轴承 B)耗油量:轴承A 100L/min 轴承 B和止推轴承250L/min 3.2 蒸汽、空气轮盘冷却蒸汽密封蒸汽密封空气油封空气暧机 kg/h 0~ 3000 200 230 100 烟气进口烟气出口烟机输出轴与风机轴相联启动 kg/h 500~2000 200 230 100 空转 kg/h 1200 200 230 100 运行正常800 200 230 100 最小500 180 200 100 kg/h 最大2000 500 280 100 管网压力 Mpa(A)1 1 0.5 0.5 管网温度250 250 40 40 注:密封空气为非净化风、油封空气为净化风。3.3 支座冷却水(循环水)入口压力( G) 0.4 Mpa 入口温度℃ 32 耗量 kg/h 5000 4 轴承负荷及耗功状态( r.p.m )负荷( kg)耗功轴承 A n=6336 766.02 35 轴承 B n=6336 187.66 25 止推轴承启动状态0~4400 正常状态4400 70 轴向推力: 4.9 吨5、YL -4000 型烟气轮机空载耗功曲线空载耗功: 620kw 启动力矩: 1000 N.m 额定转速: 6336 rpm 静磨擦阻力矩:380 N.m6、其它数据6.1 烟机轴端冷态找正数据垂直方向(单位 mm)水平方向注:安装时,环境温度按20℃计算。6.2 烟机总重量: 16000kg 6.3 最大安装件(底座)重量:6500kg 6.4 最大检修重量:1157kg 6.5 烟机对基础振动最大允许值:基础顶面振动速度V≤ 5mm/s 7、YL-4000M轮盘温度场冷态520 0.56热态二、主...

1、当您付费下载文档后,您只拥有了使用权限,并不意味着购买了版权,文档只能用于自身使用,不得用于其他商业用途(如 [转卖]进行直接盈利或[编辑后售卖]进行间接盈利)。
2、本站所有内容均由合作方或网友上传,本站不对文档的完整性、权威性及其观点立场正确性做任何保证或承诺!文档内容仅供研究参考,付费前请自行鉴别。
3、如文档内容存在违规,或者侵犯商业秘密、侵犯著作权等,请点击“违规举报”。

碎片内容

烟气轮机说明书资料

确认删除?
VIP
微信客服
  • 扫码咨询
会员Q群
  • 会员专属群点击这里加入QQ群
客服邮箱
回到顶部