电脑桌面
添加小米粒文库到电脑桌面
安装后可以在桌面快捷访问

热处理硬度选择

热处理硬度选择_第1页
1/5
热处理硬度选择_第2页
2/5
热处理硬度选择_第3页
3/5
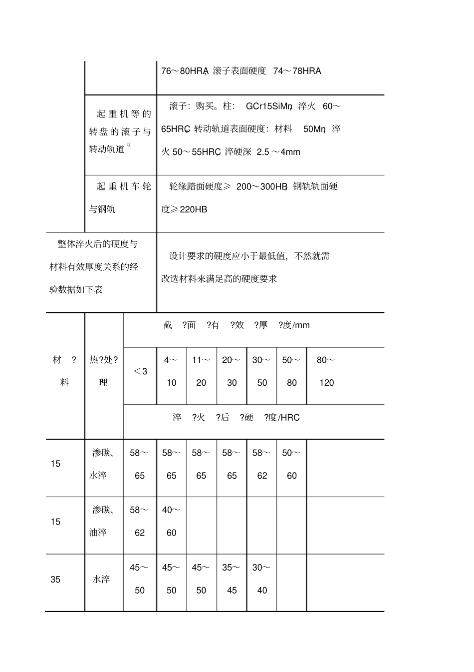
硬度选择零件结构特点、工作条件选?择?要?点承受均匀的静载荷、 没有引起应力集中的缺口的零件硬度越高,强度越高,可根据载荷大小,选择较高的硬度或与强度相适应的硬度( 缺口一般是指槽、沟或断面变化很大)有产生应力集中的缺口的零件需要较高的塑性,使其在承载情况下,应力分布趋于均匀,减少应力集中现象,只能具有适当的硬度。如工作情况下不允许降低硬度,则可用滚压等表面强化处理,改善应力分布承受冲击、 疲劳应力的零件冲击不大时,一般可用中碳钢全部淬硬;冲击力较大,一般用中碳钢全部淬硬,或表面淬硬;冲击力和疲劳应力都大时,一般是表面淬硬从磨损或精度要求出发的零件高 速 度 或 高 精 度 一 般 要 求 硬 度50 ~62HRC,如滚子轴承,中速度一般采用中硬度 40~45HRC;低速度一般采用低硬度,正火或调质硬度 220~260HB从尺寸零件, 如汽轮机转子轴轴径很大,虽然转速很高 (3000r/min) ,但由于不可能淬到很高的硬度( 一般只能达220HB左右 ) ,便不能一律要求高速度高硬度,而要通过降低配合件的硬度和其他措施来处理摩 擦副或两对相互摩擦的零件的硬度差机床主轴在滑动轴承中运转时:轴瓦用巴氏合金硬度低,约 30HB左右,轴颈表面硬度可低些,一般为 45~50HRC;锡青铜硬度高,一般约60~120HB,轴颈表面硬度相应要高一些,约≥ 50HRC;钢质轴承硬度更高,轴颈表面硬度则需要更高一些,因此还需要渗氮处理有些带内锥孔或外圆锥度的主轴,工作时和配件并无相对滑动,但配件装配频繁,为了保证配合的精度与使用寿命,也必须提高主轴的耐磨性,一般硬度>45HRC传动齿轮小齿轮齿面硬度一般比大齿轮齿面硬度高25~40HB螺母与螺栓螺母材料比螺栓低一级,硬度低20~40HB(可以避免咬死和减少磨损 )滚珠丝杠副丝 杠 (GCr15SiMn)58 ~ 62HRC, 螺 母(GCr15)60~62HRC,钢球 (GCr6)62~65HRC传动链链轮齿按工作条件和材料不同取40~45HRC、45~50HRC、 50~58HRC。套筒滚子链的销轴表面硬度≥80HRA,滚子表面硬度76~80HRA,滚子表面硬度 74~78HRA起 重 机 等 的转 盘 的 滚 子 与转动轨道①滚子:购买。柱: GCr15SiMn,淬火 60~65HRC。转动轨道表面硬度:材料50Mn,淬火 50~55HRC,淬硬深 2.5 ~4mm起 重 机 车 轮与钢轨轮缘踏面硬度≥ 200~300HB;钢轨轨面硬度≥220HB整体淬火后的硬度与材料有效厚度关系的经验数据如下表设计要求的硬度应小于最低值,不然就需改选材料...

1、当您付费下载文档后,您只拥有了使用权限,并不意味着购买了版权,文档只能用于自身使用,不得用于其他商业用途(如 [转卖]进行直接盈利或[编辑后售卖]进行间接盈利)。
2、本站所有内容均由合作方或网友上传,本站不对文档的完整性、权威性及其观点立场正确性做任何保证或承诺!文档内容仅供研究参考,付费前请自行鉴别。
3、如文档内容存在违规,或者侵犯商业秘密、侵犯著作权等,请点击“违规举报”。

碎片内容

热处理硬度选择

文库响当当+ 关注
实名认证
内容提供者

该用户很懒,什么也没介绍

确认删除?
VIP
微信客服
  • 扫码咨询
会员Q群
  • 会员专属群点击这里加入QQ群
客服邮箱
回到顶部