电脑桌面
添加小米粒文库到电脑桌面
安装后可以在桌面快捷访问

热管换热器试验试验报告

热管换热器试验试验报告_第1页
1/4
热管换热器试验试验报告_第2页
2/4
热管换热器试验试验报告_第3页
3/4
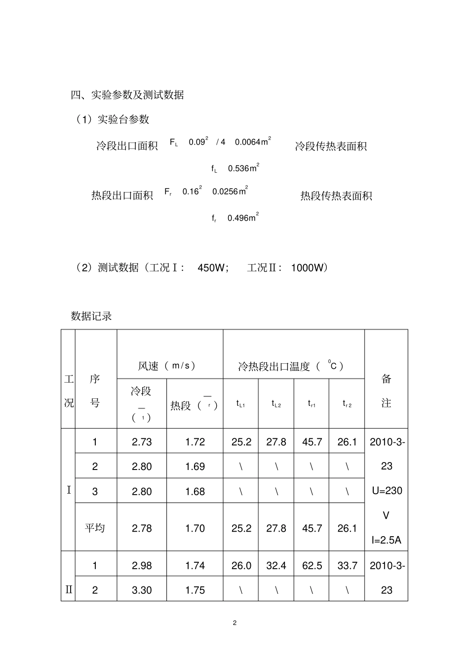
1 热管换热器实验之实验报告一、实验题目: 热管换热器实验二、实验目的:熟悉热管换热器实验台的工作原理及使用方法,了解热管换热器的换热量温度、风速之间的关系,掌握热管换热器换热量Q 和传热系数 K 的测试和计数方法。三、实验步骤1.连接电位差计和冷端热电偶(将冷端热电偶放在冰瓶里,如无冰瓶,可不接冷端热电偶而将冷端热电偶的接线柱短路,测出的温度应加上室温)。2.打开热球风速仪,加热稳定 20 分钟(具体使用方法阅仪器说明书) 。3.接通电源,将工况开关按在“I”位置( 450W),这时电加热器和风机开始工作。4.用热球风速仪在冷热端出口的测孔中测量风速。为使测量工作在风道温度不超过 400C 的情况下进行,必须在开机后立即测量。5.待工况稳定后(大约20 分钟)按下琴键开关,切换测温点,逐点测量冷热端进出口温度1LT 、2Lt 、1rT 、2rT 。6.将工况开关按在“Ⅱ”的位置(1000W),重复上述步骤,测量工况的冷热段进出口温度。7.实验结束后,切断所有的电源。2 四、实验参数及测试数据(1)实验台参数冷段出口面积220.09/ 40.0064LFm冷段传热表面积20.536Lfm热段出口面积220.160.0256rFm热段传热表面积20.496rfm(2)测试数据(工况Ⅰ: 450W;工况Ⅱ: 1000W)数据记录工况序号风速(/m s)冷热段出口温度(0C )备注冷段(1 )热段(r )1Lt2Lt1rt2rtⅠ1 2.73 1.72 25.2 27.8 45.7 26.1 2010-3-23 U=230V I=2.5A 2 2.80 1.69 \ \ \ \ 3 2.80 1.68 \ \ \ \ 平均2.78 1.70 25.2 27.8 45.7 26.1 Ⅱ1 2.98 1.74 26.0 32.4 62.5 33.7 2010-3-23 2 3.30 1.75 \ \ \ \ 3 3 3.10 1.77 \ \ \ \ U=224V I=4.5A 平均3.13 1.75 26.0 32.4 62.5 33.7 注:由于实验时冷热段出口温度只测一次, 故将其作为平均值来计算。五、换热量、传热系数及热平衡误差的计算(1) 单位时间的换热量PQM Ct式中:PC ——干空气的定压比热,取01/()PCKJKgCMg——单位时间内质量流量,(/ )MV F kg sgt ——温差(0C )a、冷段换热量LQ :210.24(3600)()LLLLlLQVFtt(/kcal h )式中:LV ——冷段出口平均风速(/m s)LF ——冷段出口面积220.09/ 40.0064LFmL ——冷段出口空气密度(3/kg m )2Lt ——冷段出口温度 (0C )1Lt ——冷段进口温度 (0C )b 、热段换热量rQ :4 210.24(3600)()rrrrrQVFtt(/kcal h)式中:rV ——热...

1、当您付费下载文档后,您只拥有了使用权限,并不意味着购买了版权,文档只能用于自身使用,不得用于其他商业用途(如 [转卖]进行直接盈利或[编辑后售卖]进行间接盈利)。
2、本站所有内容均由合作方或网友上传,本站不对文档的完整性、权威性及其观点立场正确性做任何保证或承诺!文档内容仅供研究参考,付费前请自行鉴别。
3、如文档内容存在违规,或者侵犯商业秘密、侵犯著作权等,请点击“违规举报”。

碎片内容

热管换热器试验试验报告

您可能关注的文档

确认删除?
VIP
微信客服
  • 扫码咨询
会员Q群
  • 会员专属群点击这里加入QQ群
客服邮箱
回到顶部