电脑桌面
添加小米粒文库到电脑桌面
安装后可以在桌面快捷访问

园林景观工程技术标

园林景观工程技术标_第1页
1/16
园林景观工程技术标_第2页
2/16
园林景观工程技术标_第3页
3/16
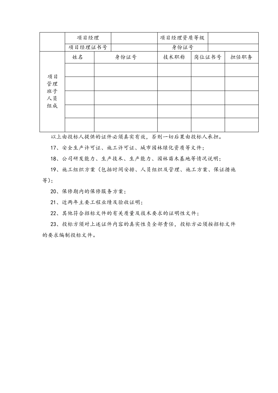
景观园林工程 第一部分 技术标部分 第一条 投标文件技术要求(均需加盖公章) 1、法定代表人资格证明书; 2、授权委托书; 3、投标企业概况表; 4、投标人已竣工的同类项目; 5、在建项目表; 6、工程进度及劳动力安排计划; 7、施工总平面布置; 8、主要材料进场计划表; 9、拟投入本工程的主要施工机械设备表; 10、主要材料试验、测量、质检仪器表; 11、项目经理简历表; 12、项目技术负责人简历表; 13、派驻本工程现场工程管理、技术人员汇总表; 14、派驻现场工程管理、技术人员简历表; 15、项目管理班子配备情况辅助说明资料; 16、项目经理必须持有相关资质证书,见下表: 以上由投标人提供的证件必须真实有效,否则一切后果由投标人承担。 17、安全生产许可证、施工许可证、城市园林绿化资质等文件; 18、公司研发能力、生产技术、生产能力、园林苗木基地等情况说明; 19、施工组织方案(包括时间安排、人员组织及管理、施工方案、保证措施等); 20、保修期内的保修服务方案; 21、近两年主要工程业绩及验收证明; 22、其他符合招标文件的有关质量及技术要求的证明性文件; 23、投标方须对上述证件内容的真实性负全部责任,投标方必须按招标文件的要求编制投标文件。 项目经理 项目经理资质等级 项目经理证书号 身份证号 项目 管理 班子 人员 组成 姓名 身份证号 技术职称 岗位证书号 担任职务 第二条 承包范围 1、承包范围:承包范围见相应的施工图纸及工程量清单。 第三条 工期及其他时间配合要求 工期要求:60 日历天 进场时间:2012 年X 月X 日,具体以建设方及监理工程师的书面通知为准。 第四条 国家、行业标准及规范 1、《工程建设标准强制性统一标准》2009 年版; 2、《建筑工程施工质量验收统一标准》(GB50300-2001); 3、《公园设计规范》(CJJ48—92) 4、《城市道路绿化与设计规范》(CJJ75—97) 5、《风景园林图例图示标准》(JTG002—2003) 6、《园林工程施工技术标准与质量验收规范实用手册》 第五条原材料及部品、配件要求 5.1 砌筑工程 (1)砌筑工程概述: 砌筑工程包括砌筑砖墙、挡墙、花池等零星砌体。 (2)材料准备: 根据图纸要求采用砌块,进入现场的砌块按规定抽检合格后才能使用。水泥采用 42.5 的普通硅酸盐水泥,水泥进入施工现场必须提供出厂检验报告并经试验合格后方可使用。砂子采用中砂,含泥量不超过3%,使用前 经过5...

1、当您付费下载文档后,您只拥有了使用权限,并不意味着购买了版权,文档只能用于自身使用,不得用于其他商业用途(如 [转卖]进行直接盈利或[编辑后售卖]进行间接盈利)。
2、本站所有内容均由合作方或网友上传,本站不对文档的完整性、权威性及其观点立场正确性做任何保证或承诺!文档内容仅供研究参考,付费前请自行鉴别。
3、如文档内容存在违规,或者侵犯商业秘密、侵犯著作权等,请点击“违规举报”。

碎片内容

园林景观工程技术标

您可能关注的文档

确认删除?
VIP
微信客服
  • 扫码咨询
会员Q群
  • 会员专属群点击这里加入QQ群
客服邮箱
回到顶部