电脑桌面
添加小米粒文库到电脑桌面
安装后可以在桌面快捷访问

物料需求计划编制方案

物料需求计划编制方案_第1页
1/7
物料需求计划编制方案_第2页
2/7
物料需求计划编制方案_第3页
3/7
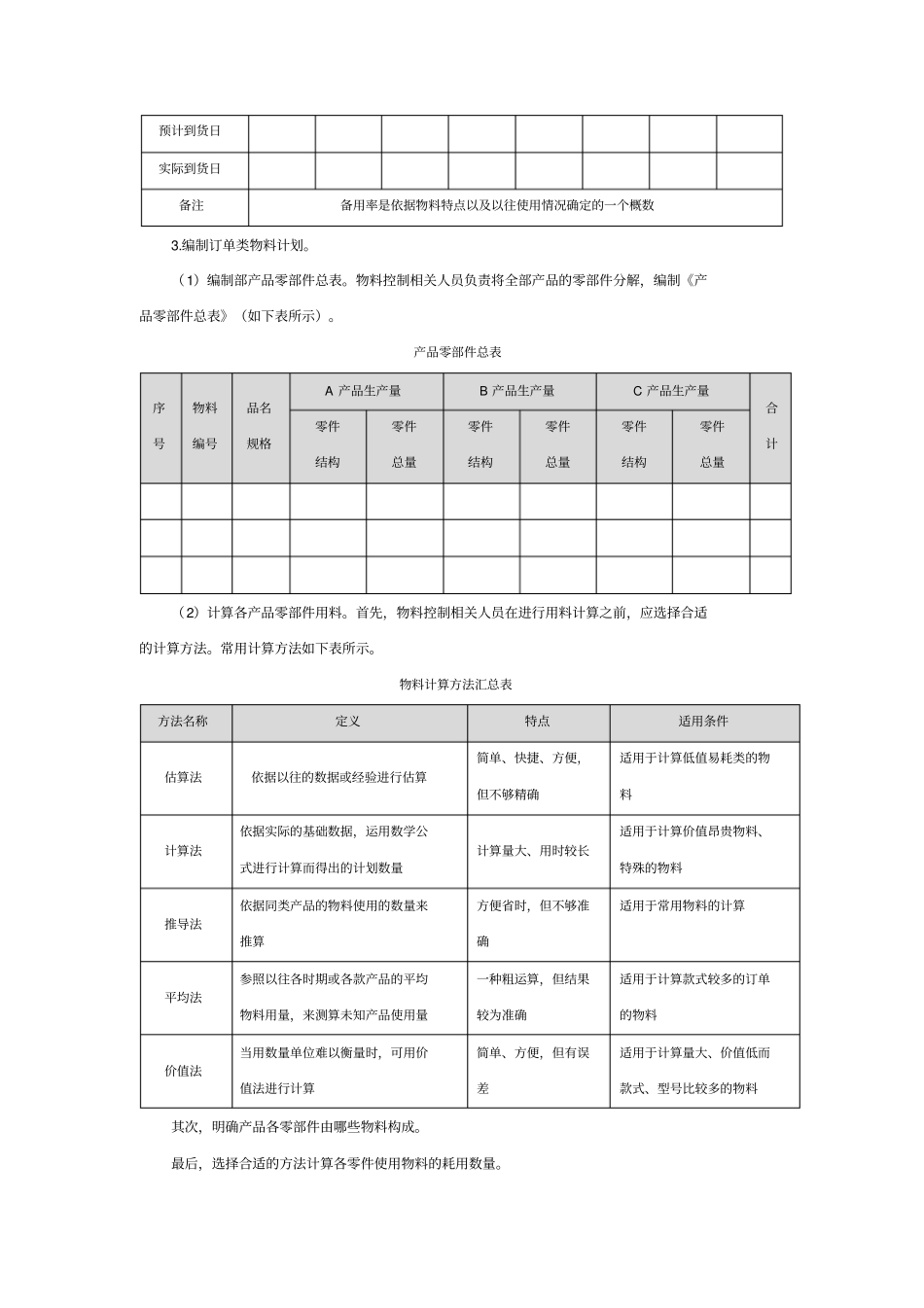
物料需求计划编制方案一、方案背景(一)目的为规范各类常用物料的需求计划编制工作,确保物料需求计划编制正确、合理,符合生产实际,确保物料充足且库存合理,特制定本方案。(二)适用范围本方案适用于工厂订单类物料、时间类物料、部门类物料需求计划的编制工作。二、订单类物料计划编制(一)目的订单类物料计划是指依据已确定的生产订单,明确所需物料的品种、数量、质量、型号等的物料计划。订单类物料计划编制的目的主要有以下三点。1. 合理利用有限资金和仓库空间。2. 防止因物料降价给工厂带来的经济损失。3. 防止因产品改进造成的物料浪费,对物料进行有效控制。(二)适用条件1. 订单类物料计划并非涉及所有订单上的物料,其适用范围限于以下四类物料。(1)不常用物料。(2)非标件,即不是通用性物件。(3)价值昂贵的物料。(4)顾客要求特别定制的物料。2. 订单类物料计划不适用于以下三类物料。(1)常用料。(2)常备料。(3)通用件。(三)明确订单类物料计划优点订单类物料计划的优点如下表所示。订单类物料计划的优点优点说明反应迅速制订订单物料计划一般在生产计划单下达之后能迅速做出反应因需订料依据订单制订出生产计划后才制订物料计划,即购进目前所需物料依量采购物料计划量应以订单物料需求量加备用量作为采购量,不多不少,按量采购因时进料根据订单类物料计划,有效控制物料供应,确保在合适的时间按一定次序将所需物料提供给生产部门弹性空间物料计划大多结合产品特点、销售周期、产品改进速度、库存政策等因素设置合理的弹性空间,能确保物料及时供应,避免因物料积压造成浪费(四)订单类物料计划编制程序1.制订订单生产计划。(1)销售部负责将接到的订单装订成册,提交给生产部。(2)生产部依据生产订单的交货期,参照工厂的生产能力,编制订单生产计划。2.进行物料分析。物料控制人员接到订单生产计划后,应进行物料需求分析,填写《物料需求分析表》(如下表所示),为编制订单类物料计划提供依据。物料需求分析表填表人:填表日期: ____年 ____月 ____日顾客名称订单号交货期产品名称型号数量物料使用日期物料需求分析物料名称分析项目A B C D E F G ⋯物料单位单位用料量利用率( %)备用率( %)标准用量库存数量申购数量预计到货日实际到货日备注备用率是依据物料特点以及以往使用情况确定的一个概数3.编制订单类物料计划。(1)编制部产品零部件总表。物料控制相关人员负责将全部产品的零部件分解,编制《...

1、当您付费下载文档后,您只拥有了使用权限,并不意味着购买了版权,文档只能用于自身使用,不得用于其他商业用途(如 [转卖]进行直接盈利或[编辑后售卖]进行间接盈利)。
2、本站所有内容均由合作方或网友上传,本站不对文档的完整性、权威性及其观点立场正确性做任何保证或承诺!文档内容仅供研究参考,付费前请自行鉴别。
3、如文档内容存在违规,或者侵犯商业秘密、侵犯著作权等,请点击“违规举报”。

碎片内容

物料需求计划编制方案

确认删除?
VIP
微信客服
  • 扫码咨询
会员Q群
  • 会员专属群点击这里加入QQ群
客服邮箱
回到顶部