电脑桌面
添加小米粒文库到电脑桌面
安装后可以在桌面快捷访问

特种设备检验检测收费项目及标准

特种设备检验检测收费项目及标准_第1页
1/14
特种设备检验检测收费项目及标准_第2页
2/14
特种设备检验检测收费项目及标准_第3页
3/14
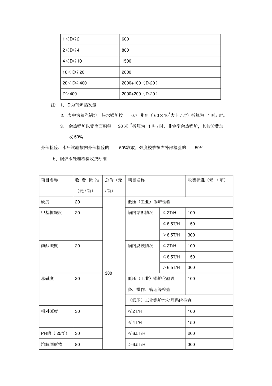
特种设备检验检测收费项目及标准(贵州省物价局、贵州省财政厅黔价费( 2008)4 号)一、压力容器、压力管道产品质量监督检验收费标准(一)锅炉锅炉蒸发量(吨/ 时)收费标准(元 / 台)D≤1 按锅炉整机销售价1.4% 1<D≤4 按锅炉整机销售价1.2% D>4 按锅炉整机销售价1.0% 注: 1、D为锅炉蒸发量 ( 小型和常压热水锅炉也按蒸发量折算) 。2、热水锅炉以每0.7 兆瓦( 60×104 卡/ 时)折算为蒸发量1 吨/ 时。3、 锅炉整机指不包括鼓、引风机、给水泵、除尘器以及水处理设备。4、销售价含材料费和安全附件。(二)压力容器产品名称收费标准(元 / 台)备注一类压力容器按产品销售价1.0% 每台至少60 元二类压力容器按产品销售价1.2% 每台至少100 元三类压力容器按产品销售价1.4% 每台至少150 元汽(火)车槽车按产品销售价1.5% 注: 1、容器类别按《压力容器安全技术监察规程》规定进行分类。一、二、三类压力容器产品销售价含材料费和安全附件,不包括填充物料。2、汽(火)车槽车按罐体(含安全附件)的销售价计算收费。3、散装、组装大型容器(包括球罐)的现场监检,按设备总价的1.5%或安装工程总费用的3%收取。4、不锈钢及有色金属容器制作的设备按上述标准的50%收取。5、医用氧舱安装监检费按产品销售安装价的1.5%收取。(三)压力管道1、凡新、改、扩建压力管道的安装监检,按其工程总造价(含材料费)的2~3 % 收取:其中:(1) 工程总造价在100 万元以下(含100 万元),按 3%收取,且不低于1000 元。、(2) 工程总造价在100 万元至 300 万元(含 300 万元),按 2.5%收取。(3) 工程总造价在300 万元以上,按2%收取2、压力管道元件制作按其销售价收取,A、B级分别收取3%和 4%。(四)气瓶气瓶类别收费标准(元 / 只)焊接、无缝钢瓶按产品销售价0.8% 液化石油气钢瓶按产品销售价0.6% 溶解乙炔气钢瓶按产品销售价0.7% 注:各类钢瓶、实行批量性监督检验时,按该批产品总数销售价计收。二、 锅炉安装、修理改造质量监督检验收费收费项目收费标准整装炉安装工程费的4% 修理改造工程费的4% 散装锅炉安装工程费的3% 修理改造工程费的4% 注:安装(含修理改造)工程费为安装合同确定的总费用(含材料费)。二、在用锅炉、压力容器、压力管道定期检验收费标准(一)在用锅炉a、锅炉定期检验收费标准项目(元 / 台)锅炉蒸发量(吨 / 时)内外部检验D≤1 400 1<D≤2 600 ...

1、当您付费下载文档后,您只拥有了使用权限,并不意味着购买了版权,文档只能用于自身使用,不得用于其他商业用途(如 [转卖]进行直接盈利或[编辑后售卖]进行间接盈利)。
2、本站所有内容均由合作方或网友上传,本站不对文档的完整性、权威性及其观点立场正确性做任何保证或承诺!文档内容仅供研究参考,付费前请自行鉴别。
3、如文档内容存在违规,或者侵犯商业秘密、侵犯著作权等,请点击“违规举报”。

碎片内容

特种设备检验检测收费项目及标准

确认删除?
VIP
微信客服
  • 扫码咨询
会员Q群
  • 会员专属群点击这里加入QQ群
客服邮箱
回到顶部