电脑桌面
添加小米粒文库到电脑桌面
安装后可以在桌面快捷访问

冶金企业铁合金安全生产标准化评定标准VIP专享

冶金企业铁合金安全生产标准化评定标准_第1页
1/29
冶金企业铁合金安全生产标准化评定标准_第2页
2/29
冶金企业铁合金安全生产标准化评定标准_第3页
3/29
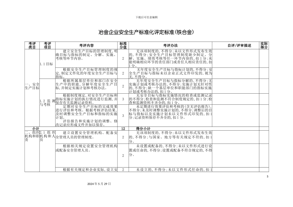
下载后可任意编辑冶金企业铁合金安全生产标准化评定标准12024 年 5 月 29 日下载后可任意编辑22024 年 5 月 29 日下载后可任意编辑冶金企业安全生产标准化评定标准(铁合金)考评类目考评项目考评内容标准分值考评办法自评/评审描述实际得分一、安全生产目标1.1 目标建立安全生产目标的管理制度,明确目标与指标的制定、分解、实施、考核等环节内容。2无该项制度的,不得分;未以文件形式发布生效的,不得分;安全生产目标管理制度缺少制定、分解、实施、绩效考核等任一环节内容的,扣 1 分;未能明确相应环节的责任部门或责任人相应责任的,扣1 分。根据安全生产目标管理制度的规定,制定文件化的年度安全生产目标与指标。2 无年度安全生产目标与指标计划的,不得分;安全生产目标与指标未以企业正式文件印发的,视为无,不得分。1.2 监 测与考核根据所属基层单位和部门在安全生产中的职能,分解年度安全生产目标,并制定实施计划和考核办法。2无年度安全生产目标与指标分解的,不得分;无实施计划或考核办法的,不得分;实施计划无针对性的,不得分;缺一个基层单位和职能部门的指标实施计划或考核办法的,扣 1 分。根据制度规定,对安全生产目标和指标实施计划的执行情况进行监测,并保存有关监测记录资料。3无安全目标与指标实施情况的检查或监测记录的不得分;检查和监测不符合制度规定的,扣 1 分;检查和监测资料不齐全的,扣 1 分。定期对安全生产目标的完成效果进行评估和考核。根据考核评估结果,及时调整安全生产目标和指标的实施计划。评估报告和实施计划的调整、修改记录应形成文件并加以保存。3未定期进行效果评估和考核的(含无评估报告),不得分;未及时调整实施计划的,不得分;调整后的目标与指标以及实施计划未以文件形式印发的,扣 1分;记录资料保存不齐全的,扣 1 分。小计12得分小计二、组织机构和职责2.1 组 织机构和人员建立设置安全管理机构、配备安全管理人员的管理制度。2无该项制度的,不得分;未以文件形式发布生效的,不得分;与国家、地方等有关规定不符的,扣 1分。 根据相关规定设置安全管理机构或配备安全管理人员。2未设置或配备的,不得分;未以文件形式进行设置或任命的,不得分;设置或配备不符合规定的,不得分。根据有关规定和企业实际,设立安2未设立的,不得分;未以文件形式任命的,扣 152024 年 5 月 29 日下载后可任意编辑考评类目考评项目考评内容标准分值考评办法自评/评审描述实际得分全生产委员会或安全生产领导...

1、当您付费下载文档后,您只拥有了使用权限,并不意味着购买了版权,文档只能用于自身使用,不得用于其他商业用途(如 [转卖]进行直接盈利或[编辑后售卖]进行间接盈利)。
2、本站所有内容均由合作方或网友上传,本站不对文档的完整性、权威性及其观点立场正确性做任何保证或承诺!文档内容仅供研究参考,付费前请自行鉴别。
3、如文档内容存在违规,或者侵犯商业秘密、侵犯著作权等,请点击“违规举报”。

碎片内容

冶金企业铁合金安全生产标准化评定标准

确认删除?
VIP
微信客服
  • 扫码咨询
会员Q群
  • 会员专属群点击这里加入QQ群
客服邮箱
回到顶部