电脑桌面
添加小米粒文库到电脑桌面
安装后可以在桌面快捷访问

市政道路工程检验批质量检验记录表格全套模板

市政道路工程检验批质量检验记录表格全套模板_第1页
1/101
市政道路工程检验批质量检验记录表格全套模板_第2页
2/101
市政道路工程检验批质量检验记录表格全套模板_第3页
3/101
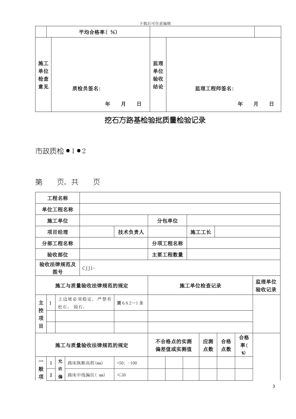
下载后可任意编辑市政道路工程检验批质量检验记录表格全套1下载后可任意编辑土方路基检验批质量检验记录 市政质检·1·1 第 页, 共 页工程名称单位工程名称施工单位分包单位项目经理技术负责人施工工长分部工程名称分项工程名称验收部位主要工程数量验收法律规范及图号CJJ1- 施工与质量验收法律规范的规定施工单位检查记录监理单位验收记录主控项目1压实度应符合法律规范表6.3.12-2 规定第 6.8.1-1 条2弯沉值不应大于设计规定第 6.8.1-2 条施工与质量验收法律规范的规定不合格点的实测偏差值或实测值应测点数合格点数合格率( %) 一般项目1路床应平整、 坚实, 无显著轮迹、 翻浆、 波浪、 起皮等现象, 路堤边坡应密实、 稳定、 平顺。第 6.8.1-4 条2允许偏差路床纵断高程(mm)-20, +103路床中线偏位( mm) ≤304路床平整度( mm) ≤155路床宽度( mm) 不小于设计值+B6路床横坡( %) ±0.3%且不反坡7边坡不陡于设计值2下载后可任意编辑平均合格率( %) 施工单位检查意见 质检员签名: 年 月 日监理单位验收结论 监理工程师签名: 年 月 日挖石方路基检验批质量检验记录 市政质检·1·2 第 页, 共 页工程名称单位工程名称施工单位分包单位项目经理技术负责人施工工长分部工程名称分项工程名称验收部位主要工程数量验收法律规范及图号CJJ1- 施工与质量验收法律规范的规定施工单位检查记录监理单位验收记录主控项目1上边坡必须稳定, 严禁有松石、 险石。第 6.8.2-1 条施工与质量验收法律规范的规定不合格点的实测偏差值或实测值应测点数合格点数合格率( %) 一般项1允许偏路床纵断高程(mm)+50; -1002路床中线偏位( mm) ≤303下载后可任意编辑目差3路床宽( mm) 不小于设计规定+B4边坡不陡于设计规定平均合格率( %) 施工单位检查意见 质检员签名: 年 月 日监理单位验收结论 监理工程师签名: 年 月 日填石方路基检验批质量检验记录 市政质检·1·3 第 页, 共 页工程名称单位工程名称施工单位分包单位项目经理技术负责人施工工长分部工程名称分项工程名称验收部位主要工程数量验收法律规范及图号CJJ1- 施工与质量验收法律规范的规定施工单位检查记录监理单位验收记录主控1压实密度应符合试验路段确定的施工工艺。第 6.8.2-2 条4下载后可任意编辑项目2沉降差不应大于试验路段确定的沉降差。第 6.8.2-2 条施工与质量验收法律规范的规定不合格点的实测偏差值或实测值应测点...

1、当您付费下载文档后,您只拥有了使用权限,并不意味着购买了版权,文档只能用于自身使用,不得用于其他商业用途(如 [转卖]进行直接盈利或[编辑后售卖]进行间接盈利)。
2、本站所有内容均由合作方或网友上传,本站不对文档的完整性、权威性及其观点立场正确性做任何保证或承诺!文档内容仅供研究参考,付费前请自行鉴别。
3、如文档内容存在违规,或者侵犯商业秘密、侵犯著作权等,请点击“违规举报”。

碎片内容

市政道路工程检验批质量检验记录表格全套模板

您可能关注的文档

领读文化+ 关注
实名认证
内容提供者

传播文化,铸就未来

确认删除?
VIP
微信客服
  • 扫码咨询
会员Q群
  • 会员专属群点击这里加入QQ群
客服邮箱
回到顶部