电脑桌面
添加小米粒文库到电脑桌面
安装后可以在桌面快捷访问

市政道路材料检测项目一览表样本

市政道路材料检测项目一览表样本_第1页
1/3
市政道路材料检测项目一览表样本_第2页
2/3
市政道路材料检测项目一览表样本_第3页
3/3
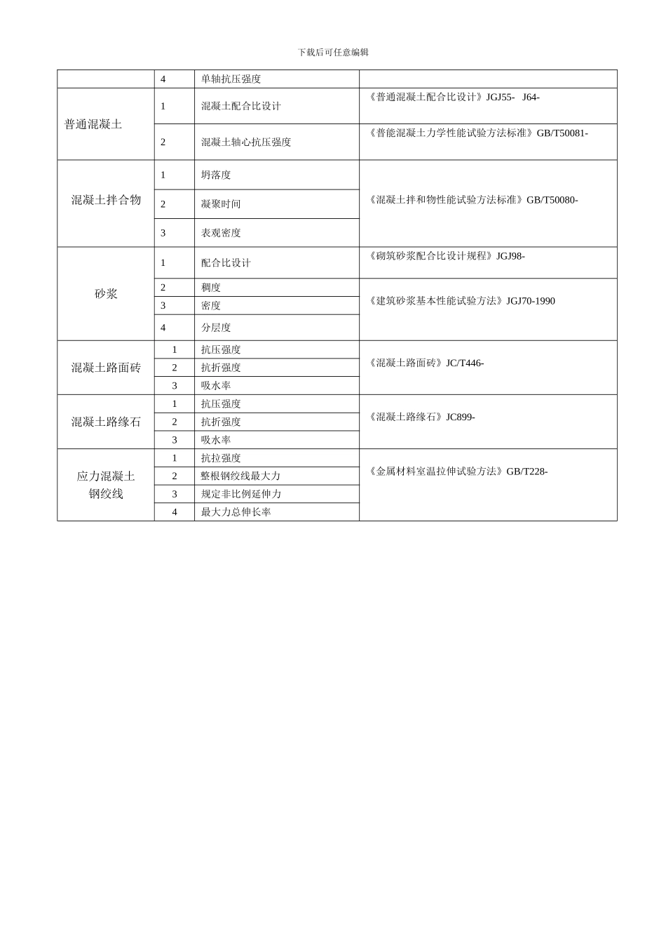
下载后可任意编辑市政道路材料检测项目一览表产品/产品类别名 称检测项目/参数 检测依据的标准( 方法) 名称及编号( 含年号) 序号名 称粗集料1粗集料及集料混合料的筛分《公路工程集料试验规程》JTG E42- 2含土粗集料筛分3密度及吸水率( 网篮法) 4含水率5含水率( 酒精燃烧法) 6吸水率7密度及吸水率( 容量瓶法) 8堆积密度及空隙率9含泥量及泥块含量10针片状颗粒含量( 规准仪法) 11针片状颗粒含量( 游标卡尺法) 12压碎值普通混凝土用石1颗粒级配《普通混凝土用砂、 石质量及检验方法标准》JGJ 52- 2含泥量3泥块含量4针片状含量5压碎指标值6含水率7吸水率8表观密度9堆积密度10紧密密度细集料1筛分《公路工程集料试验规程》JTG E42- 2表观密度( 容量瓶法) 《公路工程集料试验规程》JTG E42- 3密度及吸水率《公路工程集料试验规程》JTG E42- 4堆积密度及紧装密度5含水率6含泥量( 筛洗法) 7泥块含量普通混凝土用砂1颗粒级配《普通混凝土用砂、 石质量及检验方法标准》JGJ 52- 《建筑用砂》GB 14684- 2含泥量3泥块含量4表观密度5堆积密度6紧密密度7吸水率8含水率矿粉1筛分( 水洗法) 《公路工程集料试验规程》JTG E42- 2密度下载后可任意编辑3亲水系数4塑性指数《公路工程集料试验规程》JTG E42- 《公路土工试验规程》JTJ 051-93土1界限含水量( 液塑限联合测定汉) 《公路土工试验规程》JTJ 051-932颗粒分析( 筛分法) 《土工试验方法标准》GB/T50123-1999《公路土工试验规程》JTJ 051-933比重( 比重瓶法) 4土的击实《土工试验方法标准》 GB50123-19995土的密度6土的含水率无机结合料1击实《公路工程无机结合料稳定材料试验规程》JTJ 057-942含水率( 烘干法) 3无侧限抗压强度4水泥( 石灰) 剂量沥青1针入度《公路工程沥青及沥青混合料试验规程》JTJ 052- 《沥青针入度测定法》GB/T4509-19982青软化点( 环球法) 《公路工程沥青及沥青混合料试验规程》JTJ052- 《沥青软化点测定法》GB/T4507-19993延度《公路工程沥青及沥青混合料试验规程》JTJ 052- 《沥青延度测定法》GB/T4508-19994密度及相对密度《公路工程沥青及沥青混合料试验规程》JTJ052- 5溶解度《公路工程沥青及沥青混合料试验规程》JTJ052- 6沥青与粗集料的粘附性( 水煮法) 沥青混合料1沥青混合料试件制作方法( 击实法) 《公路工程沥青及沥青混合料试验规程》JTJ052- 2压实沥青混合料密度( 表干法) 3压实沥青混合料密度( ...

1、当您付费下载文档后,您只拥有了使用权限,并不意味着购买了版权,文档只能用于自身使用,不得用于其他商业用途(如 [转卖]进行直接盈利或[编辑后售卖]进行间接盈利)。
2、本站所有内容均由合作方或网友上传,本站不对文档的完整性、权威性及其观点立场正确性做任何保证或承诺!文档内容仅供研究参考,付费前请自行鉴别。
3、如文档内容存在违规,或者侵犯商业秘密、侵犯著作权等,请点击“违规举报”。

碎片内容

市政道路材料检测项目一览表样本

领读文化+ 关注
实名认证
内容提供者

传播文化,铸就未来

确认删除?
VIP
微信客服
  • 扫码咨询
会员Q群
  • 会员专属群点击这里加入QQ群
客服邮箱
回到顶部