电脑桌面
添加小米粒文库到电脑桌面
安装后可以在桌面快捷访问

广东省交通建设工程现场检测和工程材料试检验收费标准表原有检测项目样本

广东省交通建设工程现场检测和工程材料试检验收费标准表原有检测项目样本_第1页
1/12
广东省交通建设工程现场检测和工程材料试检验收费标准表原有检测项目样本_第2页
2/12
广东省交通建设工程现场检测和工程材料试检验收费标准表原有检测项目样本_第3页
3/12
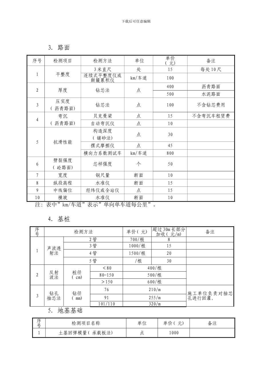
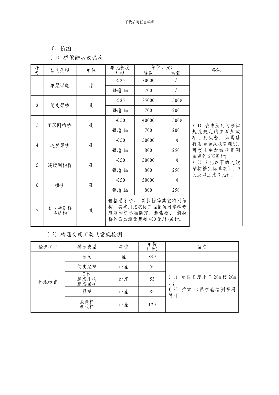
附件 1广东省交通建设工程现场检测和工程材料试(检)验收费标准表( 原有检测项目) 一、 现场检测收费项目及收费标准 1.路基序号检测项目检测方法单位单价( 元) 备注1平整度3 米直尺处10每处 10 尺2压实度灌砂法点80环刀法点203弯沉贝克曼梁点15不含弯沉车租赁费自动弯沉仪点104宽度钢尺量断面105纵断高程水准仪断面156中线偏位经纬仪或全站仪点157横坡水准仪断面10 2.基层、 底基层序号检测项目检测方法单位单价( 元) 备注1平整度3 米直尺处15每处 10 尺2压实度灌砂法点1003弯沉贝克曼梁点15不含弯沉车租赁费自动弯沉仪点104厚度人工开挖点/层10钻芯法点/层2005宽度钢尺量断面106纵断高程水准仪断面157中线偏位经纬仪或全站仪点158横坡水准仪断面10下载后可任意编辑 3.路面序号检测项目检测方法单位单价( 元) 备注1平整度3 米直尺处15每处 10 尺连续式平整度仪或颠簸累积仪km/车道1002厚度钻芯法点400沥青路面500水泥路面3压实度( 沥青路面) 钻芯法点100不含钻芯费用4弯沉( 沥青路面) 贝克曼梁点15不含弯沉车租赁费自动弯沉仪点105抗滑性能构造深度( 铺砂法) 点30摆式摩擦仪点45横向力系数测试车km/车道8006劈裂强度( 砼路面) 芯样强度个507宽度钢尺量断面108纵段高程水准仪断面159中线偏位经纬仪或全站仪点1510横坡水准仪断面10注: 表中”km/车道”表示”单向单车道每公里”。 4.基桩序号检测方法单价( 元) 超过 30m 长部分加收( 元/m) 备注1声波透射法2 管700/根83 管1000/根154 管1500/根205 管 /根302反射波法桩径( cm) <80400/根80-150500/根>150600/根3钻孔抽芯法钻径( mm) 76210/m施工单位负责对抽芯孔进行回灌。91255/m101/110320/m 5.地基基础序号检测项目名称单位单价( 元) 备注1土基回弹模量( 承载板法) 点1000下载后可任意编辑 6. 桥涵 ( 1) 桥梁静动载试验序号结构类型单位单孔长度( m) 单价( 元) 备注静载动载1单梁试验片≤2530000/( 1) 表中所列为法律规范规定的主要加载项目测试费, 如需进行附加加载项目测试, 可按主要加载项目测试费的 50%另计; ( 2) 3 孔以下的连续结构按实际孔数计, 3孔及以上按 3 孔计。每增 1m700/2简支梁桥孔≤253500015000每增 1m7002003T 形刚构桥孔≤504000015000每增 1m7002004连续梁桥孔≤5050000 0每增 1m8002505连续刚构桥孔≤5050000 0每增 1m8002506拱桥孔≤5050000 0每增 1m8002507其它特别桥梁结构...

1、当您付费下载文档后,您只拥有了使用权限,并不意味着购买了版权,文档只能用于自身使用,不得用于其他商业用途(如 [转卖]进行直接盈利或[编辑后售卖]进行间接盈利)。
2、本站所有内容均由合作方或网友上传,本站不对文档的完整性、权威性及其观点立场正确性做任何保证或承诺!文档内容仅供研究参考,付费前请自行鉴别。
3、如文档内容存在违规,或者侵犯商业秘密、侵犯著作权等,请点击“违规举报”。

碎片内容

广东省交通建设工程现场检测和工程材料试检验收费标准表原有检测项目样本

您可能关注的文档

确认删除?
VIP
微信客服
  • 扫码咨询
会员Q群
  • 会员专属群点击这里加入QQ群
客服邮箱
回到顶部